41 bmw e38 wiring diagram pdf
E21 wiring diagrams by built year - shogun 2015-12-06 03:40:20 (2669 views) E21 wiring diagrams by built year - new link - shogun 2017-10-03 03:10:51 (1487 views) The 3 Series E21 Forum requires users to register before posting new messages. BMW 34 MODE 56 TONE SELECT FM AM PTY RDS MENU MONITOR 09/08/00 Friday 7:05 PM MENU On-board computer Telephone onitor Off GPS-Navigation Set M Emergency E52 MIR (Multi Information Radio) E46/E53 Color Board Monitor E38/E39 Wide Screen Color Board Monitor (phased in for E53 1/01, E46 9/01) E38: Under the rear parcel shelf. E39 sedan: Under the ...
BMW . R75/7 . parts list catalogue manual → View webpages ( download→pdf→url ) Download Now; BMW E38 7 Series 740i-740iL-750iL Owners Manual 2000 Download Now; BMW Electronic Troubleshooting Manual E28 - E34 5 Series - E24 6 ... BMW 740il E38 4.0L 1995 Schematics Wiring Diagram Download Now; BMW 740il E38 4.0L 1995 Schematics Wiring ...

Bmw e38 wiring diagram pdf
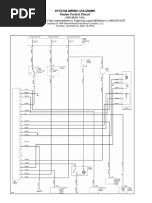
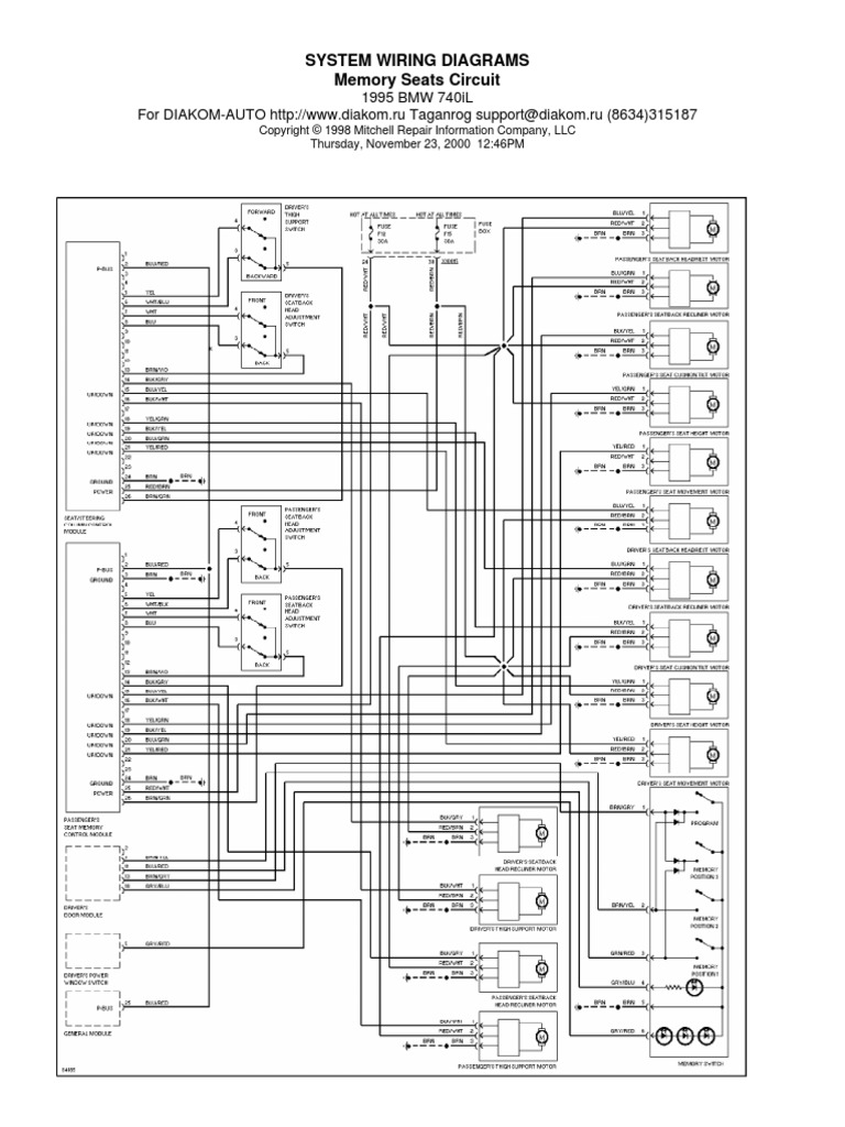
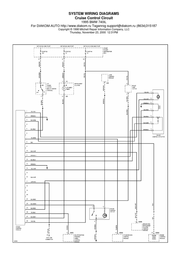
Anglicky e38 wiring diagrams.pdf 1995 BMW 740iL SYSTEM WIRING DIAGRAMS Anti-lock Brake Circuits, W/ Traction Control (1 of 2) Anti-lock Brake Circuits, W/ Traction Control (2 of 2) Computer Data Lines Driver's Lumbar Circuit Power Window Circuit Sunroof Circuit Transmission Circuit (2 of 2) Wiper/Washer Circuit 1995 View, print and download for free: BMW 740il 1995 E38 System Wiring Diagrams, 60 Pages, PDF Size: 1.41 MB. Search in BMW 740il 1995 E38 System Wiring Diagrams online. CarManualsOnline.info is the largest online database of car user manuals. BMW 740il 1995 E38 System Wiring Diagrams PDF Download. Bmw M52 Engine Wiring Diagram. M52b28 wiring diagram e39 version 1 m52 singe vanos swap to e46 plug terminal eingine harness m50 engine color code e36 connector with no bmw find land original parts for e38 750i m73 sedan images work manuals 3 series z3 diagrams pdf.
Bmw e38 wiring diagram pdf. Typical - wiring diagram for the central locking, burglar alarm, on-board computer, additional heater end digital clock 10 Typical - headlighl washer syslem wiring diagram 13 Typical - electric window system wiring diagram 15 Typical - air conditioning system wiring diagram 17 Typical - wiring diagram for heated seats 19 The controlling factor is the browser. Here are the ONLY browsers that work with the original BMW or Mini Wiring Diagram System: Internet Explorer 5.5 (long obsolete) Internet Explorer 6, Internet Explorer 7 (and Internet Explorer 8) are the only browsers that the OEM BMW or Mini WDS will work with. e38 wiring diagrams.pdf. 1995 BMW 740iL SYSTEM WIRING DIAGRAMS. Anti-lock Brake Circuits, W/ Traction Control (1 of 2) Anti-lock Brake Circuits, W/ Traction Control (2 of 2) Computer Data Lines. Driver's Lumbar Circuit. Power Window Circuit. Sunroof Circuit. Transmission Circuit (2 of 2) Wiper/Washer Circuit View, print and download for free: headlamp - BMW 740il 1995 E38 System Wiring Diagrams, 60 Pages, PDF Size: 1.41 MB. Search in BMW 740il 1995 E38 System Wiring Diagrams online. CarManualsOnline.info is the largest online database of car user manuals. BMW 740il 1995 E38 System Wiring Diagrams PDF Download.
e38 wiring diagrams.pdf. 1995 BMW 740iL SYSTEM WIRING DIAGRAMS. Anti-lock Brake Circuits, W/ Traction Control (1 of 2) Anti-lock Brake Circuits, W/ Traction Control (2 of 2) Computer Data Lines. Driver's Lumbar Circuit. Power Window Circuit. Sunroof Circuit. Transmission Circuit (2 of 2) Wiper/Washer Circuit Wire colors in those diagrams should be labeled with abbreviations you'll be able to understand. But just in case you run across a diagram with the orig-inal wiring color codes, use the "Wire Colors" key at left to sort things out. By the way, color codes for electrical wiring are defined in DIN 47 002. Circuit, Block & Schematic Diagrams Wiring Diagrams. The BMW WDS repair manual includes complete BMW wiring diagrams, the location of relays and fuses in the car, the pinout of all connectors, the layout of all connectors, blocks and elements, descriptions and views of all connectors. BMW 7, body E38 03 / 94-09 / 98 BMW 7, body E38 from 09/98 Language: English File: PDF Wiring diagram BMW X3 E83 LCI (Wednesday, 19 May 2021 18:55) Hi We are looking to buy interactive wiring diagram for BMW BMW X3 E83 LCI 2.0L Diesel year 2007 chassis number WBAPD11060WF91665 Please let me know if you can provide the wiring , if yes what is the cost.
1994-2007 BMW Wiring Diagram System Workshop Repair & Service Manual [COMPLETE & INFORMATIVE for DIY REPAIR] ☆ ☆ ☆ ☆ ☆ * COMPLETE, Absolutely No Missing Pages! * Official Service INFORMATION You Can Count On! * Customer Satisfaction GUARANTEED! BMW Wiring Diagram System (WDS, 2007/09) Model 7 E38 03/94 - 09/98 Model 7 E38 from 09/98 (04-25-2019, 09:15 AM) sparco442 Wrote: Hi frends, i found very useful website.All BMW wiring diagrams in one place...I hope that will help you. Pass on pm , after pressing the magic buttons. SIR Use the search function this page has been posted here very often. I do not know why you post Thanks and rep for pass..... its free for all!!!!! and magic button does not exist. I am ooking for a wiring diagram for the mentioned car my amp is overheating and I have a faint dial tone / dialing sound from the rear speakers and when the engine is off and the car is "sleeping" I hear a soft buzzing noise comming fro the drivers front tweeter. So everyting is unplugged and I... BMW Owner's & Service PDF Manuals. BMW AG (abbreviation from Bayerische Motoren Werke AG, with it - " Bavarian Motors ") is a German manufacturer of cars, motorcycles, engines, and bicycles. Today, Norbert Reithofer is the company's chairman, and Josef Kaban is the chief designer [4]. The motto of the company is "Freude am Fahren", with it.
E31 (1991 to 1995 8 Series) Wiring Diagrams. 1991 e31_91.pdf (11439981 bytes) e31_91.zip (8991468 bytes) 1992 e31_92.pdf (14169278 bytes) e31_92.zip (11506420 bytes) 1993 e31_93.pdf (12497488 bytes) e31_93.zip (10062349 bytes) 1994 e31_94.pdf (15897506 bytes) e31_94.zip (12859605 bytes) 1995 e31_95.pdf (20391017 bytes) e31_95.zip (16064088 ...
BMW E38 740iL Sedan - Wiring Diagrams and Functional Description. Power train >. Chassis and suspension >. Body >. Supply >.
BMW. BUSINESS C53 E38. BECKER : BMW. BUSINESS C53 E39 wide. BECKER : BMW. BUSINESS CD BMWRCD101-02. VDO. ST10F269-Q3. 24C64 smd. TDA7385. BMW. BUSINESS CD BMWRCD105-04. ... BMW Car radio wiring diagrams. car radio wire diagram stereo wiring diagram gm radio wiring diagram. Car stereo wiring diagrams car radio wiring car radio wiring colors car ...
Oct 21, 2018 · Bmw E39 Wiring Diagrams Free Pdf S. Bmw e38 740i system wiring diagrams 7 series png images pngegg 1999 e39 asc and abs lights sensor or need module pin out for 1997 528i mark iv 3 hydraulic diagram bimmerforums the ultimate forum issue trans failsafe brake rear passenger what is pinout on your free pdf s pm ft bt wires broken xoutpost com harness e65 e66 e68 fuse box skoda yeti 2018 anti lock ...
Jan 31, 2013 · BMW Bus System defined (PDF) BMW Drive Away Protection System (PDF) BMW Electrical Troubleshooting Manuals (ETM's) BMW wiring diagrams Cruise control disengaging (actuator replacement) Cruise control module testing DSC/ABS module repair/rebuild E38 car/key programmable memory options (PDF) E38/E39 schematics and pinout diagrams Electrical ...
Title: http://www.autolib.diakom.ru:8001/CAR/BMW/1995/740iL/SYSTEM%20WIRING%20DIAGRAMS/ Created Date: 2/15/2002 11:07:40 AM
Bmw E38 740i System Wiring Diagrams pdf manufactured by the company BMW presented for you in electronic format Page size 612 x 792 pts (letter) (rotated 0 degrees) . This manual can be viewed on any computer, as well as zoomed and printed, makes it easy to diagnose and repair problems with your machines electrical system.
Perfect Power Wiring Diagrams Bmw Menu Ecu Wiring Diagrams Menu Pdfbmw Menu Perfect Power Wiring Diagrams Bmw Menu To Return To The Main Menu Click Here Bmw Wiring Diagrams Model Pdf
PDF BOOK - Bmw E38 Wiring Diagram Engine Wiring Diagram For E46 BMW 3 E46 2.5 l Engine Control System Wiring Diagram. The new lineup of the BMW 3-series of the fourth generation, factory designation "E46", appeared in April 1998.. This new sedan, in terms of the level of technological development used, the level of comfort and handling, is very ...
EWS 3.2. In the same way as in the EWS 2, the basis of the enable signal sent by the EWS 3.2 to the DME/DDE is a variable code made up of the individual control module numbers (ISN) of the engine control unit.
Wiring diagram bmw x5 e53. We would like to show you a description here but the site wont allow us. Bmw gm3 wiring description for e39 5 series these are taken from the e39 wiring diagram. Listed below is the vehicle specific wiring diagram for your car alarm remote starter or keyless entry installation into your 2000 2006 bmw x5.
Hey Guys, After many years of being out of the bmw scene and straying into other marques, after totaling my e36 325i m3 swapped car, I'm back. I just picked up a e38 1995 740i. Car is in impeccable shape for the year / miles (135k). So I've had the car for 48 hours and I've got the bug to upgrade the audio system already. I'm an EE and worked with aftermarket stuff since I was 15.
E38 Standalone Harness S. Bmw E38 740i System Wiring Diagrams. 12v Switching Source On The E38 Ecm Try Pin 51. Wiring Harness Information For 2007 Up Vortec Gen Iv Truck Harnesses. E38 Ecm Wiring Performanceforums. Gm E38 Ecm Programming Harness Efi Connection Llc. E38 With Dual Electric Fans Ls1tech Camaro And Firebird Forum Discussion.
Diagram bmw e39 dsp wiring electrical 03 non w nav need amp retention adaptor control or audio system definitive for bimmerforums the ultimate forum basslink html snap e67 18 e46 amplifier diagrams free pdf s bavsound adapter installation m5 ludilo prošlost itd radio pinout another aftermarket h u install e38 logic 7 bimmerfest directory listing.
Bmw N52 Engine Wiring Diagram And Bmw E Wiring Diagram Pdf Catalogue Of Schemas In 2021 Bmw Z4 Bmw Bmw E46
Bmw M52 Engine Wiring Diagram. M52b28 wiring diagram e39 version 1 m52 singe vanos swap to e46 plug terminal eingine harness m50 engine color code e36 connector with no bmw find land original parts for e38 750i m73 sedan images work manuals 3 series z3 diagrams pdf.
View, print and download for free: BMW 740il 1995 E38 System Wiring Diagrams, 60 Pages, PDF Size: 1.41 MB. Search in BMW 740il 1995 E38 System Wiring Diagrams online. CarManualsOnline.info is the largest online database of car user manuals. BMW 740il 1995 E38 System Wiring Diagrams PDF Download.
Anglicky e38 wiring diagrams.pdf 1995 BMW 740iL SYSTEM WIRING DIAGRAMS Anti-lock Brake Circuits, W/ Traction Control (1 of 2) Anti-lock Brake Circuits, W/ Traction Control (2 of 2) Computer Data Lines Driver's Lumbar Circuit Power Window Circuit Sunroof Circuit Transmission Circuit (2 of 2) Wiper/Washer Circuit 1995
Diagram Diagramtemplate Diagramsample Check More At Https Servisi Co Bmw E46 Pdc Wiring Diagram Bmw E46 Diagram Bmw
Chevrolet 1947 1953 Truck Wiring Diagram 47 53 Pick Up Motors Car Manuals Literature Suneducationgroup Com
0 Response to "41 bmw e38 wiring diagram pdf"
Post a Comment