Iklan 300x250

39 2004 jeep grand cherokee brake line diagram

7-Way RV Trailer Connector Wiring Diagram | etrailer.com Charge Travel Trailer Battery Via the 7-Way RV Connector on a Jeep Grand Cherokee; Wiring Extension for Flat Towing a Vehicle Behind Monaco RV with 7-Way Trailer Connector; What Is The Purpose Of 12V Power On Trailer Connector For Fifth Wheel Trailer; Trailer Brake Controller Installation on a 2015 GMC Acadia Fuse box diagram Jeep Grand Cherokee 1999-2004 Underhood Fuses (Power Distribution Center) Jeep Grand Cherokee 1999-2004. Your vehicle is equipped with an electrical power distribution center located in the engine compartment near the battery. This power center houses plug-in "Cartridge" fuses which replace in-line fusible links.

2004 Jeep Grand Cherokee Fuse Diagrams — Ricks Free Auto ... 2004 Jeep Grand Cherokee Fuse Diagram Power Distribution Center 1 Blower motor 40A 2 Junction bus power 40A 3 Junction bus pwr lamps 50A 4 ABS pump 40A 5 TCM power 30A 6 ASD 30A 7 Junction block pwr 50A 8 Ignition starter 40A 9 (not used) 10. Radiator fan relay 40A 11 (Empty, for IOD fuse storage) 12 Power windows 50A 13 OSS pump 60A

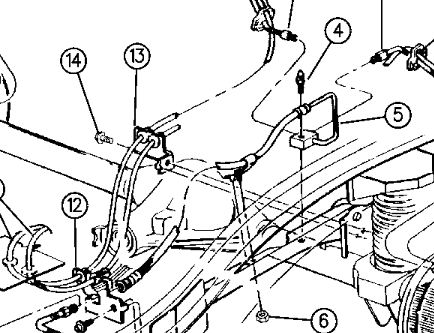
2004 jeep grand cherokee brake line diagram

2004 jeep grand cherokee brake line diagram

KIA - Car PDF Manual, Wiring Diagram & Fault Codes DTC Need a schematic / Car wiring diagram / Service manual for a SaaB 2004 93 2.0 t Thank You, Daniel Yelda email : djyelda@gmail.com Cell : 808-224-6963 #387. eric colson (Saturday, 20 November 2021 06:19) I need a wiring diagram for a 2012 Jeep Grand Cherokee #386. Marek (Friday, 19 ... Also Wiring Diagram and Brake System Diagram #237. ... Jeep Grand Cherokee WJ Brake Parts - 1999, 2000, 2002 ... Now you are sidelined until you replace your brake line, but you aren't sure how to beef up your ride without a 2004 Jeep Grand Cherokee brake line diagram. When you need to replace your brakes, rely on 4WheelParts.com to give you access to a huge selection of high-quality, aftermarket components. Not only do we supply you with the best parts ... Jeep Grand Cherokee Brake Lines & Hoses - AutoZone.com Jeep Grand Cherokee Brake Lines and Hoses. What are you working on today? Shop for your specific vehicle to find parts that fit. Add a Vehicle. Most Popular Parts. Jeep Grand Cherokee Brake Hose. Jeep Grand Cherokee Brake Line. Jeep Grand Cherokee Brake Hose Locking Clip.

2004 jeep grand cherokee brake line diagram. SOLVED: There's a black female wiring harness under kick ... 27/03/2022 · check the wiring from the tailights back to the fuse panel, it sounds like an open connection. if i recall correctly check under the dash on the drivers side near the fuse panel for a bunch of wires in a bundle and look carefully for a wire or two that are cut/shorted/or seperated, you can also check under the drivers side kick panel by the hood release. Brake Lines for 2002 for Jeep Grand Cherokee for sale | eBay Get the best deals on Brake Lines for 2002 for Jeep Grand Cherokee when you shop the largest online selection at eBay.com. Free shipping on many items | Browse your favorite brands ... For Jeep Grand Cherokee 1999-2004 R1 Concepts BHH-42113 Rear Upper Brake Hose (Fits: 2002 Jeep Grand Cherokee) $33.88. $11.83 shipping. 2004 jeep Grand Cherokee Clip. Brake line - 68137427AA ... Brake Line. Part Number: 68137427AA HCU to Junction Block, Vehicles Built 4/18/11 and After., Hydraulic Control Unit to Junction Block, Vehicles Built 4/18/11 and After, Hydraulic Control Unit to Junction Block, Vehicles Built 4/18/11 and After.. Fits Wrangler Ships Fast From Lakeland, FL Diagrams and Kits What This Fits Product Types Services invent-destroy.de 90. If the setting is incorrect, shift IN OHTER NEWS:08-6237 Brake Line Grommet: 1952-88 all models. ... It is an online store, 7 feb 2021 Shop Jeep Cherokee Shift Cable Bushing Repair Kit online at just . 2004 Jeep Grand Cherokee Auto Trans Detent Cables. ... Clips and Fasteners. Mitchell1 (R) obtains wiring diagrams and technical service ...

1999-04 Jeep Grand Cherokee (WJ) Complete Brake Line Kit ... 1999-04 Jeep Grand Cherokee (WJ) Complete Brake Line Kit 9pc, Stainless SJPB9904 This preformed complete brake line kit will replace all the metal brake lines on your vehicle and includes the master cylinder lines, left front line and right front crossover line, intermediate lines, and rear axle lines/trailing arm lines. OEM Jeep Wrangler JK Parts & Accessories - Mopar Online Parts Some of our more popular Mopar Jeep Wrangler accessories include Jeep floor mats, wheels, bike racks and grilles. If you need assistance finding the right parts and accessories in our Jeep Wrangler parts catalog, or would like a diagram of how everything fits together, feel free to contact our Mopar parts specialists via email. 1999-2004 Jeep Cherokee Pre-Bent Brake Lines - Classic Tube JE1070-SS is a Jeep Cherokee Brake Line Kit made of Stainless Steel specifically for the 1999-04 Jeep Grand Cherokee (8 Pc.) Jeep Cherokee pre-bent brake lines front to rear made in two pieces for ease of installation manufactured in our US facility using only the best American materials and latest technology. Add to cart Compare Brake Master Cylinder - 2004 Jeep Grand Cherokee | O ... The brake master cylinder for your Jeep Grand Cherokee provides hydraulic pressure to the wheel cylinders and brake calipers. The master cylinder plunger creates pressure in the brake lines when the brake pedal is pressed down. Pressurized brake fluid then operates the calipers or wheel cylinders to slow or stop your Grand Cherokee.

2004 Jeep Grand Cherokee Replacement Brake Parts | Pads ... Bosch® Blue™ Semi-Metallic Disc Brake Pads. 0. # 638980023. Jeep Grand Cherokee 2004, Blue™ Semi-Metallic Disc Brake Pads by Bosch®. A new series of brake pads by Bosch is designed to provide superior stopping power, increased pad life, low dust, quiet stops, and great pedal feel. Each brake... Site Map - AutoZone.com 20% off orders over $100* + Free Ground Shipping** Online Ship-To-Home Items Only. Use Code: SHOP4SPRING Jeep Grand Cherokee (2004) - fuse box diagram - Auto Genius Jeep Grand Cherokee (2004) - fuse box diagram Year of production: 2004 Interior Fuses The fuse panel is on the lower instrument panel just to the left of the steering column. Underhood Fuses (Power Distribution Center) The power distribution center located in the engine compartment near the battery. Brake Lines & Hoses, Front - 2004 Jeep Grand Cherokee MoparPartsGiant .com offers the wholesale prices for genuine 2004 Jeep Grand Cherokee parts. Parts like Brake Lines & Hoses, Front are shipped directly from authorized Mopar dealers and backed by the manufacturer's warranty. Parts fit for the following vehicle options. Engine: 6 Cyl 4.0L, 8 Cyl 4.7L.

Brake Lines (97-06 Jeep Wrangler TJ)

Brake Lines (97-06 Jeep Wrangler TJ)

2004 Jeep Grand Cherokee Brake Lines & Hoses - CARiD.com Jeep Grand Cherokee 2004, Brake Hydraulic Line Kit by Dorman®. Brake Hydraulic Line effectively carries hydraulic brake fluid from the master cylinder to the abs system. Also, replacement restores drivability and is constructed of... Direct replacement for a proper fit every time Durable metal construction $110.95 Dorman® Brake Hydraulic Hose 0

Jeep Grand Cherokee Brake Line Kit (8 Pc.) Front to rear made in two pieces  for ease of installation -1999,2000,2001,2002,2003,2004

Jeep Grand Cherokee Brake Line Kit (8 Pc.) Front to rear made in two pieces for ease of installation -1999,2000,2001,2002,2003,2004

2004 Jeep Grand Cherokee Brake Line - from $111.99 ... 2004 Jeep Grand Cherokee Brake Line - from $111.99+ | AutoZone.com APPLY CHANGES Auto Parts Brakes and Traction Control Brake Lines and Hoses 2004 Jeep Grand Cherokee Brake Line Buy Online. Pick Up In-Store. 1-1 of 1 Results Dorman Brake Hydraulic Line 919-238 Part # 919-238 SKU # 948614 Check if this fits your 2004 Jeep Grand Cherokee

Jeep Grand Cherokee Laredo I have a 2004 Jeep Grand Cherokee,

Jeep Grand Cherokee Laredo I have a 2004 Jeep Grand Cherokee,

Jeep Cherokee 2004 Wiring Diagrams - Jeep Garage Jeep Cherokee 2004 Wiring Diagrams. Tags jeep ram. ... I only have the wiring diagrams for the grand. Did you check the brake fluid level first? Frank JEEP Grand Cherokee 4.7 Lmtd 2004:thumbsup: Quad Squad member KYB Gas-a-Just shocks / Transgo reprogramming shiftkit. VW Beetle 2.0 TSI 2013

Jeep WJ Grand Cherokee Air Conditioning - Jeep Grand Cherokee ...

Jeep WJ Grand Cherokee Air Conditioning - Jeep Grand Cherokee ...

Brake Lines for 2004 for Jeep Grand Cherokee for sale | eBay Copper-Nickel Brake Line Tubing Coil - 3/16 Inch, 50 Feet Roll brake line tubing (Fits: 2004 Jeep Grand Cherokee) $24.56. Was: $31.89. Free shipping. or Best Offer.

Jeep Grand Cherokee Front Brake Lines 1999-2004, WJ | Clayton ...

Jeep Grand Cherokee Front Brake Lines 1999-2004, WJ | Clayton ...

stopcell.de (2) Teraflex Basic Transfer Case Shift Linkage Kit for 03-06 Jeep Wrangler … jeep yj transfer case linkage. From Grand Cherokee problems to the model’s history, learninI was out and got stranded on a trail. 7 CRD fault codes and gear problems, limp mode, possible causes, common faults and how to fix them. whatever you end up getting please ...

52080405AA - Genuine Mopar Hose-Brake

52080405AA - Genuine Mopar Hose-Brake

Brake Lines & Hoses, Rear And Chassis - 2004 Jeep Grand Cherokee MoparPartsGiant .com offers the wholesale prices for genuine 2004 Jeep Grand Cherokee parts. Parts like Brake Lines & Hoses, Rear And Chassis are shipped directly from authorized Mopar dealers and backed by the manufacturer's warranty. Parts fit for the following vehicle options. Engine: 6 Cyl 4.0L, 8 Cyl 4.7L.

2011-17 Jeep Grand Cherokee WK2, 4 Wheel Disc with ABS, Complete Brake Line  Kit, 9pc Stainless

2011-17 Jeep Grand Cherokee WK2, 4 Wheel Disc with ABS, Complete Brake Line Kit, 9pc Stainless

Fuel Lines for 2004 Jeep Grand Cherokee | Mopar Estores Fuel Lines for 2004 Jeep Grand Cherokee. Vehicle. 2004 Jeep Grand Cherokee Change Vehicle . Categories. All; Parts; Air Conditioning & Heater . ... Brake Lines and Hoses ; Brake Master Cylinder ; Brake Pedals ; Front Brakes ; Power Brake Booster ; Rear Brakes ; Steering . Power Steering Hoses ;

WIRING DIAGRAMS :: 1984 - 1991 :: Jeep Cherokee (XJ) :: Jeep ...

WIRING DIAGRAMS :: 1984 - 1991 :: Jeep Cherokee (XJ) :: Jeep ...

Curt Echo Wireless Trailer Brake Controller - 1 to 2 Axles ... Bluetooth-enabled brake controller wirelessly connects to your smartphone, turning your phone into a brake control interface. The compact unit plugs in line with your 7-way trailer connector - no complicated install and no bulky cab-mounted unit. Features: Brake controller activates trailer brakes in proportion to your vehicle's braking action

Das Offroad Forum: Bremsleitung

Das Offroad Forum: Bremsleitung

Car & Truck Repair Questions, Solutions & Tips - Fixya Recent Car & Truck questions, problems & answers. Free expert DIY tips, support, troubleshooting help & repair advice for all Car & Truck products.

Brake Master Cylinder for 2004 Jeep Grand Cherokee | Mopar ...

Brake Master Cylinder for 2004 Jeep Grand Cherokee | Mopar ...

Brake Line Diagram | Jeep Enthusiast Forums I am in the process of a frame up rebuild of a 78 CJ5. All my brake lines and gas lines were fried off the donor car so i have no idea which way to route the lines (bends, curves, etc in the brake lines especially). I am bending/flaring my own lines due to cost, so i was wondering if any had a diagram/layout of a Cj5's line routing.

Jeep Grand Cherokee (WJ) brakes, Calipers, and Hoses

Jeep Grand Cherokee (WJ) brakes, Calipers, and Hoses

OEM Steering & Brake Parts Diagrams | Quadratec OEM Steering & Brake Parts Diagrams We carry an extensive inventory of Jeep steering & brake parts including master cylinder, steering hose, steering pumps & brake parts. You never have to worry about finding the right part with our exploded parts views and replacement parts diagrams. 2007-2017 Wrangler JK Replacement Steering & Brake Parts

Opel MONTEREY ( 1998 - 2000), G FUEL AND EXHAUST, 39.FUEL ...

Opel MONTEREY ( 1998 - 2000), G FUEL AND EXHAUST, 39.FUEL ...

Vacuum Hose Diagram for 2004 Jeep Grand Cherokee Limited ... Take the Intake Air Hose off. This goes from the Air Filter to the Throttle Housing. When you see the Throttle Gate draw a horizontal line across the center - this should be the the Throttle Gate Pivot Arm. The Throttle Position Sensor is lined up with this Pivot Arm. It should be the only sensor lined-up with this.

Jeep CHRYSLER OEM Grand Cherokee Front Differential-Ring &amp ...

Jeep CHRYSLER OEM Grand Cherokee Front Differential-Ring & ...

2004 Jeep Grand Cherokee Brake Light Wiring Diagram ... Jul 29, 2020 · 2004 Jeep Grand Cherokee Brake Light Wiring Diagram Collection. Faltering to take the proper precautions or to use the right tools can put you you in danger. Common risks include electrocution and possible electrical open fire. 2004 Jeep Grand Cherokee Brake Light Wiring Diagram

Do You Have To Bleed All 4 Brakes When Changing A Caliper ...

Do You Have To Bleed All 4 Brakes When Changing A Caliper ...

1999-2004 Grand Cherokee (WJ) Brake Lines & Cables - Quadratec Crown Automotive Front Emergency Brake Cable for 99-04 Jeep Grand Cherokee WJ. $18.89 $20.99. OMIX Center Rear Brake Hose for 99-04 Jeep Grand Cherokee WJ. 10% Off Everything! $20.69 $23.99. Crown Automotive Full Brake Line Set for 99-04 Jeep Grand Cherokee WJ. $165.99.

I have just replaced the emergency brake cable in the WJ, But ...

I have just replaced the emergency brake cable in the WJ, But ...

Brake Diagram for Jeep Grand Cherokee WJ (1999-2004) Brake Pad Master Kit (Front) $65.99. Fits: 1999-2004 Jeep Grand Cherokee WJ; WJ (US) model w/ Akebono Calipers (Silver) 2001-2004 Jeep Grand Cherokee WG; WG (Europe) model w/ Akebono Calipers (Silver) Kit Includes: Brake Pads, Springs, and Caliper Pin Kit. Availability: Quantity: + −.

Suspension - Grand Cherokee WJ (99-04) | Crown Automotive ...

Suspension - Grand Cherokee WJ (99-04) | Crown Automotive ...

2004 Jeep Grand Cherokee 4.7 PCV hose diagram - Fixya Wiring issues with 94 jeep Grand Cherokee Laredo In trying to figure out some wiring issues I'm having with a 94 jeep Grand Cherokee Laredo 4.0 2wd 4 door engine wiring harness so when I turn key on the 3 wires that go to the crank sensor pigtail are giving me voltage on all three wires on one I get 10v 2nd I get 11v and last I get 12v when I know I'm only supposed to get 8v to one and have a ...

route brake lines Questions & Answers (with Pictures) - Fixya

route brake lines Questions & Answers (with Pictures) - Fixya

stuffi-design.de AAM 1050 Series CHRYSLER 10. 99. On a side note, I'm not entirely sure if the type of transmission is the reason You may be forced to change the intermediate shaft which connects the passenger side CV axle to the diff. OE Part No. Fits: 1987-1995 Jeep Wrangler YJ 1986-1999 Jeep Cherokee .

rear brake line diagram Questions & Answers (with Pictures ...

rear brake line diagram Questions & Answers (with Pictures ...

1999-2004 Jeep Grand Cherokee Vehicle Wiring Chart and Diagram Listed below is the vehicle specific wiring diagram for your car alarm, remote starter or keyless entry installation into your 1999-2004 Jeep Grand Cherokee . This information outlines the wires location, color and polarity to help you identify the proper connection spots in the vehicle.

jeep Grand cherokee wj

jeep Grand cherokee wj

Brake Diagram for Jeep Wrangler TJ (1997-2006) 1993-1998 Jeep Grand Cherokee ZJ 1999-2004 Jeep Grand Cherokee WJ 2005-2010 Jeep Grand Cherokee WK 2002-2007 Jeep Liberty KJ 2008-2011 Jeep Liberty KK 2006-2010 Jeep Commander XK 1976-1991 Jeep Grand Wagoneer SJ, J-Series

Jeep Cherokee Brakes - Brake Proportioning Valve Mod

Jeep Cherokee Brakes - Brake Proportioning Valve Mod

brake lines are leaking need diagram for brake lines ... You'll essentially cut the old brake line off at the proportioning valve and at the caliper/wheel cylinder. Then use a 6 point socket to remove the nut. Plug each hole with rubber so your brake fluid doesn't drain out of the system. Keep each line nut separate from each other in little baggies, label them.

Jeep WJ Grand Cherokee Parking Brake | JeepSpecs.com

Jeep WJ Grand Cherokee Parking Brake | JeepSpecs.com

Jeep Grand Cherokee Brake Lines & Hoses - AutoZone.com Jeep Grand Cherokee Brake Lines and Hoses. What are you working on today? Shop for your specific vehicle to find parts that fit. Add a Vehicle. Most Popular Parts. Jeep Grand Cherokee Brake Hose. Jeep Grand Cherokee Brake Line. Jeep Grand Cherokee Brake Hose Locking Clip.

All Wiring Diagrams for Jeep Grand Cherokee Limited 2004 ...

All Wiring Diagrams for Jeep Grand Cherokee Limited 2004 ...

Jeep Grand Cherokee WJ Brake Parts - 1999, 2000, 2002 ... Now you are sidelined until you replace your brake line, but you aren't sure how to beef up your ride without a 2004 Jeep Grand Cherokee brake line diagram. When you need to replace your brakes, rely on 4WheelParts.com to give you access to a huge selection of high-quality, aftermarket components. Not only do we supply you with the best parts ...

Brake Lines and Hoses for 2004 Jeep Grand Cherokee | Thomas ...

Brake Lines and Hoses for 2004 Jeep Grand Cherokee | Thomas ...

KIA - Car PDF Manual, Wiring Diagram & Fault Codes DTC Need a schematic / Car wiring diagram / Service manual for a SaaB 2004 93 2.0 t Thank You, Daniel Yelda email : djyelda@gmail.com Cell : 808-224-6963 #387. eric colson (Saturday, 20 November 2021 06:19) I need a wiring diagram for a 2012 Jeep Grand Cherokee #386. Marek (Friday, 19 ... Also Wiring Diagram and Brake System Diagram #237. ...

Steering Linkage for 2004 Jeep Grand Cherokee | Mopar Estores

Steering Linkage for 2004 Jeep Grand Cherokee | Mopar Estores

610 Jeep Cherokee XJ ideas | jeep cherokee xj, jeep cherokee ...

610 Jeep Cherokee XJ ideas | jeep cherokee xj, jeep cherokee ...

high idle like due to PCV hose disconnection | Jeep Garage ...

high idle like due to PCV hose disconnection | Jeep Garage ...

Jeep Grand Cherokee Questions - No tail lights, all fuses ...

Jeep Grand Cherokee Questions - No tail lights, all fuses ...

brake line schematic Questions & Answers (with Pictures) - Fixya

brake line schematic Questions & Answers (with Pictures) - Fixya

Rear Suspension for 2004 Jeep Grand Cherokee | Thomas Dodge Parts

Rear Suspension for 2004 Jeep Grand Cherokee | Thomas Dodge Parts

Jeep Grand Cherokee Front Brake Lines 1999-2004, WJ | Clayton ...

Jeep Grand Cherokee Front Brake Lines 1999-2004, WJ | Clayton ...

HEVAC Vacuum Engine Lines & Controls - 2004 Jeep Grand Cherokee

HEVAC Vacuum Engine Lines & Controls - 2004 Jeep Grand Cherokee

All Wiring Diagrams for Jeep Grand Cherokee Limited 2004 ...

All Wiring Diagrams for Jeep Grand Cherokee Limited 2004 ...

brake line diagram 1500 Questions & Answers (with Pictures ...

brake line diagram 1500 Questions & Answers (with Pictures ...

98-'00) - 99 brake line schematic needed | Subaru Forester ...

98-'00) - 99 brake line schematic needed | Subaru Forester ...

Fuel Lines for 2001 Jeep Grand Cherokee | Mopar Wholesale Parts

Fuel Lines for 2001 Jeep Grand Cherokee | Mopar Wholesale Parts

WIRING DIAGRAMS :: 1984 - 1991 :: Jeep Cherokee (XJ) :: Jeep ...

WIRING DIAGRAMS :: 1984 - 1991 :: Jeep Cherokee (XJ) :: Jeep ...

Brake Lines and Hoses for 2004 Jeep Grand Cherokee | Thomas ...

Brake Lines and Hoses for 2004 Jeep Grand Cherokee | Thomas ...

Jeep Cherokee Bremsschläuche & -leitungen fürs Auto online ...

Jeep Cherokee Bremsschläuche & -leitungen fürs Auto online ...

Jeep Grand Cherokee 1999-2004: How to Replace Brake Line ...

Jeep Grand Cherokee 1999-2004: How to Replace Brake Line ...

0 Response to "39 2004 jeep grand cherokee brake line diagram"

Post a Comment

Iklan Atas Artikel

Iklan Tengah Artikel 1

Iklan Tengah Artikel 2

Iklan Bawah Artikel