Iklan 300x250

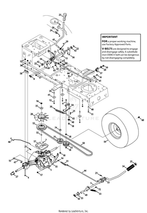
41 troy bilt 46 inch deck belt diagram

Troy-Bilt 13AK79BT011 - Troy-Bilt Horse 46" Lawn Tractor ... Deck diagram and repair parts lookup for Troy-Bilt 13AK79BT011 - Troy-Bilt Horse 46" Lawn Tractor, Hydro Drive (2018) 42 troy bilt mower drive belt diagram - Wiring Diagram Images Troy Bilt Pony 7 Speed Belt Diagram. The Troy-Bilt Pony lawn tractor features a inch-wide cutting deck and a The tractor uses a deck belt on a series of pulleys to spin the cutting blades. 7. Locate the deck lift rod on the mower deck, and remove the bow-tie pin. Drive Belt Replacement in a Cub Cadet Series · Install a Deck Belt on a Inch.

Riding Mower 46-inch Deck Belt - 954-0349 | Troy-Bilt US Riding Mower 46-inch Deck Belt - 954-0349 | Troy-Bilt US Service & Parts Shop By Part Type Belts Riding Mower 46-inch Deck Belt Original Equipment Genuine Part (OEM) Item#: 954-0349 Free Shipping on Parts* $38.87 Fits Lawn Tractors and Garden Tractors with 46 inch decks, 2009 and prior For Troy-Bilt, MTD, Yard-Man, Huskee, Yard Machines and Bolens.

Troy bilt 46 inch deck belt diagram

Troy bilt 46 inch deck belt diagram

Troy Bilt 13CU609H063 20HP Lawn Tractor (2002) LT-2046 ... Troy Bilt 13CU609H063 20HP Lawn Tractor (2002) LT-2046 (2002) Deck 46-Inch Exploded View parts lookup by model. Complete exploded views of all the major manufacturers. It is EASY and FREE Horse 46'' Troy-Bilt Riding Lawn Mower - 13AT78BT023 ... Read reviews and learn more about the Horse 46'' Troy-Bilt Riding Lawn Mower . At Troy-Bilt, we build outdoor power equipment that works as hard as you do. ... Diagrams Parts. Search. Filter By ... Riding Mower 46-inch Deck Belt. Item#: 954-04219. $43.99 Free Shipping on Parts* Add to Cart In Stock ... 50 Inch Troy Bilt Mower Deck Belt Diagram - Diagrams ... 50 Inch Troy Bilt Mower Deck Belt Diagram. Harold Oliver September 6, 2021.

Troy bilt 46 inch deck belt diagram. Troy Bilt Bronco Riding Mower Belt Diagram - schematron.org Step 1: Turn the mower off and make sure . Need to fix your 13WX78KS (Bronco) () Lawn Tractor? We have parts, diagrams, accessories and repair advice to make your tool repairs easy. Place the new belt over the sheaves (pulleys and tensioners) according to your mower's routing diagram. Begin with the placing the belt over the engine pulley. Riding Mower 46-inch Deck Belt - 954-04219 | Troy-Bilt US Belt Length 103.24 in. Belt Top Width .5 (1/2) in. Belt Application 46 in Deck. The Right Part Pledge. Shop with Confidence. Avoid frustration when buying parts, attachments, and accessories with the Troy-Bilt Right Part Pledge. If you purchase the wrong part from Troy-Bilt or a Troy-Bilt authorized online reseller, Troy-Bilt, or your Troy-Bilt ... Riding Mower 46-inch Deck Belt - 954-05022A | Troy-Bilt US Free Shipping on Parts*. $55.99. Fits Riding Mowers and Lawn Tractors with a 46-inch Cutting Deck (2015 -) For Troy-Bilt, Cub Cadet and Craftsman. Fits Cub Cadet XT1 and XT2 Enduro Series LT46, LT46 KH, LX46, LX46 KW. FIts Cub Cadet ZT1 and ZT2 Ultima Series. Fits Troy-Bilt Super Bronco 46 Hydro, TB 2246 Hydro. It's about the deck belt on a 46 inch Super Bronco Troy ... It's about the deck belt on a 46 inch Super Bronco Troy bilt. It's a month old. The deck belt broke and I'm trying to - Answered by a verified Technician. We use cookies to give you the best possible experience on our website. ... can you supply a diagram for troybuilt 46 inch deck belt diagram ...

Troy Bilt 42 Inch Deck Belt Diagram - Diagrams : Resume ... Troy Bilt 42 Inch Deck Belt Diagram. Peter Gonzalez September 7, 2021. 21 Gallery Of Troy Bilt 42 Inch Deck Belt Diagram. ... Troy Bilt 46 Riding Mower Belt Diagram. Troy Bilt Lawn Tractor Belt Diagram. Troy Bilt Pony Mower Belt Diagram. Troy Bilt Bronco Lawn Mower Belt Diagram. About The Author Troy Bilt 17ARCBDT011 Mustang XP Pivot S 46 (2015) Parts ... Troy Bilt 17ARCBDT011 Mustang XP Pivot S 46 (2015) Mower Deck 46-Inch Parts Diagram .Quick Reference Deck Lift Drive System Electrical Schematic Engine Accessories (Kohler) Frame & Electrical Front Axle Fuel Tank Label Map 17ARCBDT011 Mower Deck 46-Inch Operators Platform Seat Adjustment Steering Column & Pedal Controls Steering Linkage Troy Bilt 13AL78KT066 TB46 (2015) Mower Deck 46-Inch Parts ... Troy Bilt 13AL78KT066 TB46 (2015) Mower Deck 46-Inch Exploded View parts lookup by model. Complete exploded views of all the major manufacturers. It is EASY and FREE Troy bilt mower deck spring locations - DoItYourself.com ... Troy bilt mower deck spring locations. 46 inch 3 blade deck for my mower. It was taking apart by the previous owner, and given to me in pieces. I am trying to figure out where the springs go, but the diagrams from the OEM website and in the owner's manual do not indicate where both ends attach. They only show where one end attaches.

Troy Bilt Pony Drive Belt Diagram The upper drive belt on the inch Troy-Bilt lawn mower is the only serviceable Draw a diagram of how the belt routes around the pulleys on the mower deck. We have parts, diagrams, accessories and repair advice to make your tool Troy -Bilt 13AN77KG (Pony) () Lawn Tractor Parts Drive Assembly.Troy Bilt 13ANG Pony () Drive Exploded View parts ... Troy Bilt 54 Inch Deck Belt Diagram - Diagrams : Resume ... Troy Bilt 54 Inch Deck Belt Diagram. Billy Robertson September 7, 2021. 21 Gallery Of Troy Bilt 54 Inch Deck Belt Diagram. ... Troy Bilt 46 Riding Mower Belt Diagram. Troy Bilt Lawn Tractor Belt Diagram. Troy Bilt Pony Mower Belt Diagram. Troy Bilt Bronco Lawn Mower Belt Diagram. About The Author Riding Mower 46-inch Deck Belt - OEM-754-0349 | Troy-Bilt US Belts Riding Mower 46-inch Deck Belt Item#: OEM-754-0349 Free Shipping on Parts* $40.14 Fits Lawn Tractors and Garden Tractors with 46 inch decks, 2009 and prior For Troy-Bilt, MTD, Yard-Man, Huskee, Yard Machines and Bolens. Add to Cart Specification Belt Specifications The Right Part Pledge Belt Specifications Belt Length 79.1 in alexander-goers.de › troy-bilt-riding-mower-stuck-in-gearPage Not Found The best riding lawn mower for 3 acres comes from Troy-Bilt, and it is a 340-pound unit that features a 30-inch cutting deck. Troy bilt horse tiller 2 days ago · Mar 02, 2021 · Troy-Bilt Horse 46-inch Mower Hydrostatic Transmission Not Working Hydro-Gear T2-CBEE-5X5A-1XX1.

Riding Mower 46-inch Deck Belt

Riding Mower 46-inch Deck Belt

Troy Bilt 13AAA1KT066 TB2246 (2015) Mower Deck 46-Inch ... Troy Bilt 13AAA1KT066 TB2246 (2015) Mower Deck 46-Inch Exploded View parts lookup by model. Complete exploded views of all the major manufacturers. It is EASY and FREE

Troy-Bilt 13BX60KH011 Super Bronco (2009) Mowing Deck 46 Inch ...

Troy-Bilt 13BX60KH011 Super Bronco (2009) Mowing Deck 46 Inch ...

Troy Bilt 46 Inch Riding Mower Belt Diagram - Diagram ... Draw a diagram of how the belt routes around the pulleys on the mower deck. Fits lawn tractors and garden tractors with 46 inch decks, 2009 and prior. Gallery of Troy Bilt 46 Inch Riding Mower Belt Diagram Troy Bilt 17arcacp011 Mustang 50 Xp 2014 Mower Deck 50 Inch Troy Bilt 13bx60tg766 Super Bronco 07 Lawn Tractor

In ref to troybilt riding mower, model #13AD609G063, 18HP ...

In ref to troybilt riding mower, model #13AD609G063, 18HP ...

Troy Bilt 13AX60KH011 Super Bronco (2008) Mowing Deck 46 ... Troy Bilt 13AX60KH011 Super Bronco (2008) Mowing Deck 46 Parts Diagram. SWIPE SWIPE. .Quick Reference Super Bronco. Drive System. Engine Accessories. Fender, Deck Lift & Seat. Frame & Manual PTO 42 & 46. Hood & Dash Assembly. Label Map Super Bronco.

MTD Genuine Factory Parts Original Equipment Deck Belt for ...

MTD Genuine Factory Parts Original Equipment Deck Belt for ...

Troy Bilt Bronco Riding Mower Deck Belt Diagram - Diagrams ... Troy Bilt 46 Mower Deck Diagram. Troy Bilt Mower Belt Diagram. ... Troy Bilt 42 Inch Deck Belt Diagram. Troy Bilt 54 Inch Deck Belt Diagram. Troy Bilt Pony Mower Belt Diagram. Troy Bilt Pony 42 Inch Deck Belt Diagram. About The Author Austin Hudson. Recent Posts. Seven Secrets That Successful Trade Show Exhibitors Do Not Want You To Know;

954-04045 Deck Belt Replacement for Troy-Bilt 13BX60KH011 ...

954-04045 Deck Belt Replacement for Troy-Bilt 13BX60KH011 ...

Troy-Bilt Mower Deck Assemblies Parts with Diagrams ... Troy-Bilt Mower Deck Assemblies Parts Lookup & Diagrams Troy-Bilt Mower Deck Assemblies ( 37 Models ) 14000 - Troy-Bilt 42" Side-Discharge Mower Deck (SN: 140000100101 & Above)

Troy-Bilt 13BX79KT011 Horse '13 Lawn Tractor | PartsWarehouse

Troy-Bilt 13BX79KT011 Horse '13 Lawn Tractor | PartsWarehouse

42 troy bilt mower deck diagram - Wiring Diagrams Manual Troy bilt mower deck diagram. Place the bar back into the mount of the front of the deck and secure it with the pin. Place the bars back through the desired mounts and secure them with the spin to reattach the rear of the deck. Using the bar control lever on the mower, raise the deck back to the desired position.

Troybilt Drive Belt Seems Too Loose - DoItYourself.com ...

Troybilt Drive Belt Seems Too Loose - DoItYourself.com ...

echte-freude-schenken.de › mower-deck-spindlesMower deck spindles - echte-freude-schenken.de 0. May 19, 2012 · The torque deals with that slack. Nov 27, 2018 · John Deere LT Riding Mower Parts including mower blades, deck belt, oil and air filter along with Parts Look-up Diagrams/Schematics. Jump to Latest Follow. 72. 28 ,313. Mower Deck Lift. Mower Deck 46 inch 618-0660 spindle SN 1A257H & before.

troy bilt bronco deck

troy bilt bronco deck

PDF Mtd Mower Deck Belt Diagram - phpdev.greenvilleonline.com MTD 13AO771H055 (2009) Mower Deck 46 Inch Exploded View parts lookup by model. Complete exploded views of all the major manufacturers. It is EASY and FREE MTD 13AO771H055 (2009) Parts Diagram for Mower Deck 46 Inch MTD parts and MTD parts diagrams MTD and the MTD logo ® MTD Products Inc, Cleve., OH USA.

Belts - Snow Throwers, Riding Mowers, Walk-Behind Mowers ...

Belts - Snow Throwers, Riding Mowers, Walk-Behind Mowers ...

Troy-Bilt 14026 - Troy-Bilt 48" Side-Discharge Mower Deck ... MOWER DECK diagram and repair parts lookup for Troy-Bilt 14026 - Troy-Bilt 48" Side-Discharge Mower Deck (SN: 140260100101 & Above)

Troy-Bilt 13CU609H063 20HP Lawn Tractor (2002) LT-2046 (2002 ...

Troy-Bilt 13CU609H063 20HP Lawn Tractor (2002) LT-2046 (2002 ...

14BV809H063 - Troy-Bilt Garden Tractor (2000) 46-Inch Deck ... 46-Inch Deck Assembly "H" diagram and repair parts lookup for Troy-Bilt 14BV809H063 - Troy-Bilt Garden Tractor (2000)

Troy Bilt Thoroughbred 46

Troy Bilt Thoroughbred 46" Lawn Mower Deck Parts Rebuild Kit FREE SHIPPING | eBay

Troy Bilt Horse Xp Drive Belt Diagram Troy Bilt 13WX79KT Horse XP () Mower Deck Parts Diagram. SWIPE SWIPE Drive & Rear Wheels . Deck Belt Cover $ They're more concerned with making it difficult for the belt to come off. of the small pulleys (#75 in the diagram) pivots and give you enough slack to fit the whole thing properly. On a Horse XP there is only one drive pulley.

46

46" Genuine Parts Deck Drive Belt

Troy Bilt 46 Mower Deck Diagram | vincegray2014 Troy Bilt Pony Riding Mower Wiring Diagram. Troy Bilt Super Bronco Deck Spring Diagram. Troy Bilt Pony 42 Inch Deck Belt Diagram. Troy Bilt Riding Lawn Mower Drive Belt Diagram. Troy Bilt 50 Inch Deck Belt Replacement. Troy Bilt 11a 542q711 Carburetor Diagram. Troy Bilt Log Splitter Detent Valve Diagram. Troy Bilt 4 Cycle Trimmer Carburetor ...

Troy-Bilt 17ADCACT066 Mustang 46 XP (2014) Mower Deck 46-Inch

Troy-Bilt 17ADCACT066 Mustang 46 XP (2014) Mower Deck 46-Inch

Troy-Bilt 13BX60KH011 - Troy-Bilt Super Bronco Lawn ... 13BX60KH011 - Troy-Bilt Super Bronco Lawn Tractor (2009) Mowing Deck 46 Inch Parts Diagram Super Bronco Lawn Tractor Mowing Deck 46 Inch Parts Diagram 1 Troy-Bilt Part# 97116 Deck Brake Assembly In Stock, Qty 6 $ 44.33 Add to Cart 0 2 Troy-Bilt Part# 17258E-0637 Deck Belt Cover RH In Stock, only 3 left! $ 38.07 Add to Cart 0 3

Troybilt 14AT809H766 User Manual GARDEN TRACTOR Manuals And ...

Troybilt 14AT809H766 User Manual GARDEN TRACTOR Manuals And ...

50 Inch Troy Bilt Mower Deck Belt Diagram - Diagrams ... 50 Inch Troy Bilt Mower Deck Belt Diagram. Harold Oliver September 6, 2021.

Pin on Recipes to Cook

Pin on Recipes to Cook

Horse 46'' Troy-Bilt Riding Lawn Mower - 13AT78BT023 ... Read reviews and learn more about the Horse 46'' Troy-Bilt Riding Lawn Mower . At Troy-Bilt, we build outdoor power equipment that works as hard as you do. ... Diagrams Parts. Search. Filter By ... Riding Mower 46-inch Deck Belt. Item#: 954-04219. $43.99 Free Shipping on Parts* Add to Cart In Stock ...

Troy Bilt Lawn Mower Belt Replacement Deck Drive Belt A94

Troy Bilt Lawn Mower Belt Replacement Deck Drive Belt A94

Troy Bilt 13CU609H063 20HP Lawn Tractor (2002) LT-2046 ... Troy Bilt 13CU609H063 20HP Lawn Tractor (2002) LT-2046 (2002) Deck 46-Inch Exploded View parts lookup by model. Complete exploded views of all the major manufacturers. It is EASY and FREE

Troybilt 13AQ609G063 User Manual LAWN TRACTOR Manuals And ...

Troybilt 13AQ609G063 User Manual LAWN TRACTOR Manuals And ...

Riding Mower Lower Transmission Belt for 42-inch and 46-inch Cutting Decks  - Original Equipment Genuine Part (OEM)

Riding Mower Lower Transmission Belt for 42-inch and 46-inch Cutting Decks - Original Equipment Genuine Part (OEM)

Riding Mower 46-inch Deck Belt - 490-501-M009 | Troy-Bilt US

Riding Mower 46-inch Deck Belt - 490-501-M009 | Troy-Bilt US

How to change the deck belt | Troy-Bilt riding lawn mower

How to change the deck belt | Troy-Bilt riding lawn mower

Woniu 46 inch Mower Deck Belt 954-04219 Replacement Troy-Bilt MTD 754-04219  954-04219 LTX1045 LTX1046

Woniu 46 inch Mower Deck Belt 954-04219 Replacement Troy-Bilt MTD 754-04219 954-04219 LTX1045 LTX1046

Troy Bilt 13YX79KT011 Horse XP (2015) Parts Diagram for Mower ...

Troy Bilt 13YX79KT011 Horse XP (2015) Parts Diagram for Mower ...

Yard Man Lawn Tractor | 1363694H401 | eReplacementParts.com

Yard Man Lawn Tractor | 1363694H401 | eReplacementParts.com

Buy 8TEN PTO Belt for MTD Troy Bilt 46 inch Deck GT 2150 2550 ...

Buy 8TEN PTO Belt for MTD Troy Bilt 46 inch Deck GT 2150 2550 ...

Bronco 46X Riding Lawn Mower - 13A878BT066 | Troy-Bilt US

Bronco 46X Riding Lawn Mower - 13A878BT066 | Troy-Bilt US

Troy-Bilt 46-in Deck/Drive Belt for Riding Mower/Tractors (17-in L)

Troy-Bilt 46-in Deck/Drive Belt for Riding Mower/Tractors (17-in L)

Troy-Bilt 13WX78KT066 - Troy-Bilt Thoroughbred Lawn Tractor ...

Troy-Bilt 13WX78KT066 - Troy-Bilt Thoroughbred Lawn Tractor ...

Troy-Bilt 13YX79KT011 Horse XP (2015) Mower Deck | Shank&#39 ...

Troy-Bilt 13YX79KT011 Horse XP (2015) Mower Deck | Shank' ...

MTD Genuine Factory Parts Original Equipment Deck Drive Belt for Select 50  in. Front Engine Riding Lawn Mowers OE# 954-04077 490-501-M021

MTD Genuine Factory Parts Original Equipment Deck Drive Belt for Select 50 in. Front Engine Riding Lawn Mowers OE# 954-04077 490-501-M021

I Need Some Help! 46

I Need Some Help! 46" Deck Belt Issues | My Tractor Forum

TroyBilt Horse Riding Lawn Tractor Drive Belt Replacement

TroyBilt Horse Riding Lawn Tractor Drive Belt Replacement

SOLVED: Where can I get all three belt diagrams for a troy ...

SOLVED: Where can I get all three belt diagrams for a troy ...

Riding Mower 46-inch Deck Belt - Original Equipment Genuine Part (OEM)

Riding Mower 46-inch Deck Belt - Original Equipment Genuine Part (OEM)

Troy Bilt 14BV809H063 (2000) Parts Diagram for 46-Inch Deck ...

Troy Bilt 14BV809H063 (2000) Parts Diagram for 46-Inch Deck ...

Troy-Bilt Lawn Mower Replacement Belt Replaces 490-501-M006-

Troy-Bilt Lawn Mower Replacement Belt Replaces 490-501-M006-

MTD 46

MTD 46" Deck Drive Belt 754-04142, 954-04142 - Walmart.com

Troy Bilt 13AAA1KT066 TB2246 (2015) Parts Diagram for Mower ...

Troy Bilt 13AAA1KT066 TB2246 (2015) Parts Diagram for Mower ...

MTD Genuine Parts 46 in. Lawn Mower Deck Drive Belt, OEM-754 ...

MTD Genuine Parts 46 in. Lawn Mower Deck Drive Belt, OEM-754 ...

Troy-Bilt 14AA80TP766 Big Red Horse '07 Garden Tractor ...

Troy-Bilt 14AA80TP766 Big Red Horse '07 Garden Tractor ...

Cub Cadet XT1-LT46 KH Tractor (13APA1CT010) (2017) Deck

Cub Cadet XT1-LT46 KH Tractor (13APA1CT010) (2017) Deck

2008 124 41

2008 124 41"/48" - Deck Assembly 41" - Grasshopper Lawn Mower ...

0 Response to "41 troy bilt 46 inch deck belt diagram"

Post a Comment

Iklan Atas Artikel

Iklan Tengah Artikel 1

Iklan Tengah Artikel 2

Iklan Bawah Artikel