Iklan 300x250

40 york package unit wiring diagram

York Package Units Wiring Diagrams - Schematics Wiring ... York Package Units Wiring Diagrams - Schematics Wiring Diagram - York Air Handler Wiring Diagram Wiring Diagram consists of many in depth illustrations that show the link of assorted things. It contains instructions and diagrams for various varieties of wiring methods as well as other things like lights, windows, and so on. York Package Unit Wiring Diagram - PUPPYANDFRIEND A wiring diagram is a type of schematic which utilizes abstract photographic icons to show all the affiliations of parts in a system. York package unit wiring diagram exactly whats wiring diagram. York pcg4 series single package air conditionergas heat. A wiring diagram is a simplified standard pictorial depiction of an electrical circuit.

Older York unit, failed capacitor, need wiring ... Older York unit, failed capacitor, need wiring instructions for same. The diagram in unit has faded beyond recognition. - Answered by a verified HVAC Technician

York package unit wiring diagram

York package unit wiring diagram

York Package Unit Wiring Diagram Gallery - Wiring Collection York Package Unit Wiring Diagram Gallery. york package unit wiring diagram - Exactly What's Wiring Diagram? A wiring diagram is a type of schematic which utilizes abstract photographic icons to show all the affiliations of parts in a system. Electrical wiring diagrams are made up of two points: icons that stand for the elements in the… Commercial Packaged Rooftop Units | YORK® Packaged Rooftop Units Superior Efficiency, Greater Control, Unmatched Comfort. With a 3-150 ton capacity range and efficiency ratings as high as 17.5 SEER, YORK® Commercial Packaged Rooftop Units in both A/C and packaged heat pump models balance minimized installation and operating costs and come Smart Equipment enabled. York Rooftop Unit Wiring Diagram See unit wiring diagram. YORK Model D1NA and D2NA units are cooling/heating air con- ditioners designed for .. For roof top installation, be sure the structure will support the weight of the . ment wire must be of the type shown on the wiring diagram. Electrical line.York DNP Technical Manual.

York package unit wiring diagram. York Wiring Diagrams - WiringDiagramPicture diagram york package units wiring diagrams full version hd. solved my york treadmill t13i keeps displaying err 2 code. 2007 f150 trailer brake wiring diagram wiring diagram wave. 🏆 diagram in pictures database york rtu wiring diagrams. wire a thermostat. PDF Affinity™ Series Single Package Heat Pumps Bhp024 Thru 060 ... York® Affinity™ Series packaged heat pumps are designed for outdoor installation. Only utility and duct connections ... All wiring internal to the unit is color/number coded. CONTROLS Reliable demand defrost control provides defrost. ... Typical Wiring Diagram (460/575-3-60 Power Supply) . . . 30 Wiring Diagram For York Rooftop Unit, Msword Document Download York hvac wiring diagram best rooftop unit beautiful diagrams by of within package ac. The outdoor units are completely piped and wired at the fac. The resulting system power density is 10 mw/million ft2, as derived from an average module efficiency of 13.5%. York Package Unit Wiring Diagram - Free Wiring Diagram Collection of york package unit wiring diagram. A wiring diagram is a streamlined traditional photographic depiction of an electric circuit. It shows the parts of the circuit as streamlined shapes, and also the power and also signal connections in between the devices.

Wiring Diagram for York Rooftop Unit, Way Dimmer Wiring ... Wiring Diagrams Programmable Electronic Thermostat Wiring. 250 MW Solar PV IPP projects have been awarded which are likely to be commissioned by March 2015. Search Results For, York Rooftop Unit Wiring Diagram York Rooftop Unit Wiring Diagram. Explore Honda's line of cars, trucks, and hybrids. PDF TECHNICAL GUIDE GUIDE - HVAC Tech Support SINGLE PACKAGE AI R CONDITIONERS AND SINGLE PACKAGE GAS/ELECTRIC UNITS DH 078, 090, 102, 120 and 150 6-1/2, 7-1/2, 8-1/2, 10 and 12-1/2 NOMINAL TONS 10.0-11.5 EER TECHNICAL GUIDE GUIDE pendent economizer designs are used on side and down dis-DESCRIPTION ASHRAE 90.1 COMPLIANT YORK® Predator® units are convertible single packages with a York Package Unit Wiring Diagram Download - Wiring Diagram ... Wiring Diagram Pics Detail: Name: york package unit wiring diagram - Package Air Conditioning Unit Wiring Diagram New Unique York Air Handler Wiring Diagram Crest Best For. File Type: JPG. Source: rccarsusa.com. Size: 949.50 KB. Dimension: 2257 x 2236. PDF York Retail System Specific Wiring Diagrams A Brief Description of Low Voltage Terminals used on York units. 95% & 80% 1 Stage Multi-Tap Gas Furnace HW VP 8000 1 Stage HP 1 Stage HP. York System Wiring Diagram WD 1. Optional. Optional. NOTES: ... York System Wiring Diagrams WD 2. IAQ 9000. NOTES:

York Rooftop Unit Wiring Diagrams - 4K Wallpapers Review York Rooftop Unit Wiring Diagrams York Sunline 2000 D7cg 060 Operating Instructions Manualzz. York Rooftop Unit Wiring Diagrams. Suggested Wallpapers: Any content, trademark/s, or other material that might be found on the website that is not property remains the copyright of its respective owner/s. PDF INSTALLATION MANUAL - Johnson Controls Refer to unit application data found in this document. After installation, gas fired units must be adjusted to obtain a temperature rise within the range specified on the unit rating plate. If components are to be added to a unit to meet local codes, they are to be installed at the dealer's and/or customer's expense. PDF York Rooftop Wiring Diagrams - 128.199.78.207 June 20th, 2018 - York rooftop wiring diagrams along with wiring diagram also carrier totaline thermostat on in addition air conditioner wiring diagrams for sunline furthermore rheem package unit wiring diagram further rheem package unit wiring diagram together with 104419 heat pump electrical ponent checks furthermore tempstar wiring diagram ... I am in need of wiring diagrams for a York package unit. The 31 Oct 2019 — I am in need of wiring diagrams for a York package unit. The model is B3CH120A25A and serial is NLDM094307 - Answered by a verified HVAC ...1 answer · Top answer: Hi there, attached is one file for this unit with heat strips and one file for the unit with ...

Installation and service manuals for heating, heat pump, and ...

Installation and service manuals for heating, heat pump, and ...

York wiring diagrams by modelnumber, york hvac wiring ... I am in need of wiring diagrams for a york package unit. Dewalt servicenet - the official online store to purchase dewalt parts, porter cable parts, black and decker parts, and devilbiss parts. Using the electrical wiring diagram body electrical diagnosis - course l652 3 one of the keys to a quick and successful electrical diagnosis is ...

Commercial Equipment | YORK®

Commercial Equipment | YORK®

Installation Manual: YORK Sun Choice AV15 to AV28 1 Dec 2019 — Package. A = AC package R410A. B = Standard. C = Medium. D = High. Blower. Air volume ... Refer to the appropriate unit wiring diagram.164 pages

YPAL Design Level F Series 100 Single Package Units 120 through

YPAL Design Level F Series 100 Single Package Units 120 through

PDF TECHNICAL GUIDE Description YORK® ZJ/ZR/XP Series units are convertible single package high efficiency rooftops with a common roof curb for the 3, 4 and 5 Ton sizes. Although the units are primarily designed for curb mounting on a roof, they can also be slab-mounted at ground level or set on steel beams above a finished roof.

York Hvac Wiring Diagram Best Rooftop Unit Beautiful Diagrams ...

York Hvac Wiring Diagram Best Rooftop Unit Beautiful Diagrams ...

Rooftop Package Unit Diagram - Diagram World Packaged Rooftop Unit Diagram Page 1 Line 17qq Com. Place the adhesive backed wiring diagram on the low voltagesingle package gaselectric units and single package air conditioners dm 15 20 25 nominal tons 3 typical dm field wiring diagram 29 4 unit dimensions clearances 15 20 25 york commercial comfort system yccs rtu controller.

How to replace condensor fan motor? | DIY Home Improvement Forum

How to replace condensor fan motor? | DIY Home Improvement Forum

PDF Single Package Gas/Electric Air-cooled Air Conditioners SINGLE PACKAGE GAS/ELECTRIC AIR-COOLED AIR CONDITIONERS DAYA018 THRU 048 AND DBYA060 1-1/2 THRU 5 NOMINAL TONS 10 SEER / 80% AFUE DESCRIPTION These packaged cooling/heating air conditioners are de-signed for outdoor installation. Only utility and duct connec- ... All wiring internal to the unit is color/number

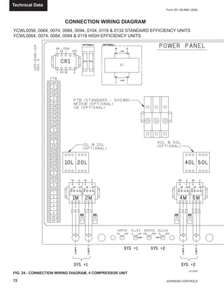
Manual do chiller York com condensação a agua ycwl

Manual do chiller York com condensação a agua ycwl

York Air Handler Wiring Diagram - buildingwiringcable Assortment of york package unit wiring diagram. York air handler wiring diagram. Go to adobe products by clicking the get acrobat reader image below. It shows the components of the circuit as streamlined shapes and the power and signal connections in between the devices. I demonstrate how easy it is to use the wiring diagram to figure out where ...

Set Fan Speed: Air Handler Blower Fan Speed Jumpers ...

Set Fan Speed: Air Handler Blower Fan Speed Jumpers ...

PDF Installation Manual 5020803-UIM-E-1115 Johnson Controls Unitary Products 5 Note: For units applied with a roof curb, the minimum clearance may be reduced from 1 inch to 1/2 inch? between combustible roof curb material and this supply air duct. FIGURE 3: Unit Dimensions Table 3: Unit Dimensions Model Dimensions AB C A24 51-1/4 35-3/4 47 A30 51-1/4 35-3/4 49

YORK R-410A INSTALLATION MANUAL Pdf Download | ManualsLib

YORK R-410A INSTALLATION MANUAL Pdf Download | ManualsLib

York Ac Unit Wiring Diagram - KIMRAESHIELDS York Package Units Wiring Diagrams Wiring Diagram . Diagram Pre Cooling Diagram York Full Version Hd Quality . Air Conditioner Wiring Diagram Likewise Ac Unit Wiring . York Furnace Too Loud Repair Help S1 02435647000 . Diagram Of Ac Package Unit Wiring Wiring Diagram . York Furnace Transformer Replacement S1 2940a3541

Power wiring detail, Figure 17 - electronic thermostat field ...

Power wiring detail, Figure 17 - electronic thermostat field ...

WIRING DIAGRAMS - Product Documentation WIRING DIAGRAMS Description YORK® ZE/XN Series units are convertible single package high efficiency rooftops with a common roof curb for the 3, 4, 5, and 6 Ton sizes. Although the units are primarily designed for curb mounting on a roof, they can also be slab-mounted at ground level or set on steel beams above a finished roof.

Diagram for York D1NA042N05606C - Fixya

Diagram for York D1NA042N05606C - Fixya

Residential Packaged Equipment | Packaged Units | YORK® Comfort and Quality in One Package. Compact and efficient, YORK® Residential Packaged Equipment consolidates all the components of traditional, split HVAC systems into a single unit that sits outside your house. With a variety of air conditioning and electric and gas heating combinations, these models fit a variety of needs.

Air Conditioner Controllers

Air Conditioner Controllers

York D1NA018, D2NA060 User Manual - ManualMachine.com Each unit must be wired with a separate branch circuit fed directly from the meter panel and properly fused. Refer to Figure 1 for typical field wiring and to the appropriate unit wiring diagram for control circuit and power wiring information. COMPRESSORS. Units are shipped with compressor mountings factory-adjusted for shipping.

York D2NA060 User Manual - Page 1 of 21 | Manualsbrain.com

York D2NA060 User Manual - Page 1 of 21 | Manualsbrain.com

York Rooftop Unit Wiring Diagram See unit wiring diagram. YORK Model D1NA and D2NA units are cooling/heating air con- ditioners designed for .. For roof top installation, be sure the structure will support the weight of the . ment wire must be of the type shown on the wiring diagram. Electrical line.York DNP Technical Manual.

Air Handling Unit An air handling unit (AHU) is a primary HVAC ...

Air Handling Unit An air handling unit (AHU) is a primary HVAC ...

Commercial Packaged Rooftop Units | YORK® Packaged Rooftop Units Superior Efficiency, Greater Control, Unmatched Comfort. With a 3-150 ton capacity range and efficiency ratings as high as 17.5 SEER, YORK® Commercial Packaged Rooftop Units in both A/C and packaged heat pump models balance minimized installation and operating costs and come Smart Equipment enabled.

Replacing two run capacitors with a single dual capacitor ...

Replacing two run capacitors with a single dual capacitor ...

York Package Unit Wiring Diagram Gallery - Wiring Collection York Package Unit Wiring Diagram Gallery. york package unit wiring diagram - Exactly What's Wiring Diagram? A wiring diagram is a type of schematic which utilizes abstract photographic icons to show all the affiliations of parts in a system. Electrical wiring diagrams are made up of two points: icons that stand for the elements in the…

YT Codepak Centrifugal Liquid Chillers Wiring Diagram Micro ...

YT Codepak Centrifugal Liquid Chillers Wiring Diagram Micro ...

York International YCJD36S41S1 YCJD Series 3 Tons 13.0 SEER R ...

York International YCJD36S41S1 YCJD Series 3 Tons 13.0 SEER R ...

York Onboard Air Compressor

York Onboard Air Compressor

WIRING DIAGRAM

WIRING DIAGRAM

ZE036 to 060 Sunline Packaged Rooftop Unit - Coowor.com

ZE036 to 060 Sunline Packaged Rooftop Unit - Coowor.com

York heat pump wiring help - DoItYourself.com Community Forums

York heat pump wiring help - DoItYourself.com Community Forums

Manual do chiller York com condensação a agua ycwl

Manual do chiller York com condensação a agua ycwl

Ad Aged: How work gets done. And why.

Ad Aged: How work gets done. And why.

take a look at this wiring diagram

take a look at this wiring diagram

Contactors for Air Conditioners and Heat Pumps

Contactors for Air Conditioners and Heat Pumps

YORK® Direct Fit™ Rooftop Units Overview

YORK® Direct Fit™ Rooftop Units Overview

High Static Fan Coil Units

High Static Fan Coil Units

YORK STELLAR 2000 H*DA012 TECHNICAL MANUAL Pdf Download ...

YORK STELLAR 2000 H*DA012 TECHNICAL MANUAL Pdf Download ...

YORK® GRANDE CONCEALED DUCTED SPLIT SYSTEM - SIDE DISCHARGE

YORK® GRANDE CONCEALED DUCTED SPLIT SYSTEM - SIDE DISCHARGE

York YHJF60 Installation manual | Manualzz

York YHJF60 Installation manual | Manualzz

Coldstorage Power Wiring With Diagram Full Video ...

Coldstorage Power Wiring With Diagram Full Video ...

info needed: No. 2 Mk. II* wiring diagram - MLU FORUM

info needed: No. 2 Mk. II* wiring diagram - MLU FORUM

E-Link Gateway Installation Instructions

E-Link Gateway Installation Instructions

Wiring of a Single-Stage Heat Pump

Wiring of a Single-Stage Heat Pump

I have a single stage Goodman GSH130421AE electric heat pump ...

I have a single stage Goodman GSH130421AE electric heat pump ...

Temperzone News - Frequently Asked Questions

Temperzone News - Frequently Asked Questions

Types of Air Conditioners | EGEE 102: Energy Conservation and ...

Types of Air Conditioners | EGEE 102: Energy Conservation and ...

November | 2012 | York Central Tech Talk

November | 2012 | York Central Tech Talk

New Wiring Diagram Kompresor Ac #diagram #diagramtemplate ...

New Wiring Diagram Kompresor Ac #diagram #diagramtemplate ...

Electrical Installation

Electrical Installation

Heat Pump Thermostat Wiring Chart Diagram Quality 101

Heat Pump Thermostat Wiring Chart Diagram Quality 101

0 Response to "40 york package unit wiring diagram"

Post a Comment

Iklan Atas Artikel

Iklan Tengah Artikel 1

Iklan Tengah Artikel 2

Iklan Bawah Artikel