Iklan 300x250

40 stanadyne injection pump parts diagram

stanadyne.com › dealerportal › ssiINJECTION PUMP SPECIFICATION - Stanadyne a. check transfer pump pressure for 16 psi minimum. b. check housing pressure for 2.0-10.0 psi. c. check fuel delivery for 100.0 mm3/stroke minimum. 9. 1500 rpm: (lossop: 10.0°, spw: 9.71°) check transfer pump pressure for 100 psi minimum. 10. 3000 rpm: (lossop: 9.0°, spw: 9.00°) a. run pump long enough to stabilize return temperature 46.6 ... Thank you for your interest in - wohnart-coesfeld.de Hino jo8c injector pump timing [email protected] [email protected] 5151 - we have over 4 million registered customers who enjoy high-performance hardware, peripherals, and software at the best prices online. - gamers from pros to newbies rely on us to provide them with the latest components, gaming laptops and desktop PCs. ...

› captainStanadyne Injector Pump - Boat Parts Catalog Stanadyne Injector Pump. Are you looking for Captain online? Trying to find Stanadyne Injector Pump or relevant listings? Our website displays a great variety of Stanadyne Injector Pump, with products such as Motor, Marine, Mercury, Driveshaft, and lots extra.

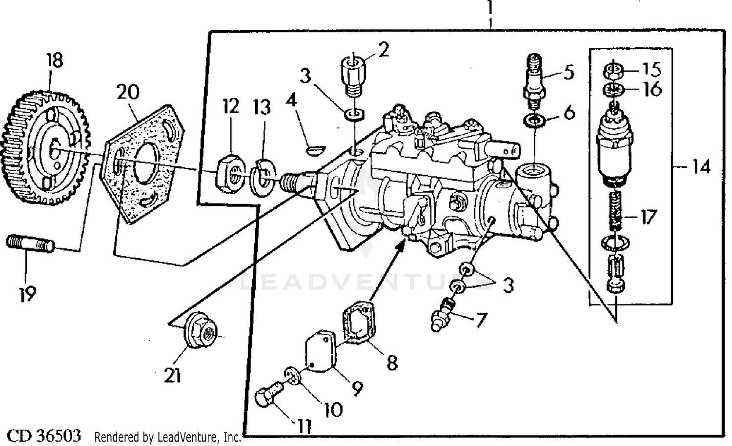
Stanadyne injection pump parts diagram

Stanadyne injection pump parts diagram

Cummins Diesel Engine » 2022 » April » 11 cummins engine model fd-1060 parts diagram; ... bosch charger complete computer core cover cummins delete diesel dodge engine engines filter fits fuel gasket harness holset injection injector isx15 manual marine miles module motor part plate programmed pump rebuild repair service shop tested transmission truck turbo turbocharger valve wiring. rainerjaeger.de Perkins Injection Pump Stanadyne Db46275811 T660 12v Electronic Governor 05811 PERKINS FUEL INJECTION PUMP KIT UFK3C733 (REPLACEMENT PARTS), OEMNO:UFK3C733, Application:PERKINS 1004, 1006, Find detailed product information for PERKINS FUEL INJECTION PUMP KIT UFK3C733 (REPLACEMENT PARTS) and other products from Engine … VALTRA 6000 WORKSHOP MANUAL Pdf Download | ManualsLib Fuel Injection Pump (Bosch P-- Pump) on 8950 Tractor. 98. ... Specifications with Stanadyne Distributor Pump. 103. Stanadyne Distributor Pump. 104. Fuel System with Distributor Pump. 104. Maintenance. 105. Construction. 106. Possible Equipment on Stanadyne Distributor Pump ... Component List for Wiring Diagram. 404. Calibrating the Speed ...

Stanadyne injection pump parts diagram. › stanadyne-pumpsStanadyne Pumps - Spare Parts for Conventional Injection ... STANADYNE BUSH(Ref/- 32980A) STAR Ref. 34099/14. Pkg: 1. CODE REFERENCES. Spare parts which make part of “STAR” exclusive, though they are not genuine they are interchangeable with genuine ones.Manufacturer’s reference numbers have only an indicative purpose. Any reference to genuine brand (such as DELPHI, BOSCH, DENSO,SIEMENS,CATERPILLAR ... stanadyne.com › dealerportal › ssiINJECTION PUMP SPECIFICATION - Stanadyne 1000 rpm (wot): operate pump for 10 minutes to bring to operating temperature and clear air from system. pump settings: (cont'd.) 6. 700 rpm (l.i): a. adjust transfer pump pressure for 58-60 psi. b. with governor cover removed, adjust min.-max. gov. assembly for 12-14 mm³/stroke. (fuel reading with cover installed.) check housing for 8-12 psi. frosinonefutsalfemminile.it Oct 15, 2020 - Explore Diesel Parts's board "feed pump" on Pinterest. series 180 350 kw, isuzu 5 2 diesel timing a 5 2l isuzu 4hk engine was started in late 2004 to 2007 it was common rail fuel system which did away with the big bulky mechanical injection pump and went to a, we carry a wide choice of top notch isuzu rodeo fuel system parts ... VALTRA 6000 WORKSHOP MANUAL Pdf Download | ManualsLib Fuel Injection Pump (Bosch P-- Pump) on 8950 Tractor. 98. ... Specifications with Stanadyne Distributor Pump. 103. Stanadyne Distributor Pump. 104. Fuel System with Distributor Pump. 104. Maintenance. 105. Construction. 106. Possible Equipment on Stanadyne Distributor Pump ... Component List for Wiring Diagram. 404. Calibrating the Speed ...

rainerjaeger.de Perkins Injection Pump Stanadyne Db46275811 T660 12v Electronic Governor 05811 PERKINS FUEL INJECTION PUMP KIT UFK3C733 (REPLACEMENT PARTS), OEMNO:UFK3C733, Application:PERKINS 1004, 1006, Find detailed product information for PERKINS FUEL INJECTION PUMP KIT UFK3C733 (REPLACEMENT PARTS) and other products from Engine … Cummins Diesel Engine » 2022 » April » 11 cummins engine model fd-1060 parts diagram; ... bosch charger complete computer core cover cummins delete diesel dodge engine engines filter fits fuel gasket harness holset injection injector isx15 manual marine miles module motor part plate programmed pump rebuild repair service shop tested transmission truck turbo turbocharger valve wiring.

STANADYNE DE WATER PUMP OPERATION AND INSTRUCTION MANUAL ...

STANADYNE DE WATER PUMP OPERATION AND INSTRUCTION MANUAL ...

Stanadyne - Roosa Master Remanufactured Fuel Injection Pump DB2-4451

Stanadyne - Roosa Master Remanufactured Fuel Injection Pump DB2-4451

1169 - COMBINE FUEL INJECTION PUMP

1169 - COMBINE FUEL INJECTION PUMP "STANADYNE" [01E14] EPC ...

SB 373AR5.pub

SB 373AR5.pub

Someone familiar w/ Onan MDL3 - Stanadyne injector pump ...

Someone familiar w/ Onan MDL3 - Stanadyne injector pump ...

Stanadyne Roosa Master Fuel Injection Pump (Re-Built ...

Stanadyne Roosa Master Fuel Injection Pump (Re-Built ...

580B) - CASE CONSTRUCTION KING WHEEL TRACTOR W/HYDROSTATIC ...

580B) - CASE CONSTRUCTION KING WHEEL TRACTOR W/HYDROSTATIC ...

Cadillac Eldorado - E INJECTION PUMP/FUEL-TYPICAL (ROOSA ...

Cadillac Eldorado - E INJECTION PUMP/FUEL-TYPICAL (ROOSA ...

roosa master parts diagrams - AnthonyHeld1's blog

roosa master parts diagrams - AnthonyHeld1's blog

450J - DOZER, CRAWLER SERVICE KITS- FUEL INJECTION PUMP ...

450J - DOZER, CRAWLER SERVICE KITS- FUEL INJECTION PUMP ...

FUEL INJECTION PUMP REPLACEMENT PARTS (STANADYNE NO ...

FUEL INJECTION PUMP REPLACEMENT PARTS (STANADYNE NO ...

Pin on Products

Pin on Products

FUEL INJECTION PUMP REPLACEMENT PARTS (STANADYNE NOS. DB2635 ...

FUEL INJECTION PUMP REPLACEMENT PARTS (STANADYNE NOS. DB2635 ...

732 Stanadyne rotary distributor pumps - Electronic Control

732 Stanadyne rotary distributor pumps - Electronic Control

Stanadyne 6.2 6.5 5.7 6.9 Diesel Injection DB2 Pump Overhaul Kit 24370 (OEM)

Stanadyne 6.2 6.5 5.7 6.9 Diesel Injection DB2 Pump Overhaul Kit 24370 (OEM)

Stanadyne Injection Pump Fits Waukesha Diesel Fuel Engine ...

Stanadyne Injection Pump Fits Waukesha Diesel Fuel Engine ...

Stanadyne Fuel Pumps 1982-1983 GM 6.2L HD C/K & P TRUCK - DB2829-4153

Stanadyne Fuel Pumps 1982-1983 GM 6.2L HD C/K & P TRUCK - DB2829-4153

Fuel Pumps/Injectors - Used and Reconditioned - Blount Parts LLC

Fuel Pumps/Injectors - Used and Reconditioned - Blount Parts LLC

GMC JIMMY - RV INJECTION PUMP/FUEL DIESEL-TYPICAL (STANADYNE ...

GMC JIMMY - RV INJECTION PUMP/FUEL DIESEL-TYPICAL (STANADYNE ...

Stanadyne DB2 Injection Pump - How It Works

Stanadyne DB2 Injection Pump - How It Works

Stanadyne Fuel Pump Custom Cut-Away - NADA Scientific

Stanadyne Fuel Pump Custom Cut-Away - NADA Scientific

Stanadyne DB PDF | PDF

Stanadyne DB PDF | PDF

John Deere 2150 TRACTOR -PC4182 FUEL INJECTION PUMP: FUEL & AIR

John Deere 2150 TRACTOR -PC4182 FUEL INJECTION PUMP: FUEL & AIR

310G - BACKHOE, LOADER FUEL INJECTION PUMP, STANADYNE DE10 ...

310G - BACKHOE, LOADER FUEL INJECTION PUMP, STANADYNE DE10 ...

1994 6.5 Wont start - Page 4 - Diesel Bombers

1994 6.5 Wont start - Page 4 - Diesel Bombers

Be the Fuel.wmv

Be the Fuel.wmv

Stanadyne 6.5 Electronic Injection Pump

Stanadyne 6.5 Electronic Injection Pump

90cc (250hp) DB2 Injection Pump Rebuild – Classic Diesel Designs

90cc (250hp) DB2 Injection Pump Rebuild – Classic Diesel Designs

LINKAGE FOR FUEL INJECTION PUMP (STANADYNE) - TRACTOR John ...

LINKAGE FOR FUEL INJECTION PUMP (STANADYNE) - TRACTOR John ...

STANADYNE DB4 OPERATION MANUAL Pdf Download | ManualsLib

STANADYNE DB4 OPERATION MANUAL Pdf Download | ManualsLib

Amazon.com: MaySpare Fuel Shut Off Solenoid 26214 for ...

Amazon.com: MaySpare Fuel Shut Off Solenoid 26214 for ...

Fuel Injection Pump DB2335-6089 for Stanadyne

Fuel Injection Pump DB2335-6089 for Stanadyne

Someone familiar w/ Onan MDL3 - Stanadyne injector pump ...

Someone familiar w/ Onan MDL3 - Stanadyne injector pump ...

Db4429-6133 Fuel Injection Pump For Stanadyne - Fuel Pumps ...

Db4429-6133 Fuel Injection Pump For Stanadyne - Fuel Pumps ...

Stanadyne DB, JDB and DB2 Pump Removal and Installation ...

Stanadyne DB, JDB and DB2 Pump Removal and Installation ...

Stanadyne - Roosa Master Remanufactured Fuel Injection Pump DB4-5421

Stanadyne - Roosa Master Remanufactured Fuel Injection Pump DB4-5421

Stanadyne DB2 and DB4 Pump Removal and Installation – Diesel ...

Stanadyne DB2 and DB4 Pump Removal and Installation – Diesel ...

BRAKE FLUID COMPATIBILITY WITH HARDWARE

BRAKE FLUID COMPATIBILITY WITH HARDWARE

Stanadyne Roosa Master Fuel Injection Pump - Oshkosh Equipment

Stanadyne Roosa Master Fuel Injection Pump - Oshkosh Equipment

DB2FS Body

DB2FS Body

0 Response to "40 stanadyne injection pump parts diagram"

Post a Comment

Iklan Atas Artikel

Iklan Tengah Artikel 1

Iklan Tengah Artikel 2

Iklan Bawah Artikel