Iklan 300x250

39 cub cadet pto belt diagram

How to Change the PTO Belt on Your Riding Lawn ... - Cub Cadet Step 2: Set your mower's deck height to the lowest setting. Step 3: Remove both belt covers. Use a 3/8" socket or wrench to remove the belt covers from the deck. Remove all 6 screws. Step 4: Remove the belt from the spindle pulleys. Using a 9/16" socket or wrench pull the idler pulley arm forward to release the belt tension. Cub Cadet Rzt 50 Deck Belt Diagram - Diagram Niche Ideas Cub cadet rzt 50 deck belt diagram. Cub cadet rzt® mowers with 50 decks. To perform deck maintenance tasks, such as replacing the deck drive belt or caring for the blade, you must first remove the park the cub cadet rzt 50 on a flat surface, such as in a garage or level driveway. Deck belt (not the one going to the pto).

Cub cadet lt1018 pto belt diagram Cub cadet lt1018 pto belt diagram. Huge in-stock inventory of OEM Cub Cadet parts. Parts lookup and repair parts diagrams for outdoor equipment like Toro mowers Cub Cadet tractors Husqvarna chainsaws Echo trimmers Briggs engines etc. We have manuals guides and of course parts for common LT1018 problems. This model has more than one variation.

Cub cadet pto belt diagram

Cub cadet pto belt diagram

PTO Belt - 01009211P | Cub Cadet US PTO Belt. Item#: 01009211P. $45.82. Availability: Delivery in 8-10 days. Pick up in 6-8 days. Ship to home in 8-10 days. Cub cadet model 190-281-100 belt diagram - Ask Me Help Desk New Member. Jul 29, 2010, 01:49 PM. Cub cadet model 190-281-100 belt diagram. I need a diagram for the belt routing on my 48 in deck replaced two idler pulleys and put new blades on it and have the new belt the old one snapped and trying to put the new one on. mekanic68. View Public Profile. Cub Cadet Z-Force Zero Turn Belt Diagram Cub Cadet Z Force 44 Pto Belt Diagram. 30 Cub Cadet Zero Turn Drive Belt Diagram - Wiring Diagram Database. Cub Cadet Z Force 50 Drive Belt Diagram - General Wiring Diagram. 30 Cub Cadet Z Force 48 Pto Belt Diagram - Wiring Diagram Database. Cub Cadet Z-Force 50 (17AF3AGP010) - Cub Cadet 50" Z-Force Zero-Turn ...

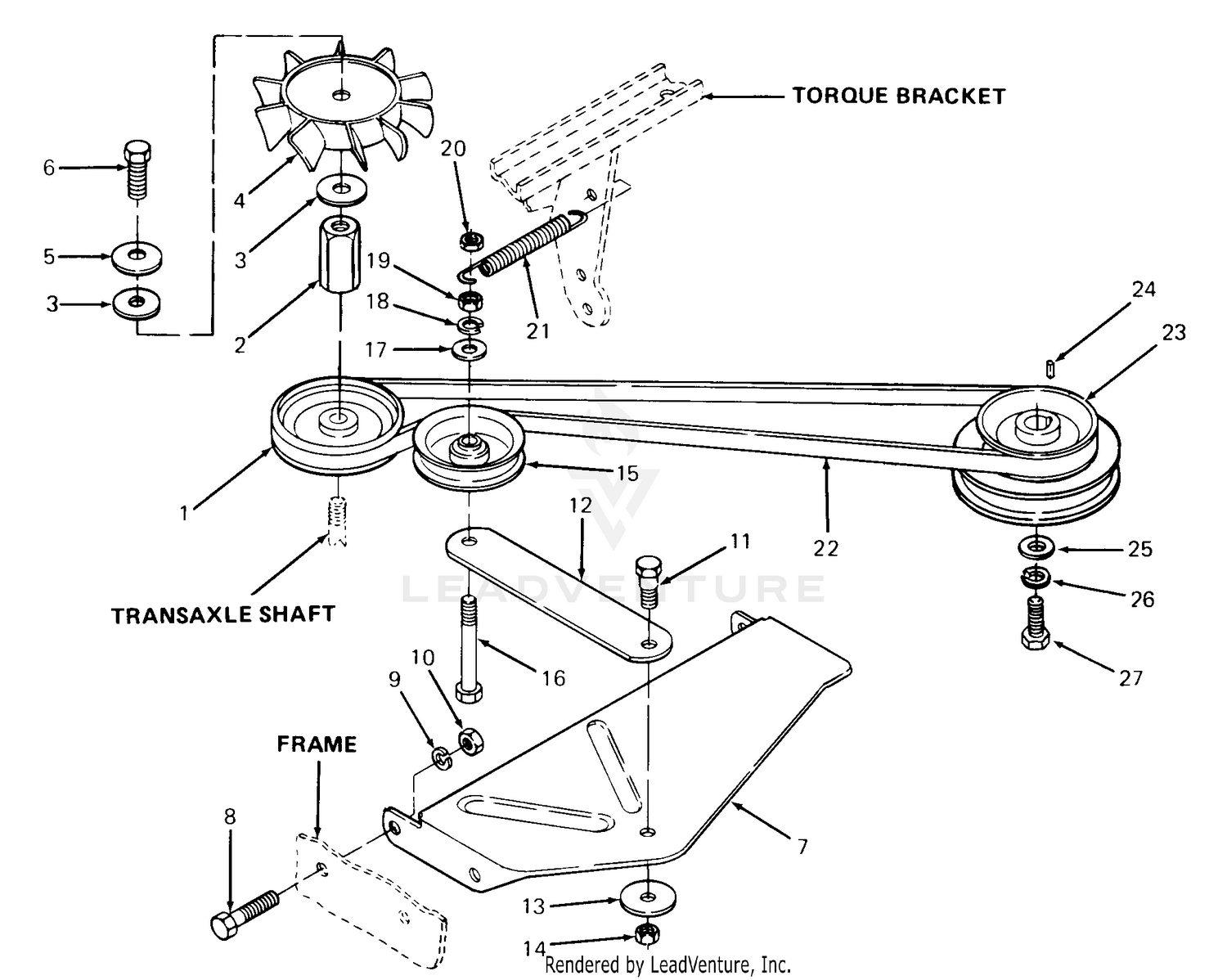
Cub cadet pto belt diagram. Installation, Repair and Replacement of v-belts on Cub ... Diagram of drive belt Diagram given on Cub Cadet illustrated parts list (#5). Engine pulley is seen at right; transmission pulley at left. #6. Deck belts Viewed from the engine pulley, the upper belt is the primary blade belt (#6). The lower belt is the secondary blade belt. #7. Blade belt - right side view LT 1018 (13AL11CG712) - Cub Cadet 42" Lawn Tractor Parts ... LT 1018 (13AL11CG712) - Cub Cadet 42" Lawn Tractor Parts & Diagrams Parts Lists & Diagrams. 42" Lawn Tractor. Recommended Parts Show $ $ $ $ $ $ $ $ $ $ $ LT 1018 (13AL11CG712) - Cub Cadet 42" Lawn ... Power Take-Off (PTO) System. Steering. Transmission 618-0319 DD Axle. Transmission 618-0667A Splined Axle. Wheels. Cub Cadet Parts Diagrams, Cub Cadet CC30H Hydro Mini Rider ... Buy Genuine OEM Cub Cadet parts for your Cub Cadet CC30H Hydro Mini Rider (13B721JD010) (2018) and ship today! Huge in-stock inventory of OEM Cub Cadet parts. International Harvester IH Cub Cadet CubCadet MTD CCC Parts Diagrams, mowers, attachments and sell Genuine OEM parts for Cub Cadets We also carry Kohler engine parts, OEM Seats, Brinly Sleeve hitch and Cat. 0 3 point hitches, Duff Norton electric lift parts, Case IH and Cub Cadet paint and decals. IH Cub Cadet Mufflers, exhaust system parts as well as drive clutch and PTO clutch parts.

Cub Cadet Lt1018 Pto Belt Diagram How to Change the PTO Belt on a Cub Cadet Riding Lawn Mower. Step 1 - Prepare for PTO belt repair. Place your riding lawn mower on a flat, level surface. Turn the engine off and make sure it is cool. Remove the ignition key and disconnect the spark plug ignition wire. Be sure PTO lever is disengaged and engage the parking break. Cub Cadet Parts Diagrams Cub Cadet Parts Diagrams Cub Cadet Parts Manuals Cub Cadet lawn care equipment has been built to last through the harshest of weather conditions. They are a leader in building smart outdoor power equipment with advancements that make their products better, and provide a better user experience. Cub Cadet equipment is award-winning. Cub Cadet Z Force 48 Pto Belt Diagram - schematron.org Z-Force ® L/LX Series How to Change the PTO Belt on a Cub Cadet Riding Lawn Mower. The PTO (or power take-off) belt is part of a pulley system that operates the blades on your riding lawn mower. It runs off the electric clutch system in your engine. If you hear squealing during operation or see dry rot on your PTO belt, you may need to. Cub Cadet Z Force 44 Pto Belt Diagram - wiringall.com Cub Cadet Z Force 44 Pto Belt Diagram wiringall.com?FORM=UP97DF&PC=UP97&q=pto+belt+routing+ on+the+mtd+z+force+44+in+cut+zero+turn+mower. Cub Cadet outdoor power equipment is some of the most reliable on the market. Your Z-Force 44 model is fit with a 20HP 2-cylinder Briggs & Stratton engine. 20HP Z-Force 44 Lawn Mower pdf manual download.

Cub Cadet Pto Belt Diagram - Hanenhuusholli 266 Cub cadet pto belt diagram. How to change the deck belt on cub cadet riding lawn mower using model. Turn the mower on put the ptoblade. However sometimes the belt slips off for no apparent reason. Place your riding lawn mower on a flat level surface. Ltx 1040 lawn tractor. Whether you choose an rzt or z force model youll be in good hands. 2155 (13B-244G100) - Cub Cadet Garden Tractor (SN: 326006 ... 2155 (13B-244G100) - Cub Cadet Garden Tractor (SN: 326006 & Above) Parts & Diagrams Parts Lists & Diagrams. Garden Tractor. Recommended Parts Show $ $ $ $ $ $ 2155 (13B-244G100) - Cub Cadet Garden Tractor (SN ... PTO Clutch. Rear Wheel. Seat And Support. Seat Service Kit 759-04299. Starting System. Pto Belts Cub Cadet 1042 - cub cadet 2000 series with 38 ... Pto Belts Cub Cadet 1042 - 15 images - how to change the pto belt on a cub cadet riding lawn, spindle assembly for cub cadet, pto belt cub cadet 44 48 inch deck 208 301 2518 44 2518 48, cub cadet pto clutch upgrade 5217 32 5217 43 w wire, 2166 shredded PTO belt - Only Cub Cadets! Apr 12, 2008 #1. 2008-04-12T02:18. Yesterday my 2166 shredded it's PTO belt. The belt was so hot it was too hot to touch. There was no squeeling to indicate a locked up pulley. Today I took the time to pull the deck and inspect the spindles and idler pullies. All spun freely & smoothly.

Cub Cadet 1320 S/N 147,008 - 207,400 130-232-100 131-232F100 ...

Cub Cadet 1320 S/N 147,008 - 207,400 130-232-100 131-232F100 ...

Cub Cadet Parts Diagrams, Cub Cadet XT1-LT50 Tractor ... Buy Genuine OEM Cub Cadet parts for your Cub Cadet XT1-LT50 Tractor (13AQA1CQ056) (2018) and ship today! Huge in-stock inventory of OEM Cub Cadet parts.

Can you show me the belt routing diagram for a Cub Cadet 46 ...

Can you show me the belt routing diagram for a Cub Cadet 46 ...

Cub Cadet Lt1050 Pto Clutch Diagram | vincegray2014 Cub Cadet Pto Clutch Adjustment Tool. Clutch Push Rod Diagram. Cub Cadet Mower Deck Diagram. Cub Cadet 1045 Deck Diagram. Cub Cadet Deck Parts Diagram. Cub Cadet Lt50 Belt Diagram. Cub Cadet Ltx1040 Deck Diagram. Cub Cadet 1045 Deck Belt Diagram. Cub Cadet 1554 Mower Deck Belt Diagram.

Cub Cadet Z-Force 48 S 17AI5BHB603 (2011) Electric clutch ...

Cub Cadet Z-Force 48 S 17AI5BHB603 (2011) Electric clutch ...

Cub cadet 44 mower deck belt diagram Install and route the new belt according to the routing diagram. This is the specific diagram for your mower that gives the order for replacing the belt around the pulleys on your Cub Cadet lawn mower. Use a 38 socket or wrench to remove the belt covers from the deck. CUB CADET DECK BELT FOR 44.

SOLVED: Cub Cadet 1525 belt diagram - Fixya

SOLVED: Cub Cadet 1525 belt diagram - Fixya

Cub Cadet Z Force 48 Pto Belt Diagram Cub Cadet Z Force 48 Pto Belt Diagram Displaying Label Map parts for the Cub Cadet Z-Force 48 (17BF3AGV, 17BF3AGV) - Cub Cadet Z-Force 48" Zero-Turn Mower, LABEL-PTO BELT ROUTE. Cub Cadet Z-Force Diagrams and Manuals. Shop for Cub Cadet Z-Force 48 Parts. Factory Direct from Cub Cadet. Z-Force Form No.

Cub Cadet Original Equipment Deck Drive Belt for Select 54 in ...

Cub Cadet Original Equipment Deck Drive Belt for Select 54 in ...

Cub Cadet 1018 Belt Diagram - Wiring Diagrams Cub Cadet 1018 Belt Diagram. Cub Cadet LT Diagrams and Manuals. Shop for Cub Cadet LT Parts. Factory Direct from Cub Cadet. Figure Figure Changing The Transmission Drive Belt. NOTE: An air/ impact wrench is needed to remove the. electric PTO and properly replace the drive. wiringall.com - Order Genuine Cub Cadet Parts for the Cub Cadet LT ...

Cub cadet lt1050 deck belt diagram

Cub cadet lt1050 deck belt diagram

Cub Cadet Pto Belt Diagram - schematron.org You can find a diagram here schematron.org but you will have to use the correct model number that is under the seat. Click on Cub Cadet. How to Replace the PTO Drive Belt on a Cub Cadet Riding Lawn Mower. Find the belt diagram on the left side of the mowing deck or view the owner's manual. Cub Cadet Manual Online: Changing The Deck Belt (s).

Buy CUB CADET 01002391P Idler PTO Belt 44

Buy CUB CADET 01002391P Idler PTO Belt 44" Deck Z Force 44 18 ...

3185 (14A-665-100) - Cub Cadet Garden Tractor Front PTO ... Front PTO diagram and repair parts lookup for Cub Cadet 3185 (14A-665-100) - Cub Cadet Garden Tractor

Cub cadet 3206 PTO belt pops off - YouTube

Cub cadet 3206 PTO belt pops off - YouTube

Cub Cadet Zero Turn Mower Diagrams - Cub Cadet Parts N More Cub Cadet Zero Turn Mower Diagrams Cub Cadet Zero-Turn Mower Manuals Prepare yourself for comfort and performance from your Cub Cadet zero-turn mower. Powered by a Kawasaki or Kohler engine, you can choose a cutting width anywhere from 42-60 inches.

Cub Cadet Hds 2185 Pto Belt on Sale, UP TO 57% OFF | www ...

Cub Cadet Hds 2185 Pto Belt on Sale, UP TO 57% OFF | www ...

32 Cub Cadet Z Force 48 Pto Belt Diagram - Wiring Diagram ... Cub Cadet Lt1018 Pto Belt Diagram - General Wiring Diagram. Poulan Featherlite SST Parts Diagram for Drive Shaft ... Cub Cadet Z Force 44 Deck Belt Diagram - Belt Poster. Kawasaki KC100C5 1987 USA MUFFLER - buy original MUFFLER ... Cub Cadet Z-Force SX48 KW FAB (17RIDGJB010) - Cub Cadet 48" Z-Force S ...

Replace deck belt on 1170 cub cadet | My Tractor Forum

Replace deck belt on 1170 cub cadet | My Tractor Forum

How to Change the PTO Belt on a Cub Cadet Riding Lawn ... About Press Copyright Contact us Creators Advertise Developers Terms Privacy Policy & Safety How YouTube works Test new features Press Copyright Contact us Creators ...

SOLVED: I need a belt diagram for a cub cadet 2155 - Fixya

SOLVED: I need a belt diagram for a cub cadet 2155 - Fixya

I need a diagram of pto belt replacement on z force 44 ... I need a diagram of pto belt replacement on z force 44. Cub Cadet PTO problems. 53aa5b6l710. Just started haven't. blades spin all the time-kills motor when you pull pto knob to engage pto-kills motor when you pull stearin good arms in … read more.

CUB CADET Lawn, Tractor Manual L0403367

CUB CADET Lawn, Tractor Manual L0403367

Cub Cadet Z-Force Zero Turn Belt Diagram Cub Cadet Z Force 44 Pto Belt Diagram. 30 Cub Cadet Zero Turn Drive Belt Diagram - Wiring Diagram Database. Cub Cadet Z Force 50 Drive Belt Diagram - General Wiring Diagram. 30 Cub Cadet Z Force 48 Pto Belt Diagram - Wiring Diagram Database. Cub Cadet Z-Force 50 (17AF3AGP010) - Cub Cadet 50" Z-Force Zero-Turn ...

Riding Mower PTO Belt

Riding Mower PTO Belt

Cub cadet model 190-281-100 belt diagram - Ask Me Help Desk New Member. Jul 29, 2010, 01:49 PM. Cub cadet model 190-281-100 belt diagram. I need a diagram for the belt routing on my 48 in deck replaced two idler pulleys and put new blades on it and have the new belt the old one snapped and trying to put the new one on. mekanic68. View Public Profile.

Need instructions on drive belt replace for cub cadet super ...

Need instructions on drive belt replace for cub cadet super ...

PTO Belt - 01009211P | Cub Cadet US PTO Belt. Item#: 01009211P. $45.82. Availability: Delivery in 8-10 days. Pick up in 6-8 days. Ship to home in 8-10 days.

682 Deck Belt | IH Cub Cadet Tractor Forum

682 Deck Belt | IH Cub Cadet Tractor Forum

Z-force S60 Drive Belt Installation - Cub Cadet Z Force S 60

Z-force S60 Drive Belt Installation - Cub Cadet Z Force S 60

Cub Cadet Z-Force L48 Camo (2015) 17CSDALB009 (2015 ...

Cub Cadet Z-Force L48 Camo (2015) 17CSDALB009 (2015 ...

331 (190-331-100) - Cub Cadet 38

331 (190-331-100) - Cub Cadet 38" Mower Manual PTO Parts ...

301 - 48

301 - 48" Mower Deck - Belt Rub on Hanger Bracket - Only Cub ...

Cub Cadet Z-Force B&S Intek | 48 | eReplacementParts.com

Cub Cadet Z-Force B&S Intek | 48 | eReplacementParts.com

Transmission Belt / Fan Replacement Cub Cadet LTX1045 : 9 ...

Transmission Belt / Fan Replacement Cub Cadet LTX1045 : 9 ...

cub cadet drive belt> OFF-74%

cub cadet drive belt> OFF-74%

Cub Cadet 2166 (13A-254G100) - Cub Cadet Garden Tractor PTO ...

Cub Cadet 2166 (13A-254G100) - Cub Cadet Garden Tractor PTO ...

NEW CUB CADET 01005012 01005012P PTO BELT 5/8 X ...

NEW CUB CADET 01005012 01005012P PTO BELT 5/8 X ...

Deck Installation | Cub Cadet TANK S 60 | Z-Force S ...

Deck Installation | Cub Cadet TANK S 60 | Z-Force S ...

Cub Cadet 2166 Lawn Mower User Manual | Manualzz

Cub Cadet 2166 Lawn Mower User Manual | Manualzz

SOLVED: Cub cadet m60-kh the PTO belt keeps jumping off - Fixya

SOLVED: Cub cadet m60-kh the PTO belt keeps jumping off - Fixya

PTO Clutch For Cub Cadet LT-1018 Lawn Mower Parts Lawn Mowers ...

PTO Clutch For Cub Cadet LT-1018 Lawn Mower Parts Lawn Mowers ...

Cub Cadet Z Force 44 Deck Belt | Online www ...

Cub Cadet Z Force 44 Deck Belt | Online www ...

Cub Cadet Z-Force 44 Kohler 17AF3AGL 17AF3AGL010 Deck ...

Cub Cadet Z-Force 44 Kohler 17AF3AGL 17AF3AGL010 Deck ...

Model 1527, Changing the transmission drive belt | Cub Cadet ...

Model 1527, Changing the transmission drive belt | Cub Cadet ...

Cub Cadet Original Equipment Deck Drive Belt for Select 42 in ...

Cub Cadet Original Equipment Deck Drive Belt for Select 42 in ...

Cub Cadet 42 in. PTO Belt, CC-754-3055A at Tractor Supply Co.

Cub Cadet 42 in. PTO Belt, CC-754-3055A at Tractor Supply Co.

Cub Cadet Enforcer 48 fab deck, drive belt routing help ...

Cub Cadet Enforcer 48 fab deck, drive belt routing help ...

Cub Cadet 3240 Tractor 14A-602-100 14A-656-100 Front Pto ...

Cub Cadet 3240 Tractor 14A-602-100 14A-656-100 Front Pto ...

Rear Attachment for Belt Driven Mower? | OrangeTractorTalks ...

Rear Attachment for Belt Driven Mower? | OrangeTractorTalks ...

Cub Cadet 2182 54

Cub Cadet 2182 54" Mower Deck Belt Routing... | My Tractor Forum

Cub Cadet Z-Force 50 - took the deck off, replaced the blades ...

Cub Cadet Z-Force 50 - took the deck off, replaced the blades ...

Diagram(s) and/or PartsList(s)

Diagram(s) and/or PartsList(s)

0 Response to "39 cub cadet pto belt diagram"

Post a Comment

Iklan Atas Artikel

Iklan Tengah Artikel 1

Iklan Tengah Artikel 2

Iklan Bawah Artikel