Iklan 300x250

41 poulan pro bvm200vs fuel line diagram

Poulan pro PBV 200 fuel line diagram - Fixya Oct 26, 2012 — Poulan pro PBV 200 fuel line diagram Plastic linek in tank broke - Garden question. SOLVED: Diagram of fuel lines poulan pro blower - Fixya Put your model number into goggle and search for a fuel line diagram and you should be able to find what you are looking for. Hope this helps.

How to replace leaf blower fuel lines | Repair guide This basic procedure works for replacing MTD, Husqvarna, Poulan, Weed Eater, Troybilt and Craftsman leaf blower fuel lines. If the engine won't start after replacing leaky leaf blower gas lines, you may need to rebuild the carburetor, following the instructions in How to Rebuild a Leaf Blower Carburetor .

Poulan pro bvm200vs fuel line diagram

Poulan pro bvm200vs fuel line diagram

How to replace fuel line on poulan bmv 200 leaf blower - Fixya Mar 28, 2013 — When replacing fuel line, make sure that you have the correct size lines. Depending on the size of your engine, the lines may vary in size. BVM200VS Poulan Leaf Blower Parts & Free Repair Help ... Narrow your search down by symptom and read the amazing step by step instructions and troubleshooting tips for Poulan model BVM200VS from do-it-yourselfers just like you. We have use and care manuals for Poulan model BVM200VS and our expert installation videos for Poulan model BVM200VS below will help make your repair very easy. How to replace the two rotten fuel lines on Poulan Pro PVB200 I have no diagram but here are the instructions on how it goes. The small diameter line out of fuel tank (has filter in-tank on end) connects directly to the ...

Poulan pro bvm200vs fuel line diagram. I have a poulan pro pbv 200 and the fuel lines broke does ... replaced fuel line, fuel and air filter Poulan pro 295 chainsaw. Attempted to start but does not look like fuel is in fuel line. tried priming by putting gas in at spark plug and started for few secon … read more Poulan BVM200VS Gas Blower Parts Diagram for Engine Type 2 Poulan BVM200VS Gas Blower Engine Type 2 Exploded View parts lookup by model. Complete exploded views of all the major manufacturers. It is EASY and FREE Poulan Pro Bvm200vs Parts Diagram - schematron.org Jan 18, 2019 · Search Poulan Pro owner's manuals, illustrated parts lists and more. Cookies help us deliver a better experience. By using this site, you agree to our use of cookies. Thank you for your question on the Poulan Pro blower model BVMVS. If the blower had fuel left in it all this time it most likley has damaged the carburetor and or the fuel lines ... Poulan BVM200VS Gas Blower Parts Diagram for Engine Type 1 Poulan BVM200VS Gas Blower Parts Diagram for Engine Type 1. Order Status. Get Support. 1-877-737-2787. Hours of Operation. M-F 9AM-6PM ET. Sat 9AM-5PM ET. Sun 11AM-3PM ET. Contact Us ».

Poulan Pro Gas Blower | BVM210VS | eReplacementParts.com Need to fix your BVM210VS (Type2) Pro Gas Blower? Use our part lists, interactive diagrams, accessories and expert repair advice to make your repairs easy. Please note shipping times may be longer than expected due to carrier delays. Poulan Pro Fuel Line Replacement - YouTube I need a gas line diagram for a Poulan Pro ppb2000 Gas leaf On your blower, it looks like the small line supplies fuel to the carburator which will be connected to the fuel filter in the tank, and the large line looks ... BVM200 Poulan Leaf Blower / Vacuum Parts & Repair Help ... Get Parts and Repair Help for BVM200 Poulan Leaf Blower / Vacuum - Gas Blower With Variable Speed Control. View parts like Fuel Line and Tank Purge Line.

Poulan Pro Bvm200vs Fuel Line Diagram - Diagram Niche Ideas Poulan pro bvm200vs fuel line diagram. Hi, my poulan bvm200vs stopped working. When we buy new device such as poulan bvm200 we often through away most of the documentation but the warranty. Thank you for your question on the poulan pro blower model bvm200vs. Overall, very satisfied with the poulan pro bvm200le gas blower/vac. * Poulan pro bvm 200 blower carburetor fuel line repair - YouTube carb, filter, fuel line, gaskets, etchttps://amzn.to/2EDEBe7fuel lines, primmer ballhttps://amzn.to/33dppOQtodays t-shirt brought to you by YOUR NAME HEREhtt... Poulan BVM200VS gas leaf blower parts | Sears PartsDirect Poulan BVM200VS gas leaf blower parts - manufacturer-approved parts for a proper fit every time! We also have installation guides, diagrams and manuals to help you along the way! Poulan Leaf Blower Model BVM200VS/TYPE 2 Parts - Repair Clinic Poulan Leaf Blower Model BVM200VS/TYPE 2 Parts. Poulan Leaf Blower Model BVM200VS/TYPE 2 Parts are easily labeled on this page to help you find the correct component for your repair. Filter results by category, title and symptom. You can also view diagrams and manuals, review common problems that may help answer your questions, watch related videos, read insightful articles or use our repair ...

Poulan BVM200VS Repair - YouTube

Poulan BVM200VS Repair - YouTube

Poulan BVM200VS Gas Blower Parts Diagrams Poulan BVM200VS Gas Blower Exploded View parts lookup by model. Complete exploded views of all the major manufacturers. ... Poulan Pro | Bvm200vs Gas Blower Help with Jack's Parts Lookup Poulan BVM200VS Gas Blower Parts Diagrams SWIPE SWIPE. Engine Type 1; Engine Type 2 ... Fuel Line Kit. Options Add to Cart. 530057973. Assy - Fuel Cap w ...

Poulan Pro Pole Pruner Fuel Filter Replacement #530095646

Poulan Pro Pole Pruner Fuel Filter Replacement #530095646

Poulan Pro Bvm200Vs Parts Diagram - Automotive Parts Diagram ... Description: Poulan Bvm200Vs Parts List And Diagram – (Type 1 regarding Poulan Pro Bvm200Vs Parts Diagram, image size 350 X 350 px, and to view image details please click the image. Actually, we also have been noticed that poulan pro bvm200vs parts diagram is being just about the most popular subject right now.

POULAN PRO BLOWER BVM210VS 525592801 Muffler Heat Shield ...

POULAN PRO BLOWER BVM210VS 525592801 Muffler Heat Shield ...

Poulan pro - fuel line configuration - YouTube Pp4218avx 42cc, Poulan pro

Tool Parts New Carburetor Kit for Poulan Pro PR48BT Backpack ...

Tool Parts New Carburetor Kit for Poulan Pro PR48BT Backpack ...

Poulan Pro Leaf Blower Replacement Parts | Fast Shipping ... Poulan Pro Leaf Blower Fuel Line. Genuine OEM Part # 530069599 | RC Item # 1987640. Watch Video. $6.99. ADD TO CART. Fuel line kit. Both large & small diameter fuel lines included. The fuel line allows fuel to travel from the fuel tank to the carburetor and from the primer bulb to the fuel system.

Poulan Pro Leaf Blower | PBV200 | eReplacementParts.com

Poulan Pro Leaf Blower | PBV200 | eReplacementParts.com

Need blower fuel line connection instructions or very good ... Get shopping advice from experts, friends and the community! Blower part # 358.797200. Blower fuel lines crumbled due to age. Ordered the fuel lines and filter but the no "real" instructions came with them and neither did the 2 small fittings. Now out $20 and still broken blower. I need an assembled fuel tank with all fittings and lines or a diagram of how to fit everything together and the ...

Details about Carburetor For Poulan BVM200VS PPB430VS Pro Leaf Blower  545081831 Carb Fuel Line

Details about Carburetor For Poulan BVM200VS PPB430VS Pro Leaf Blower 545081831 Carb Fuel Line

BVM200VS Poulan Leaf Blower / Vacuum Parts & Repair Help ... I pulled the smaller fuel line out through the fuel tank filler hole, attached the fuel filter to the smaller fuel line. I Made sure that the fuel filter was extended to the furthest end of the fuel tank bottom. Six inches in all. I then attached the smaller fuel line to the carburetor. 5) I Installed the larger fuel line, followed the same ...

Poulan Pro Leaf Blower In Leaf Blower & Vacuum Parts for sale ...

Poulan Pro Leaf Blower In Leaf Blower & Vacuum Parts for sale ...

Poulan Gas Blower | BVM200VS | eReplacementParts.com Hello Red63 Check the fuel line and fuel filter in the gas tank. If the filter comes off the line, the line will float or get full of air, and no gas will get to carburetor. Question: Poulan Pro 200 25cc

Poulan Pro - Blower Operation

Poulan Pro - Blower Operation

Poulan BVM200VS gas leaf blower manual - Sears Parts Direct Download the manual for model Poulan BVM200VS gas leaf blower. Sears Parts Direct has parts, manuals & part diagrams for all types of repair projects to help you fix your gas leaf blower! ... Lawn & garden equipment fuel line, large. Part #530069216 .

Vergaser Carb für Poulan Pro Gebläse 545081855 PP320 P325 XLB GBV 325  BVM200VS PPB1838LE

Vergaser Carb für Poulan Pro Gebläse 545081855 PP320 P325 XLB GBV 325 BVM200VS PPB1838LE

How to replace the two rotten fuel lines on Poulan Pro PVB200 I have no diagram but here are the instructions on how it goes. The small diameter line out of fuel tank (has filter in-tank on end) connects directly to the ...

SOLVED: Help replace Poulan Pro BVM200 - Fixya

SOLVED: Help replace Poulan Pro BVM200 - Fixya

BVM200VS Poulan Leaf Blower Parts & Free Repair Help ... Narrow your search down by symptom and read the amazing step by step instructions and troubleshooting tips for Poulan model BVM200VS from do-it-yourselfers just like you. We have use and care manuals for Poulan model BVM200VS and our expert installation videos for Poulan model BVM200VS below will help make your repair very easy.

Buy Fuel Li 545081831 Carburetor for Poulan Pro BVM200VS ...

Buy Fuel Li 545081831 Carburetor for Poulan Pro BVM200VS ...

How to replace fuel line on poulan bmv 200 leaf blower - Fixya Mar 28, 2013 — When replacing fuel line, make sure that you have the correct size lines. Depending on the size of your engine, the lines may vary in size.

ZAMDOE WT-875 Carburetor for Craftsman Poulan Pro McCulloch Weedeater  Blower BVM200C BVM200VS P200C GBV325 P325 200mph with Tune Up Kit Fuel Line  ...

ZAMDOE WT-875 Carburetor for Craftsman Poulan Pro McCulloch Weedeater Blower BVM200C BVM200VS P200C GBV325 P325 200mph with Tune Up Kit Fuel Line ...

SOLVED: Diagram fuel lines tank primer carbutor poulan pro ...

SOLVED: Diagram fuel lines tank primer carbutor poulan pro ...

Poulan Pro BVM 200 VS - Small Engine Parts

Poulan Pro BVM 200 VS - Small Engine Parts

Poulan Pro 25cc Gas Blower | BVM200LE | eReplacementParts.com

Poulan Pro 25cc Gas Blower | BVM200LE | eReplacementParts.com

Poulan Pro Leaf Blower - I am at my Wits End!! | My Tractor Forum

Poulan Pro Leaf Blower - I am at my Wits End!! | My Tractor Forum

Poulan Pro Pole Pruner Fuel Filter Replacement #530095646

Poulan Pro Pole Pruner Fuel Filter Replacement #530095646

Poulan Pro BVM 200 VS - Small Engine Parts

Poulan Pro BVM 200 VS - Small Engine Parts

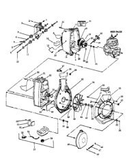
Position Part number Název Name 0 746010000 Převodovka ...

Position Part number Název Name 0 746010000 Převodovka ...

Poulan BVM200VS Gas Blower Parts Diagrams

Poulan BVM200VS Gas Blower Parts Diagrams

27inch Gear Box Polisher Floor Polishing Machine Single Disc ...

27inch Gear Box Polisher Floor Polishing Machine Single Disc ...

Poulan Pro 25-cc 2-Cycle 200-MPH 430-CFM Handheld Gas Leaf ...

Poulan Pro 25-cc 2-Cycle 200-MPH 430-CFM Handheld Gas Leaf ...

Carburetor For Walbro WT-875-A Poulan Craftsman Gas Blower BVM200C BVM200VS  | eBay

Carburetor For Walbro WT-875-A Poulan Craftsman Gas Blower BVM200C BVM200VS | eBay

Buy AUTOKAY WT-875 545081855 Carburetor for Craftsman Poulan ...

Buy AUTOKAY WT-875 545081855 Carburetor for Craftsman Poulan ...

Poulan Pro Leaf Blower In Leaf Blower & Vacuum Parts for sale ...

Poulan Pro Leaf Blower In Leaf Blower & Vacuum Parts for sale ...

530069216 Craftsman Sears Poulan/Weed-Eater fuel line kit New ...

530069216 Craftsman Sears Poulan/Weed-Eater fuel line kit New ...

Poulan Pro Gas Blower | PP442 | eReplacementParts.com

Poulan Pro Gas Blower | PP442 | eReplacementParts.com

Poulan 545081832 Gasket Kit Fits BVM200VS BV210VS PPB430VS SM210VS VS2000BV  ++

Poulan 545081832 Gasket Kit Fits BVM200VS BV210VS PPB430VS SM210VS VS2000BV ++

Ama Spare Parts for Trimmer AG 260 TR

Ama Spare Parts for Trimmer AG 260 TR

SOLVED: I am trying to find a diagram (exploded view ) of - Fixya

SOLVED: I am trying to find a diagram (exploded view ) of - Fixya

How to replace leaf blower fuel lines | Repair guide

How to replace leaf blower fuel lines | Repair guide

Mgaxyff Garden Tool Accessory,Fuel Filter,Carburetor Air ...

Mgaxyff Garden Tool Accessory,Fuel Filter,Carburetor Air ...

Poulan Pro Pole Pruner Replace Carburetor #545189502

Poulan Pro Pole Pruner Replace Carburetor #545189502

Poulan Pro BVM 200 VS - Small Engine Parts

Poulan Pro BVM 200 VS - Small Engine Parts

Carburetor For Poulan BVM200VS PPB430VS Pro Leaf Blower ...

Carburetor For Poulan BVM200VS PPB430VS Pro Leaf Blower ...

Poulan Pro BVM 200 VS - Small Engine Parts

Poulan Pro BVM 200 VS - Small Engine Parts

Poulan Pro Fuel Line Replacement

Poulan Pro Fuel Line Replacement

ECHO P021045850 - CYLINDER/PISTON KIT PB-500 14

ECHO P021045850 - CYLINDER/PISTON KIT PB-500 14

I have a homelite blower model 08011AR all the hoses gas tank ...

I have a homelite blower model 08011AR all the hoses gas tank ...

POULAN PRO 545103471 PARTS LIST Pdf Download | ManualsLib

POULAN PRO 545103471 PARTS LIST Pdf Download | ManualsLib

I have a poulan pro pole chain saw, it has a 31 cc engine, I ...

I have a poulan pro pole chain saw, it has a 31 cc engine, I ...

0 Response to "41 poulan pro bvm200vs fuel line diagram"

Post a Comment

Iklan Atas Artikel

Iklan Tengah Artikel 1

Iklan Tengah Artikel 2

Iklan Bawah Artikel