Iklan 300x250

41 Mefi 4 Wiring Diagram

eaa.terapiaagnus.pl › dtaieeaa.terapiaagnus.pl Feb 13, 2022 · Dec 18, 2021 · The most common issue with an ecobee not working is related to power. Wiring Diagram GTS/GTI/RXT/GTX/Wake Pro 2011. ECM Wiring Diagram - MEFI 3 with Mercury Distributor (V6 and Small Block V8) (3 of 4). Payne Heat Pump Wiring Diagram from www. TOYOTA Wiring Diagrams PDF - Car PDF Manual, Wiring Diagram... Toyota RAV4 Wiring Diagrams. TOYOTA Electrical Wiring Diagrams PDF above the page - Auris, Avalon, Avensis, Camry, Corolla, Hiace, Hilux, Land Cruiser, Prius, RAV-4, Supra, Yaris.

Untitled | Manualzz | Wiring diagrams In wiring diagrams, the single circuit diagrams cover each sensor and subset of the electrical system of the engine. These two sections help the MEFI controllers, which have a higher amperage coil driver circuit. The ECM 555 uses its low‑current coil driver circuit to control a high‑current driver circuit...

Mefi 4 wiring diagram

Mefi 4 wiring diagram

BillaVista.com-MEFI-4 Fuel Injection Tech Article by BillaVista The MEFI-4 ECM also "learns" as it is driven, fine-tuning its calibration / outputs in response to atmospheric conditions, engine condition, and driving style. The ECM connectors are labelled J1 and J2, as shown in this diagram (click to expand). These are the wiring harness connectors that plug... Dodge Ram 3500 Wiring Diagram - Wiring Diagrams Database... ...3500 truck wiring diagram diagram base website wiring 2008 dodge ram wiring diagram en 2020 electrica 99 ram 3500 wiring diagram wiring diagrams CBM Motorsports MEFI 4 Electronic Control Modual Technical Information. Specializing in the GM LS series of engines. LS1, LS2, LS3, LS6, LS7... 27 Detroit Diesel Engine Service Manuals Free Download Workshop, repair and service manuals, wiring diagrams, fault codes PDF - more than 1000+ truck manuals are available for free download! Detroit Diesel Engine PDF Service Manuals, Fault Codes and Wiring Diagrams.

Mefi 4 wiring diagram. PDF RAMJET 350 Electronic Fuel Injection (EFI) MEFI 3 to MEFI 4 ECM and Wiring Harness Installation. Remove the existing wiring harness. While removing the old harness pay close attention to the location and plug style of each of the sensors. Inyección electrónica de combustible (EFI) RAMJET 350 MEFI 3 a MEFI 4 Juego de conversión 12499116. Cummins Wiring Diagrams - MHH AUTO - Page 1 ...ISL Wiring Diagram (3666420) Aftermarket Icon Wiring Diagram (3666480) Dodge Ram 24 Valve Turbo Diesel, 1999 Model Year Wiring Diagram. Plus Engines Wiring Diagram (4021341) Signature and ISX CM870 Control Module Wiring Diagram (4021347) ISB CM850 ECM Wiring Diagram... ilnuovoideaffari.it › jkcvtMercruiser engine diagram - ilnuovoideaffari.it Mercruiser 140 Engine Wiring Diagram and Mefi Wiring Diagram - List Of Wiring Diagrams - Wiringg. 4e 2 wiring diagrams wiring diagrams l engine wiring diagram breaker points ignition choke shift interrupt switch alternator. 5 GPH MerCruiser 4. I have GM 6.0 vortec MEFI 4 There is 16 pin purpel colored I had to know wire diagram to make a new connection for my gauges and safely start to engine I want to know which wire is starter , which one is water Hi, I am in need of a mefi 1 mercruiser v8 wiring diagram. I have the mefi 1 with harness and the mefi burn software. truck pulling,, 350 small block...

27 Detroit Diesel Engine Service Manuals Free Download Workshop, repair and service manuals, wiring diagrams, fault codes PDF - more than 1000+ truck manuals are available for free download! Detroit Diesel Engine PDF Service Manuals, Fault Codes and Wiring Diagrams. Dodge Ram 3500 Wiring Diagram - Wiring Diagrams Database... ...3500 truck wiring diagram diagram base website wiring 2008 dodge ram wiring diagram en 2020 electrica 99 ram 3500 wiring diagram wiring diagrams CBM Motorsports MEFI 4 Electronic Control Modual Technical Information. Specializing in the GM LS series of engines. LS1, LS2, LS3, LS6, LS7... BillaVista.com-MEFI-4 Fuel Injection Tech Article by BillaVista The MEFI-4 ECM also "learns" as it is driven, fine-tuning its calibration / outputs in response to atmospheric conditions, engine condition, and driving style. The ECM connectors are labelled J1 and J2, as shown in this diagram (click to expand). These are the wiring harness connectors that plug...

Marine Engine Depot. Wire Harnesses & Electrical System

Marine Engine Depot. Wire Harnesses & Electrical System

Visio-MEFI 5 Front Cover.vsd

Visio-MEFI 5 Front Cover.vsd

88962724 - Ram Jet 502 Manual- MEFI-4 Version

88962724 - Ram Jet 502 Manual- MEFI-4 Version

BillaVista.com-MEFI-4 Fuel Injection Tech Article by BillaVista

BillaVista.com-MEFI-4 Fuel Injection Tech Article by BillaVista

9 pin efi wiring - Offshoreonly.com

9 pin efi wiring - Offshoreonly.com

MEFI 4 Marine Fuel Injection Tech Article by BillaVista ...

MEFI 4 Marine Fuel Injection Tech Article by BillaVista ...

Chevrolet Truck Parts | Electrical and Wiring | Classic ...

Chevrolet Truck Parts | Electrical and Wiring | Classic ...

CBM Motorsports MEFI 4 Electronic Control Modual Technical ...

CBM Motorsports MEFI 4 Electronic Control Modual Technical ...

10 - MDMotors | Manualzz

10 - MDMotors | Manualzz

WIRING HARNESS(EFI) - 1998 Stern Drive 7.4L [BRAVO MPI ...

WIRING HARNESS(EFI) - 1998 Stern Drive 7.4L [BRAVO MPI ...

V550 Pinouts and Wiring Diagram with coloured wires | Manualzz

V550 Pinouts and Wiring Diagram with coloured wires | Manualzz

BillaVista.com-MEFI-4 Fuel Injection Tech Article by BillaVista

BillaVista.com-MEFI-4 Fuel Injection Tech Article by BillaVista

Need RamJet Help - The 1947 - Present Chevrolet & GMC Truck ...

Need RamJet Help - The 1947 - Present Chevrolet & GMC Truck ...

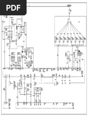
4.3l 5.7l Mefi 4 Engine Wiring Diagram | PDF | Ignition ...

4.3l 5.7l Mefi 4 Engine Wiring Diagram | PDF | Ignition ...

Wiring Schematics - Marine Power USA

Wiring Schematics - Marine Power USA

MEFI 4 Marine Fuel Injection Tech Article by BillaVista ...

MEFI 4 Marine Fuel Injection Tech Article by BillaVista ...

Michael's Tractors (Simplicity and Allis Chalmers Garden ...

Michael's Tractors (Simplicity and Allis Chalmers Garden ...

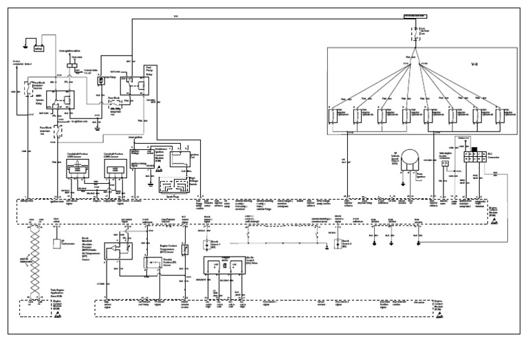
4.3l 5.7l Mefi 4 Engine Wiring Diagram | PDF | Ignition ...

4.3l 5.7l Mefi 4 Engine Wiring Diagram | PDF | Ignition ...

GM Gen III LS PCM/ECM: Electronic Throttle Equipment Guide

GM Gen III LS PCM/ECM: Electronic Throttle Equipment Guide

I have GM 6.0 vortec MEFI 4 There is 16 pin purple colored ...

I have GM 6.0 vortec MEFI 4 There is 16 pin purple colored ...

CBM Motorsports MEFI 4 Electronic Control Modual Technical ...

CBM Motorsports MEFI 4 Electronic Control Modual Technical ...

MEFI 4 definition files? - Third Generation F-Body Message Boards

MEFI 4 definition files? - Third Generation F-Body Message Boards

Need help with injector wires!!! - TeamTalk

Need help with injector wires!!! - TeamTalk

MEFI pro | Harness`s

MEFI pro | Harness`s

CBM Motorsports MEFI 4 Electronic Control Modual Technical ...

CBM Motorsports MEFI 4 Electronic Control Modual Technical ...

Need RamJet Help - The 1947 - Present Chevrolet & GMC Truck ...

Need RamJet Help - The 1947 - Present Chevrolet & GMC Truck ...

Downloads

Downloads

Untitled

Untitled

Mefi 4b, Mefi4b, Indmar, Malibu | Mefi 4, wiring diagram, In ...

Mefi 4b, Mefi4b, Indmar, Malibu | Mefi 4, wiring diagram, In ...

CBM Motorsports MEFI 4 Electronic Control Modual Technical ...

CBM Motorsports MEFI 4 Electronic Control Modual Technical ...

Complete 84/85 Engine Wiring Harness

Complete 84/85 Engine Wiring Harness

88962723 - Service Manual 350 Ram Jet- For MEFI-4 Engines

88962723 - Service Manual 350 Ram Jet- For MEFI-4 Engines

Engine won't start | Club Sea Ray

Engine won't start | Club Sea Ray

OBD Diagnostics - ECM Connectors

OBD Diagnostics - ECM Connectors

MEFI 4 Marine Fuel Injection Tech Article by BillaVista ...

MEFI 4 Marine Fuel Injection Tech Article by BillaVista ...

LS Engine Harness and accesories - VetteWorks, Vetteworks is ...

LS Engine Harness and accesories - VetteWorks, Vetteworks is ...

Indmar Diagnostic Manual: MEFI 4 | Manualzz

Indmar Diagnostic Manual: MEFI 4 | Manualzz

5.7 efi no power/WOT | Page 2 | Boating Forum - iboats ...

5.7 efi no power/WOT | Page 2 | Boating Forum - iboats ...

MERCURY MERCRUISER 496 MAG HO DIAGNOSTICS Service Repair ...

MERCURY MERCRUISER 496 MAG HO DIAGNOSTICS Service Repair ...

OBD Diagnostics - ECM Connectors

OBD Diagnostics - ECM Connectors

Michael's Tractors (Simplicity and Allis Chalmers Garden ...

Michael's Tractors (Simplicity and Allis Chalmers Garden ...

0 Response to "41 Mefi 4 Wiring Diagram"

Post a Comment

Iklan Atas Artikel

Iklan Tengah Artikel 1

Iklan Tengah Artikel 2

Iklan Bawah Artikel