Iklan 300x250

41 cub cadet 1515 belt diagram

Replacement Parts & Service | Cub Cadet US Explore Service & Parts. Cub Cadet Genuine Parts gives you a genuine advantage: the confidence of using parts specifically designed for an exact fit, optimal performance and maximum safety. These are the only parts with the in-depth engineering and rigid testing that assures long-lasting quality. Part Finder. PDF Cub Cadet Parts Manual for Model 1515 - mymowerparts.com 1515 Page 1 of 48 38-Inch Cutting Deck For Discount Cub Cadet Parts Call 606-678-9623 or 606-561-4983

How to Change the PTO Belt on Your Riding Lawn ... - Cub Cadet Step 5: Remove the belt from the idler pulleys and engine pulley. Using both a 9/16" socket and wrench loosen, but do not remove, the idler pulley bolts. Step 6: Install the replacement belt. Place the belt in position as per the routing diagram. Step 7: Route the belt around the engine pulley. Step 8: Route the belt through the idler pulleys ...

Cub cadet 1515 belt diagram

Cub cadet 1515 belt diagram

nOsYo [8WA5TF] 19.2.2022 · Cavalier Lincoln; Call Now 757-932-3151; Service 757-932-8243; Parts 757-828-4863; 1515 South Military Highway Chesapeake, VA 23320; Service Search by dealer name or location Once you've found a vehicle that fits your lifestyle, our Lincoln finance center is here to help . CUB CADET SERIES 1500 1515 OPERATOR'S MANUAL Pdf Download ... The engines on Cub Cadet 1515 & 1517 are equipped with a Walbro fixed main jet carburetor. Walbro carburetors have a low idle speed screw and a low idle fuel adjusting needle. Page 17 Troubleshooting 3 Low Idle Speed Setting: Place the throttle control If engine troubles are experienced that appear to be into the "idle" or "slow" position. community-for-friends.de 2 päivää sitten · PTO CLUTCH ASSEMBLY CUB CADET IH 62262 C91 BRAKE NEW. Pull the movable flat idler pulley away from the backside of the belt and remove the old drive belt. Had problems at the end of last years mowing season with the drive belt coming off, so we put a new one on. Cub Cadet 2182 Super Garden Tractor 21HP Kubota Gas SGT - ,800 (Ludlow, MA.

Cub cadet 1515 belt diagram. Cub cadet 1525 belt diagram? - Answers Changing a driver belt on a Cub Cadet CC 1023 RD can be quite the challenge. You will have to take off the deck, take off the old belt, put the one belt on by placing it over the transmission and ... Cub Cadet 1515 (13A-201F100) - Cub Cadet ... - PartsTree 38-Inch Cutting Deck diagram and repair parts lookup for Cub Cadet 1515 (13A-201F100) - Cub Cadet Garden Tractor Cub Cadet 1515, 13A-201F100 Parts - Messick's Cub Cadet 1515, 13A-201F100 Parts Cub Cadet Lawn Tractor - Model 1515 | Cub Cadet US Find parts for your 1515 Cub Cadet Lawn Tractor. Parts diagrams and manuals available. Free shipping on parts orders over $45.

poolcenter-koethen.de 20.2.2022 · 05. How do i replace the drive belt on a cub cadet 1554 hydrostatic garden tractor. Belt stretching is a part of normal wear and tear over time, so occasional tightening and repair are part of standard maintenance. Sep 21, 2018 · Cub cadet drive belt diagram. The tranmission drive belt came off and got pretty chewed up. aleryauto.it 1 päivä sitten · Cub Cadet XT1 46 is having problems with forward and reverse. cub cadet lt1050 reviews cub cadet lt1050 drive belt diagram luxury cars and technology cub cadet ltx 1045 parts cub new pack mulching blades cub cadet i Jan 13, 2022 · Help > Search Box - The Free DictionaryCub Cadet LT 1045 (13BP11CH710) - Cub Cadet 46" Lawn 2021 Dec 14-17 … Welcome to Butler County Recorders Office Copy and paste this code into your website. Your Link … Cub Cadet Parts Diagrams, Cub Cadet 1515 13A-201F100 Buy Genuine OEM Cub Cadet parts for your Cub Cadet 1515 13A-201F100 and ship today! Huge in-stock inventory of OEM Cub Cadet parts.

zieraze.pl 2 päivää sitten · Model Cub Cadet Service Manuals - Cub Cadet Parts N More Page 1 SafeOperationPractices • Set-Up• Operation• Maintenance • Service• Troubleshooting• Warranty ATOR S ANUAL Hydrostatic Lawn Tractor m LTX 1050 CUB CADET LLC, P. CUB CADET Gator Blades for LTX1050 LT1050Ltx 1050 Cub Cadet Tiller Parts Diagram April 19th, 2019 - Cub … Cub cadet 1515 parts manual - United States manuals Step ... Cub cadet 1515 wiring diagram moreover belt diagram best cub cadet lawn mower user guide manualsonline inside cub cadet lawn mower parts diagrams also med page moreover kohler logo together with maxresdefault. View and Download Cub Cadet 1515 pars manual online. Cub Cadet Series 1500 Hydrostatic Lawn Tractor. 1515 Lawn Mower pdf manual download. Copyright - Renfrewshire Website Latest information about coronavirus (COVID-19), online services and MyAccount, customer services and how to make a complaint. Cub Cadet 1515 Belt Diagram - schematron.org 11.09.2018 11.09.2018 1 Comments on Cub Cadet 1515 Belt Diagram Need a diagram for replacing belt on a cub cadet as diagram in manual is very unclear - Answered by a verified Technician. schematron.org - Order Genuine Cub Cadet Parts for the Cub Cadet (13A- F) - Cub Cadet Lawn Tractor Mowers: lawn & garden tractor.

I need the mower deck belt diagram for a Cub Cadet 3206 48

I need the mower deck belt diagram for a Cub Cadet 3206 48" deck

Show you a diagram of belt for 1515 series cub cadet ... Show you a diagram of belt for 1515 series cub cadet? Wiki User. ∙ 2014-04-18 22:00:35. Add an answer. Want this question answered? Be notified when an answer is posted. 📣 Request Answer.

Installation, Repair and Replacement of v-belts on MTD Cub ...

Installation, Repair and Replacement of v-belts on MTD Cub ...

Cub Cadet Tractor 1000 | 1515 | eReplacementParts.com We Sell Only Genuine Cub Cadet Parts. Cub Cadet 1515 (13A-201F100) Tractor 1000 Parts. Search within model. Questions & Answers 38-Inch Cutting Deck ... Cover, Belt, Deck, Lh Obsolete - Not Available. $22.81 Part Number: 731-2609A. Discontinued Discontinued $22.81. Discontinued ...

cub cadet drive belt tensioner spring,Free delivery,www ...

cub cadet drive belt tensioner spring,Free delivery,www ...

How to Put a Mower Deck Belt Back on a Cub Cadet | eHow Replacing a Cub Cadet XT1 LT42 belt is a critical repair - the deck belt allows the mower's moving parts to operate correctly. It's highly unsafe to try to use a lawnmower without a fully functional deck belt. If your mower's deck belt requires replacement, you may hear a loud screeching sound, especially when you first start the mower.

Cub Cadet XT3 QR95 13CFA5CB603 (2019) Wheels mowing deck ...

Cub Cadet XT3 QR95 13CFA5CB603 (2019) Wheels mowing deck ...

EJ20K Subaru Engine Subaru's EJ20K was a turbocharged, 2.0-litre horizontally-opposed (or 'boxer') four-cylinder petrol engine. In Australia, the EJ20K engine powered the Subaru GC/GM Impreza WRX from November 1996 (for the 1997 ‘model year’ or MY97) to 1998. For the Subaru GC/GM Impreza WRX, key features of the EJ20K engine included:

Transmission Belt / Fan Replacement Cub Cadet LTX1045 : 9 ...

Transmission Belt / Fan Replacement Cub Cadet LTX1045 : 9 ...

Lookup Parts Via Diagram | Cub Cadet US Lookup Parts via Diagram. Use our parts diagram tool below to find the parts you need for your machine. Select the model and year, then browse the parts diagrams to find the right part. Add to cart when you're ready to purchase and we'll ship it to you as soon as possible! This is the most current part for this model.

Cub Cadet LT 1018 (13AL11CG712) - Cub Cadet 42

Cub Cadet LT 1018 (13AL11CG712) - Cub Cadet 42" Lawn Tractor ...

Cub Cadet 1515 Deck Belt Diagram - schematron.org Cub Cadet 1515 Deck Belt Diagram. Series CUB CADET LLC, P.O. BOX CLEVELAND, OHIO . MODELS & replacement part. Cover, Belt, Deck, LH. 1. Parts Catalog Lookup. Buy Cub Cadet Parts Online & Save! Cub Cadet: Cub Cadet , 13AF Parts Diagrams Inch Cutting Deck · Adjustable. Need a diagram for replacing belt on a cub cadet as diagram in manual is very ...

Need help GT 2186 | My Tractor Forum

Need help GT 2186 | My Tractor Forum

Cub cadet model 190-281-100 belt diagram - Ask Me Help Desk Cub cadet model 190-281-100 belt diagram. I need a diagram for the belt routing on my 48 in deck replaced two idler pulleys and put new blades on it and have the new belt the old one snapped and trying to put the new one on. mekanic68. View Public Profile. Find latest posts by mekanic68.

Cub Cadet Lawn Tractor - Model 1515 | Cub Cadet US

Cub Cadet Lawn Tractor - Model 1515 | Cub Cadet US

I need a deck belt diagram for a modle 1515 cub cadet. No ... I'm working on a model 1515 Cub Cadet and I'm trying to replace the transmission drive belt lat idler pulley. There is a nut on top of the tensioner assy. and there seems to be no way to get to it-exc …

Cub Cadet 1515 Lawn Tractor Service Repair Manual by ...

Cub Cadet 1515 Lawn Tractor Service Repair Manual by ...

Cub Cadet 1015 (130-200-100) - Cub Cadet Lawn Tractor (SN ... Cub Cadet repair parts and parts diagrams for Cub Cadet 1015 (130-200-100) - Cub Cadet Lawn Tractor (SN: 126001 - 207400) The Right Parts, Shipped Fast! Reviews

cub cadet drive belt diagram,yasserchemicals.com

cub cadet drive belt diagram,yasserchemicals.com

poolcenter-koethen.de 20.2.2022 · Carquest Auto Parts - Professional Customers Sep 17, 2017 · Cross Reference Cub Cadet to NAPA. BECK ARNLEY 041-8136. Photos of the stock Yamaha FJR1300 oil filter (p/n 5JW-13440-00), and some of the equivalent The reported "suggested list price" of the Yamaha filter is , though it appears thatCross Reference Search for Napa - Air Filters, Cold Air.

Page 23 of Cub Cadet Lawn Mower LT1018 User Guide ...

Page 23 of Cub Cadet Lawn Mower LT1018 User Guide ...

Parts Lookup and OEM Diagrams | PartsTree Parts lookup and repair parts diagrams for outdoor equipment like Toro mowers, Cub Cadet tractors, Husqvarna chainsaws, Echo trimmers, Briggs engines, etc. ... 1515 (13A-201F100) - Cub Cadet Garden Tractor. 1225 (133-201F100) - Cub Cadet Lawn Tractor (SN: 207401 - 239300) ...

John Deere Mower Deck and Lift Linkage, 54 inch (030001 - )

John Deere Mower Deck and Lift Linkage, 54 inch (030001 - )

8TEN Deck Belt for Cub Cadet 38 inch Mower 1515 1525 Lawn ... 8TEN Drive Belt for Cub Cadet 46 inch Deck 1515 1517 1525 1527 1529 LT1018 Lawn Tractors 754-0640 954-0640. Oregon 75-823 Replacement Belt for Cub Cadet 954-0640/754-0640, 1/2-inch x 79-1/2-inch. D&D PowerDrive ORB-H-1101 Cub Cadet MTD 754-0461 954-0461 Kevlar Replacement Belt, 1/2" x 78", 4LK Section, Rubber.

Important | Cub Cadet CLT-160 User Manual | Page 26 / 29

Important | Cub Cadet CLT-160 User Manual | Page 26 / 29

Drive Belt Diagram For Cub Cadet Lt1050 Cub Cadet LT Lawn Tractor Parts Diagrams A inch mower deck, from which the mower's model number is derived, is another strong way to ensure. Find Cub Cadet 50 in. Deck Drive Belt in the Mower Parts & Accessories category at Tractor Supply diagramweb.nete worn equipment with a Cub Cadet Cub Cadet outdoor power equipment is some of the most ...

cub cadet drive belt diagram,yasserchemicals.com

cub cadet drive belt diagram,yasserchemicals.com

Cub Cadet 1515 Deck Belt Diagram I need a belt diagram for a cub cadet 1515 - Cub Cadet Street Sign- tractor lawn riding mower parts. Easy Ordering, Fast Shipping and Great Service! Your Preferred Source for Lawn and Garden Equipment Parts. I need a deck belt diagram for a modle cub cadet. No one will send me a belt diagram that's all I need.

Cub Cadet 1515 13A-201F100 Power Take-Off (Pto) System ...

Cub Cadet 1515 13A-201F100 Power Take-Off (Pto) System ...

Cub Cadet 1515 Belt Diagram - Wiring Diagrams Cub Cadet 1515 Belt Diagram Hi there, Save hours of searching online or wasting money on unnecessary repairs by talking to a 6YA Expert who can help you resolve this. Need a diagram for replacing belt on a cub cadet as diagram in manual is very unclear - Answered by a verified Technician.

1610 hydro drive belt routing | IH Cub Cadet Tractor Forum

1610 hydro drive belt routing | IH Cub Cadet Tractor Forum

Cub Cadet 1515 (13A-201F100) - Cub Cadet Garden Tractor ... Cub Cadet repair parts and parts diagrams for Cub Cadet 1515 (13A-201F100) - Cub Cadet Garden Tractor. The Right Parts, Shipped Fast! Reviews ...

Cub Cadet Parts Diagrams, Cub Cadet 1515 13A-201F100

Cub Cadet Parts Diagrams, Cub Cadet 1515 13A-201F100

Need a diagram for replacing belt on a cub cadet 1515 as ... Need a diagram for replacing belt on a cub cadet 1515 as diagram in manual is very unclear - Answered by a verified Technician We use cookies to give you the best possible experience on our website. By continuing to use this site you consent to the use of cookies on your device as described in our cookie policy unless you have disabled them.

Cub Cadet Parts Diagrams, Cub Cadet 1515 13A-201F100

Cub Cadet Parts Diagrams, Cub Cadet 1515 13A-201F100

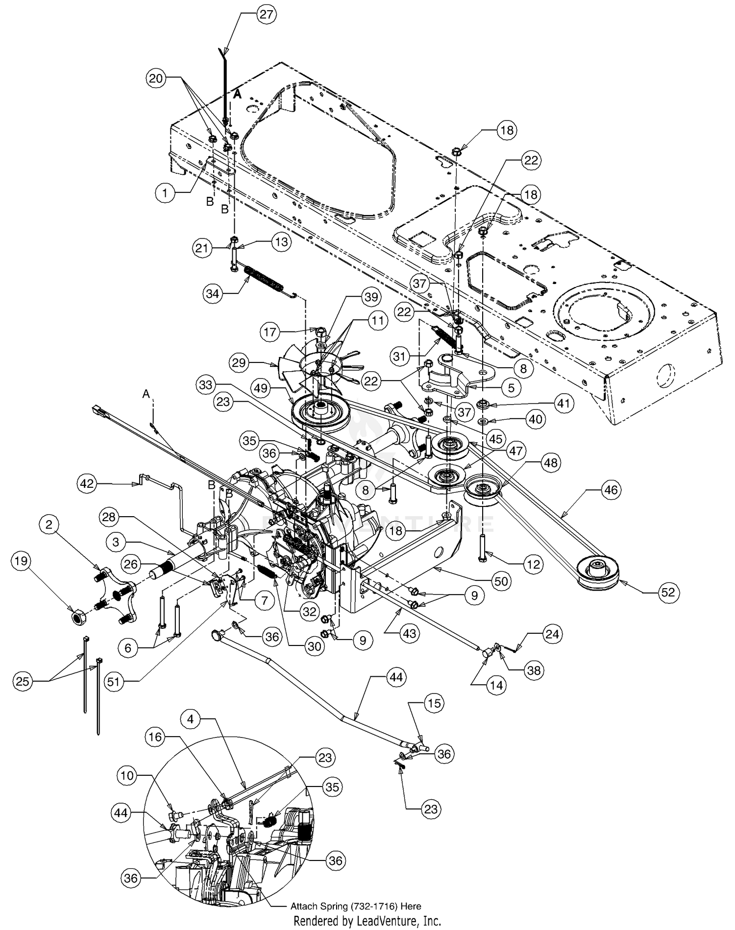
Cub Cadet 1515 (13A-201F100) - Cub Cadet Garden Tractor ... Drive System diagram and repair parts lookup for Cub Cadet 1515 (13A-201F100) - Cub Cadet Garden Tractor

cub cadet drive belt diagram,yasserchemicals.com

cub cadet drive belt diagram,yasserchemicals.com

TractorData.com Cub Cadet 1515 tractor information Cub Cadet 1515 tractor overview. ©2000-2019 - TractorData™. Notice: Every attempt is made to ensure the data listed is accurate.

How do I replace the drive belt on a cub cadet 1554 ...

How do I replace the drive belt on a cub cadet 1554 ...

EJ205 Subaru Engine For the GD.II/GG.II Impreza WRX, the EJ205 engine had Subaru’s ‘Active Valve Control System’ (AVCS) which adjusted the opening and closing timing of the intake valves by changing the phase angle of the camshaft sprocket relative to the camshaft; for the GD.II/GG.II Impreza WRX, it is understood that the maximum range of adjustment was 35 crankshaft degrees.

8TEN Drive Belt for Cub Cadet 46 inch Deck 1515 1517 1525 1527 1529 LT1018  Lawn Tractors 754-0640 954-0640

8TEN Drive Belt for Cub Cadet 46 inch Deck 1515 1517 1525 1527 1529 LT1018 Lawn Tractors 754-0640 954-0640

Cub Cadet 1515 garden tractor: review and specs - Tractor ... The Cub Cadet 1515 is a 2WD lawn and garden tractor from the 1500 series. This tractor was manufactured by Cub Cadet (a part of MTD) during 2002. The Cub Cadet 1515 is equipped with a 0.4 L (26.0 cu·in) single-cylinder gasoline engine and a hydrostatic transmission with infinite forward and reverse gears.

Amazon.com : 8TEN Deck Belt for Cub Cadet 38 inch Mower 1515 ...

Amazon.com : 8TEN Deck Belt for Cub Cadet 38 inch Mower 1515 ...

community-for-friends.de 2 päivää sitten · PTO CLUTCH ASSEMBLY CUB CADET IH 62262 C91 BRAKE NEW. Pull the movable flat idler pulley away from the backside of the belt and remove the old drive belt. Had problems at the end of last years mowing season with the drive belt coming off, so we put a new one on. Cub Cadet 2182 Super Garden Tractor 21HP Kubota Gas SGT - ,800 (Ludlow, MA.

CUB CADET Lawn, Tractor Manual L0403367

CUB CADET Lawn, Tractor Manual L0403367

CUB CADET SERIES 1500 1515 OPERATOR'S MANUAL Pdf Download ... The engines on Cub Cadet 1515 & 1517 are equipped with a Walbro fixed main jet carburetor. Walbro carburetors have a low idle speed screw and a low idle fuel adjusting needle. Page 17 Troubleshooting 3 Low Idle Speed Setting: Place the throttle control If engine troubles are experienced that appear to be into the "idle" or "slow" position.

Troybilt 13AP609G063 User Manual LAWN TRACTOR Manuals And ...

Troybilt 13AP609G063 User Manual LAWN TRACTOR Manuals And ...

nOsYo [8WA5TF] 19.2.2022 · Cavalier Lincoln; Call Now 757-932-3151; Service 757-932-8243; Parts 757-828-4863; 1515 South Military Highway Chesapeake, VA 23320; Service Search by dealer name or location Once you've found a vehicle that fits your lifestyle, our Lincoln finance center is here to help .

Cub Cadet 1515 13A-201F100 38-Inch Cutting Deck

Cub Cadet 1515 13A-201F100 38-Inch Cutting Deck

Cub Cadet 1515 13A-201F100 Lift Assembly

Cub Cadet 1515 13A-201F100 Lift Assembly

Pat and Son Service Center Inc. > Shopping > Parts Finder

Pat and Son Service Center Inc. > Shopping > Parts Finder

Cub Cadet Tractor 1000 | 1515 | eReplacementParts.com

Cub Cadet Tractor 1000 | 1515 | eReplacementParts.com

Cub Cadet Drive Belt Replacement

Cub Cadet Drive Belt Replacement

Cub Cadet SLT-1554 User Manual | Page 28 / 36

Cub Cadet SLT-1554 User Manual | Page 28 / 36

cub cadet drive belt diagram,yasserchemicals.com

cub cadet drive belt diagram,yasserchemicals.com

Buy 8TEN Deck Rebuild Kit for MTD Cub Cadet 42 inch LT1042 ...

Buy 8TEN Deck Rebuild Kit for MTD Cub Cadet 42 inch LT1042 ...

Cub Cadet 1515 13A-201F100 Drive System

Cub Cadet 1515 13A-201F100 Drive System

Cub Cadet 1515 13A-201F100 38-Inch Cutting Deck | Shank's ...

Cub Cadet 1515 13A-201F100 38-Inch Cutting Deck | Shank's ...

cub cadet drive belt tension spring diagram,therugbycatalog.com

cub cadet drive belt tension spring diagram,therugbycatalog.com

cub cadet drive belt diagram,yasserchemicals.com

cub cadet drive belt diagram,yasserchemicals.com

How to Change the Deck Belt on a Cub Cadet Riding Lawn Mower ...

How to Change the Deck Belt on a Cub Cadet Riding Lawn Mower ...

cub cadet drive belt diagram,yasserchemicals.com

cub cadet drive belt diagram,yasserchemicals.com

cub cadet pto belt diagram

cub cadet pto belt diagram

How to replace a cub cadet drive belt

How to replace a cub cadet drive belt

Cub Cadet Hydrostatic Lawn Tractor 1515 Parts Manual 770 10604A

Cub Cadet Hydrostatic Lawn Tractor 1515 Parts Manual 770 10604A

0 Response to "41 cub cadet 1515 belt diagram"

Post a Comment

Iklan Atas Artikel

Iklan Tengah Artikel 1

Iklan Tengah Artikel 2

Iklan Bawah Artikel