Iklan 300x250

39 John Deere 790 Parts Diagram

John Deere 790 Compact Utility Tractor Maintenance Guide & Parts List John Deere 790 Maintenance Guide identifies service schedule parts, maintenance intervals & common John Deere parts for this model. While your John Deere machine is certainly built with quality parts, they have a limited life. Good news is you can easily service your machine yourself... John Deere Parts Search for all John Deere Models Buy Genuine OEM John Deere Parts. Search huge inventory of Tractor Parts, Lawnmower Parts, Blower Parts, Engine Parts and ship it Today! We also offer a comprehensive free parts search using illustrated diagrams. We have been in business since 1945 and have been recognized as...

John Deere 790 Parts Catalog : Detailed Login Instructions| LoginNote John Deere 790 Tractor Parts [ Show Pictures ] [All John Deere Models] Clutch: Release ... is an externally regulated 12V, 20 Amp, Kuksan Denki Type. John Deere AG, Lawn & Garden and CWP Equipment Parts Search.John Deere parts lookup tool and diagram is an incredible online source.

John deere 790 parts diagram

John deere 790 parts diagram

OPERATION AND SERVICE MANUAL 6081 OEM Diesel | Manualzz Consult your John Deere Servicing Distributor or your nearest John Deere Parts Network for recommended fuels, lubricants, and coolant. Also available are necessary additives for use when operating engines in tropical, arctic, or any other adverse conditions. The Wife of Bath's Prologue and Tale - love-literature.com ‘The Wife of Bath versus the Clerk of Oxford: what their rivalry means’ by John A Alford published in The Chaucer Review 1986 St John’s account of the Feeding of the Five Thousand with five barley loaves. After this, Jesus went across Lake Galilee (or, Lake Tiberias, as it is also called). Читаем электросхемы John Deere - Автозапчасти и автоХитрости Читаем электросхемы спецтехники John Deere. (англ + рус). System Functional Schematic Example. This will allow for easy cross-referencing of all electrical drawings (schematics, wiring diagrams, and component location).

John deere 790 parts diagram. JOHN DEERE - Service Manual Download Kobelco Parts Manuals. John Deere Service Manual, Technical Manual Download. John Deere 670, 770, 790, 870, 970, 1070 Compact Utility Tractors Technical Manual (TM1470). John Deere 790 Compact Utility Tractor TM2088 PDF Manual Related products for John Deere 790 Compact Utility Tractor TM2088 Technical Manual PDF John Deere Parts ADVISOR 2021 makes it easy to find the model and parts you need. All JD vehicles are covered. Скачать с ютуб видео John Deere 670,770,790,870,970,1070... Deere 790 Parts Manual, John Deere 790 Parts Diagram, John Deere 870 Manual, John Deere 870 Owners Manual, John Deere 870 Service Manual, John Deere 870 Technical Manual, John Deere 870 Repair Manual, John Deere 870 Workshop Manual, John Deere 870 Service Manual Pdf... John Deere Parts | Parts & Services | John Deere US John Deere Remanufactured (REMAN) parts cut costs not quality with our remanufactured solutions. The John Deere dealer is the first line of customer parts service. Throughout the world, there are dealers to serve Agricultural, Construction, Lawn and Grounds Care, and Off-Highway...

Shop our selection of John-Deere 790 Parts and Manuals Some of the parts available for your John Deere 790 include Air Conditioning, Electrical & Gauges, Engine and Overhaul Kits, Lights and Related, Manuals and DVDs, Radiator & Cooling System, Sheet Metal and Body, Shop Supply, Seats | Cab Interiors, Clutch, Transmission, PTO. 129 John Deere Service Repair Manuals PDF... | Truckmanualshub.com John Deere tractors, combines & lawn mowers service repair manuals, wiring diagrams, fault codes list; john deere parts catalog download. John Deere Parts Catalog Download. Exploded Parts Diagrams for John Deere (Front Axle) Parts Diagrams for Massey Ferguson, Case I/H, Fordson, Ford New Holland, John Deere, Zetor and more. Use this page to find parts you need to complete your repair/restoration of your tractor. Whether it is a vintage or a modern tractor you should be able to identify the part by make and... John Deere Model 790 Compact Utility Tractor Parts John Deere Compact Utility Tractor Parts. Model 790. Model 790. The 13-digit product identification number (serial number) is located on the rear of the tractor.

Compact and Utility Tractor Parts | Parts & Service - John Deere You work hard. So does your John Deere tractor. Tackle any job with John Deere. Explore a one-stop shop for John Deere tractor parts and attachments.Oct 15, 2015 · Uploaded by John Deere Каталоги запчастей John Deere PDF Каталог запасных частей сеялки John Deere 1750. JOHN-DEERE-ZERNOVYE-ZhATKI-900-serija. Need free wiring diagram for john deere 790 utility tractor - Fixya John Deere 750 Wiring Diagram Deere Wiring Diagrams Image Database. Read full answer. My problem with my John Deere 790 stalling was my safety seat switch. MvBXD-Pump-Parts.pdf. user-manual-BXD... Comet BXD 2525 G... Step 2: Please assign your manual to a product Other Heavy Equipment Parts & Accessories for sale | eBay (22) 22 product ratings - John Deere 670/ 770/ 790/ 870/ 970/ 990/ 1070 Tractor Hood Nose w/ Decal. $149.00. $14.75 shipping. 30 watching. New Scraper Bar 780-432 for MTD 790-00121-0637 ... if you have a Kubota g6200, a simple Google search for "Kubota g6200 parts diagram" will allow you to see which part, in particular, you need to purchase ...

Online John Deere Parts Catalog​: Detailed Login Instructions ...

Online John Deere Parts Catalog​: Detailed Login Instructions ...

Amazon.com: john deere 790 parts All States Ag Parts Parts A.S.A.P. Filter Outer Air Element with Fins and Lid PA3785 FN Compatible with John Deere 870 790 770 1070 970 M802606. FREE Shipping. Only 4 left in stock - order soon. Amazon's Choicefor john deere 790 parts. John Deere Original Equipment Oil Change Kit Filter and...

John Deere Model 790 Compact Utility Tractor Parts

John Deere Model 790 Compact Utility Tractor Parts

John Deere 790 Tractor Price, Specs, Reviews & Features 2022 The John Deere 790 tractor was designed by Yanmar in Japan for John Deere. Its best features such as Yanmar 3TNE84 diesel 3-cylinder liquid-cooled 91.3 ci [1.5 L] engine produces 30 hp (horsepower), unsynchronized transmission system, 8 forward and 2 reverse gearbox system...

2005 John Deere 790 Compact Tractor Loader 4x4 300 Quick Attach Loader For  Sale Mark Supply Co

2005 John Deere 790 Compact Tractor Loader 4x4 300 Quick Attach Loader For Sale Mark Supply Co

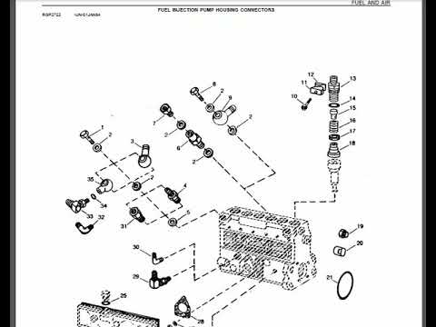
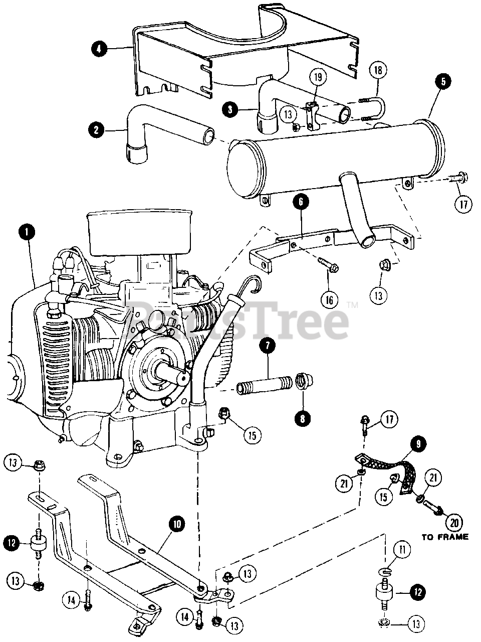
John Deere 790 Parts Diagram The online John Deere parts diagram is an incredible source. It shows you detailed pictures of every part of your machine. · Description: Wiring Diagram - Wheel Tractor-Scraper Caterpillar 621 - 621 in John Deere 790 Parts Diagram, image size 600 X 356 px, and to view image details please click the...

John Deere 790 Parts Catalog​: Detailed Login Instructions ...

John Deere 790 Parts Catalog​: Detailed Login Instructions ...

werner-roettger.de 1 day ago · How to change control pattern on kobelco excavator

John Deere Parts Manager Pro v6.5.5 EPC -John Deere ALL ...

John Deere Parts Manager Pro v6.5.5 EPC -John Deere ALL ...

John Deere 790 Compact Utility Tractors Technical Service Manual... Illustrated Factory Technical Service Manual for John Deere Compact Utility Tractors Models 790. This manual contains high quality images, circuit diagrams, instructions to help you to maintenance, troubleshooting, diagnostic, and repair your truck.

Re: Deere 790 - After 500 hours, parking brake set will latch ...

Re: Deere 790 - After 500 hours, parking brake set will latch ...

John Deere Mower, Tractor and Gator Parts | 247parts.com 24/7parts.com is a leading store for Genuine John Deere tractor, skid steer & lawn mower replacement parts. Find all the JD Parts and Accessories you need. Search for a Part. Other Items also Available.

John Deere 790 Compact Utility Tractor TM2088 Technical Manual PDF

John Deere 790 Compact Utility Tractor TM2088 Technical Manual PDF

Parts for John Deere 790 Tractors | Up to 60% off... | TractorJoe.com Parts categories for John Deere 790 Tractor. In 2000, the very first John Deere 790 Tractors went out. They were produced until 2007. Be sure to look for any serial number comments in the part fit notes.

Used John Deere 670 770 790 870 970 1070 Compact Utility ...

Used John Deere 670 770 790 870 970 1070 Compact Utility ...

John deere 790ELC in for parts 08/11 John deere 540A skidder parts machine. John deere 860 scraper ser#1201T chains coming in separately into yard 5/08. John deere 790DLC good running engine no boom or cyls. John deere 790D LC good hydraulics poor swing gear...

John Deere 792 Excavator Service Manual

John Deere 792 Excavator Service Manual

John Deere 3005 wiring diagram??? | Forum Does anyone on here have a wiring diagram for a J.D. 3005? I have a 2007 790 and I believe the wiring is exactly the same. All of the wiring diagrams I get for the 790 are for the older models.

CH14777 - John Deere Compact Tractor Parts

CH14777 - John Deere Compact Tractor Parts

TractorData.com John Deere 790 tractor information John Deere 790 attachments. 60" mid-mount mower deck. front-end loader. backhoe. Attachment details ... 790 Serial Numbers. Location: Serial number plate on the rear of the tractor.

Polaris Snowmobile 2009 OEM Parts Diagram for Suspension ...

Polaris Snowmobile 2009 OEM Parts Diagram for Suspension ...

Stihl MS 201 T Chainsaw (MS201 T) Parts Diagram, Handle ... View Stihl MS 201 T Chainsaw (MS201 T) Parts Diagram , Handle Housing and Handlebar to easily locate and buy the spares that fit this machine. +44 (0)1747 823039 Categories

Used John Deere 670 770 790 870 970 1070 Compact Utility Tractors Technical  Manual

Used John Deere 670 770 790 870 970 1070 Compact Utility Tractors Technical Manual

John Deere 132 BELT PICKUP WITH PLATFORM parts catalog John Deere Wiring Schematic Diagrams.pdf. John Deere 25 COMBINE HEADER TRANSPORT FRAME parts catalog.

CH17593 - John Deere Compact Tractor Parts

CH17593 - John Deere Compact Tractor Parts

John Deere parts catalog online EPC | AVSpare.com John Deere parts advisor expert catalog download diagrams construction parts dealer mower parts tractor search Search by your machine to find part Part Number Information parts manager pro is the electronic parts catalog (EPC) and parts manuals. The original directory on the selection of spare...

John Deere Commercial & Consumer 790 Compact Utility T ...

John Deere Commercial & Consumer 790 Compact Utility T ...

Читаем электросхемы John Deere - Автозапчасти и автоХитрости Читаем электросхемы спецтехники John Deere. (англ + рус). System Functional Schematic Example. This will allow for easy cross-referencing of all electrical drawings (schematics, wiring diagrams, and component location).

DF180 - TRANSMISSION EXTERNAL TRANSMISSION PARTS EPC John ...

DF180 - TRANSMISSION EXTERNAL TRANSMISSION PARTS EPC John ...

The Wife of Bath's Prologue and Tale - love-literature.com ‘The Wife of Bath versus the Clerk of Oxford: what their rivalry means’ by John A Alford published in The Chaucer Review 1986 St John’s account of the Feeding of the Five Thousand with five barley loaves. After this, Jesus went across Lake Galilee (or, Lake Tiberias, as it is also called).

John Deere 790 - Tractor, Compact Utility Parts Catalog ...

John Deere 790 - Tractor, Compact Utility Parts Catalog ...

OPERATION AND SERVICE MANUAL 6081 OEM Diesel | Manualzz Consult your John Deere Servicing Distributor or your nearest John Deere Parts Network for recommended fuels, lubricants, and coolant. Also available are necessary additives for use when operating engines in tropical, arctic, or any other adverse conditions.

Just bought my first tractor loader (JD 655) any pointers ...

Just bought my first tractor loader (JD 655) any pointers ...

PTO SHAFT 760, 790, AND 850 [B09] - SPREADER, MANURE John ...

PTO SHAFT 760, 790, AND 850 [B09] - SPREADER, MANURE John ...

John Deere 524L 4WD Loader Repair Service Manual (S.N after F693054 - )

John Deere 524L 4WD Loader Repair Service Manual (S.N after F693054 - )

790 - TRACTOR, COMPACT UTILITY Mid Pto Housing And Gears ...

790 - TRACTOR, COMPACT UTILITY Mid Pto Housing And Gears ...

790 - TRACTOR, COMPACT UTILITY FRONT AXLE AND DIFFERENTIAL ...

790 - TRACTOR, COMPACT UTILITY FRONT AXLE AND DIFFERENTIAL ...

John Deere 670 770 790 870 970 1070 Repair Manual [Compact ...

John Deere 670 770 790 870 970 1070 Repair Manual [Compact ...

Snapper 1855 (80828) - Snapper Garden Tractor, 18hp Engine ...

Snapper 1855 (80828) - Snapper Garden Tractor, 18hp Engine ...

Stihl 029 Chainsaw (029) Parts Diagram, Handle Housing

Stihl 029 Chainsaw (029) Parts Diagram, Handle Housing

John Deere Parts Diagrams, John Deere 60-IN Mid-Mount Rotary ...

John Deere Parts Diagrams, John Deere 60-IN Mid-Mount Rotary ...

John Deere Hydraulic Dump Material Collection System For ...

John Deere Hydraulic Dump Material Collection System For ...

How to change front 4x4 axle seal on Deere 790

How to change front 4x4 axle seal on Deere 790

John Deere 670, 770, 790, 870, 970, 1070 Compact Utility ...

John Deere 670, 770, 790, 870, 970, 1070 Compact Utility ...

John Deere 3020 Tractor Service Manual (SN# 0-122,999)

John Deere 3020 Tractor Service Manual (SN# 0-122,999)

JD 790 Front wheel lockup - TractorByNet

JD 790 Front wheel lockup - TractorByNet

John Deere AH216018 John Deere 9880i STS - Palec spare parts ...

John Deere AH216018 John Deere 9880i STS - Palec spare parts ...

John Deere 670, 770, 790, 870, 970, 1070 Compact Utility ...

John Deere 670, 770, 790, 870, 970, 1070 Compact Utility ...

PTO SHAFT (770, 790 COMPACT UTILITY TRACTOR) [A24] - DECK ...

PTO SHAFT (770, 790 COMPACT UTILITY TRACTOR) [A24] - DECK ...

John Deere Parts Diagram & Parts Search • John Deere Parts ...

John Deere Parts Diagram & Parts Search • John Deere Parts ...

John Deere 790 Compact Utility Tractor Maintenance Guide ...

John Deere 790 Compact Utility Tractor Maintenance Guide ...

All States Ag Parts Parts ASAP I&T Shop Manual fits John Deere 755 755 855  855 955 955 856 856 655 655 655 756 756

All States Ag Parts Parts ASAP I&T Shop Manual fits John Deere 755 755 855 855 955 955 856 856 655 655 655 756 756

Compact and Utility Tractor Parts | Parts & Service | John ...

Compact and Utility Tractor Parts | Parts & Service | John ...

Compact and Utility Tractor Parts | Parts & Service | John ...

Compact and Utility Tractor Parts | Parts & Service | John ...

John Deere 59-IN 2-Stage Snow Blower (42/43/4400, 42/43/4410 ...

John Deere 59-IN 2-Stage Snow Blower (42/43/4400, 42/43/4410 ...

0 Response to "39 John Deere 790 Parts Diagram"

Post a Comment

Iklan Atas Artikel

Iklan Tengah Artikel 1

Iklan Tengah Artikel 2

Iklan Bawah Artikel