37 billy goat blower parts diagram
This Billy Goat F1302H Push Walk Behind Blower can cut your work time in half, or more with 6.2X the air volume of backpack leaf blowers. A smooth rounded housing provides consistent air flow, reduced noise, and increased output efficiency, along with 30% less weight than steel blowers for effortless pushing. Billy Goat Replacement Cable Diverter ; Billy Goat Part # 440117 ; Replaces: N/A ; Fits Many Models; Please see below for more details. Please verify the original Billy Goat part number in your owner's manual or on the appropriate parts diagram of your model for correct location and fitment of this item.
Billy Goat guarantees the F9's impeller and housing for 5 years of use, while the rest of the blower is guaranteed for a year of commercial use or three years of residential use. Honda guarantees its GX-Series engines for three years of commercial use. For Everything Billy Goat, Visit Billy Goat Parts

Billy goat blower parts diagram
Billy Goat Wheeled Blower F602X with 208 cc Briggs & Stratton engine is designed for productive debris cleanup for small properties and residential areas. A 16-blade advanced fan technology delivers fantastic performance for a great-looking lawn. The patented Aim N Shoot feature directs the airflow where you need it most with fingertip control and is lockable for single positions. Billy Goat F1302H Parts Diagrams. SWIPE SWIPE. Full Assembly. JavaScript Disabled - Unable to show Cart. Parts Lookup - Enter a part number or partial description to search for parts within this model. There are (77) parts used by this model. Found on Diagram: Full Assembly. Billy Goat F601S Parts Diagrams. Parts Lookup - Enter a part number or partial description to search for parts within this model. There are (72) parts used by this model. ELASTIC LOOP BLACK 5.
Billy goat blower parts diagram. How to find parts for the older Billy Goat models listed below: Step 1: Click a model below to view its parts diagram. Step 2: Find the part number you need on the diagram. Step 3: Enter the part number in the search box at the top center of this website to purchase. Billy Goat repair parts and parts diagrams for Billy Goat F 902 H - Billy Goat Force Wheeled Blower, 9hp Honda Genuine Billy Goat Impeller Assembly (16") Billy Goat Part # 441202-S Replaces: N/A Fits the Following Many Models: F601HS, F601S. Please see below for more details Please verify the original Billy Goat part number in your owner's manual or on the appropriate parts diagram of your model for correct location and fitment of this item. Stihl BGA 56 Cordless Blower (BGA 56) Parts Diagram, A HANDLE HOUSING. Look at the diagram and find parts that fit a Stihl BGA 56 Cordless Blower, or refer to the list below. All parts that fit a BGA 56 Cordless Blower. Select Page.
Billy Goat F602X force blower features the next level of performance and productivity in push blowers. Forget the fatigue factor associated with heavy metal machines, this model is a remarkable 30% lighter than comparable steel units and weighs only 83 lbs., making it a breeze to roll around the yard. Hurricane / Ferris / Billy Goat Blower Parts. OEM Hurricane Blowers Parts for X3 and X3 Stand-On Blowers. Hurricane was purchased by Briggs & Stratton last year and now Ferris and Billy Goat have versions of the stand-on blower. A lot of the part numbers are interchangeable. FORCE BLOWER PUSH Owner's Manual INSTRUCTION LABELS The labels shown below were installed on your BILLY GOAT ® FORCE Blower. If any labels are damaged or missing, replace them before operating this equipment. Item numbers from the Illustrated Parts List and part numbers are provided for convenience in ordering replacement labels. Billy Goat 891125 Hose Kit for Lawn Vacuums. 4.3 out of 5 stars. (3) Total Ratings 3, $179.89 New. Genuine Billy Goat Liner Housing Dl18 Part# 812214. $160.49 New. Billy Goat F1302H Walk Behind Leaf Blower. $2,125.00 New.
Stihl BGA 56 Cordless Blower (BGA 56) Parts Diagram, A HANDLE HOUSING USA. Look at the diagram and find parts that fit a Stihl BGA 56 Cordless Blower, or refer to the list below. All parts that fit a BGA 56 Cordless Blower. Select Page. Find Your Billy Goat Manual & Parts Lists. Model numbers can be found on the Product Identification Tag located on your Billy Goat product. They are used to look up your product's Operator's Manual and Illustrated Parts Lists. If you're searching for a manual for a former Hurricane Power blower, please visit our Manuals Archive. Ideal for large size maintenance contractors, landscapers, seal coaters, schools, parks departments, cemeteries, resorts, street departments, golf courses and estate properties, the Hurricane Z3000** doubles down on productivity with world class commercial cleanup power. The Hurricane Z3000's seamless operating controls, tri-directional blowing options, robust blowing power and zero-turn ... Billy Goat® Debris Loader Parts. Billy Goat truck-bed debris loaders make fast work of cleanup by sucking it all up! Their 13 HP, 14 HP, 18 HP, 29 HP, and 37 HP heavy-duty units with armor plate steel impellers provide a 12:1 reduction ratio. Whether you need a new debris reducer, a throttle control, or just some washers, we've got you covered.
Located outside of Kansas City, Missouri, Billy Goat is a family-owned and operated manufacturer of yard cleanup and outdoor chore equipment. To keep your lawn looking its best, shop Weingartz for Billy Goat equipment , leaf blowers , trimmers and brushcutters , walk behind lawn mowers , and specialty equipment ), find parts using our parts lookup diagrams , or check out our service packages ...
Genuine Billy Goat Black Vacuum Nozzle 5 in 840182. Please verify the original Billy Goat part number in your owner's manual or on the appropriate parts diagram of your model for correct location and fitment of this item. We are an Authorized Billy Goat Dealer.
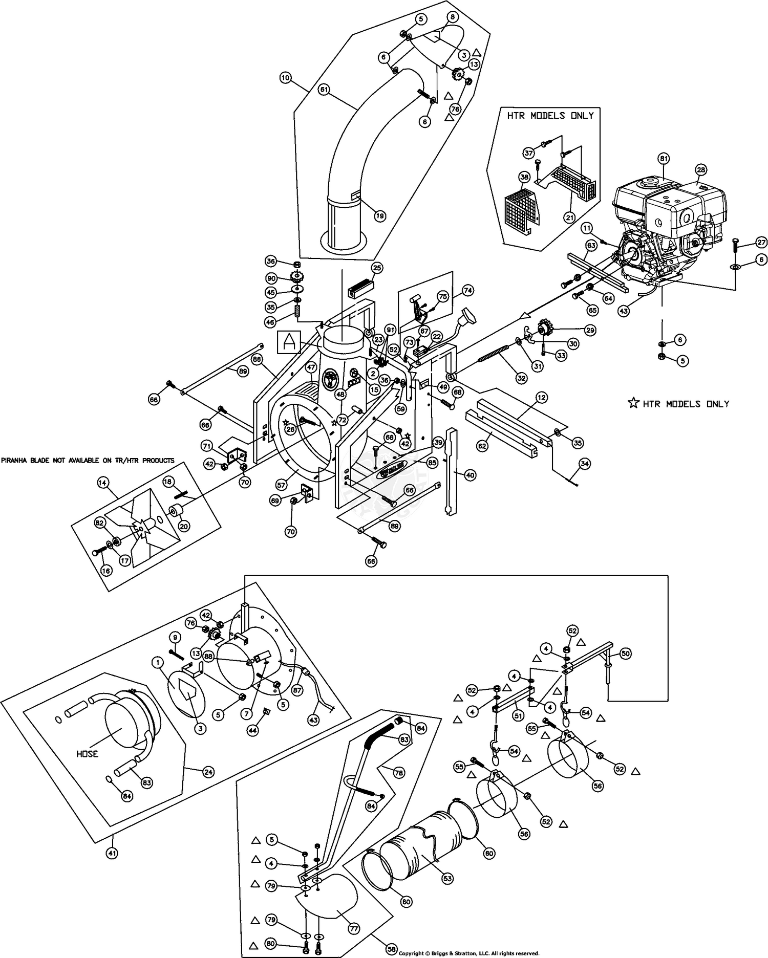
Parts; Equipment; Diagrams; My Account Menu Toggle. My Account; Contact Menu Toggle. Contact Us / Request Parts; Our Store; Billy Goat F1302H F13 Force™ Series Wheeled Leaf Blower. Home | Diagrams | F1302H. No. Part Number Qty Used ... CONTROL THROTTLE BLOWER : 32: 440014: 1: CABLE THROTTLE BLOWER : 33: 8161042: 1: NUT LOCK 3/8-16 LT WT THIN ...
Features for the Billy Goat F902S - Leaf Blower. Tired of dragging around a heavy, loud leaf blower only to end up with aching arms & legs in return? This Billy Goat F902S Walk Behind Leaf Blower increases productivity by having an air volume 3.8X the amount of a backpack blower and is 30% lighter than steel walk-behind blowers to save you ...
Billy Goat Industries is the premier manufacturer of specialty turf products with a reputation for innovation, productivity and quality. Started in 1967 as a subsidiary of Clipper Manufacturing, Billy Goat became independent in 1969. In May, 2015, the company was acquired by the Briggs & Stratton Corporation. Billy Goat Industries features a complete line of product solutions for residential ...
Part Number: F1302SPH. Specs: Self-Propelled Walk Behind Leaf Blower - GX390 Honda. Model: F1302SPH. View More Details. Your Price: $2,525.00. Billy Goat F1302H Push Walk Behind Leaf Blower - GX390 Honda. Part Number: F1302H. Specs: Push Walk Behind Leaf Blower.
Billy Goat Blower QB1304H Parts Original Billy Goat Parts << Return to Model List. Know the part number? Find it here. Find a specific Billy Goat part number by searching for it here. ... Use the diagrams to identify the exact part number(s) you need. Then find those numbers on the parts lists below to check availability and proceed to checkout.
F 601 S - Billy Goat Force Wheeled Blower, 6hp Subaru. F 601 V - Billy Goat Force Wheeled Blower, 10 hp Vanguard. F 601 X - Billy Goat Force Wheeled Blower, 10 hp Briggs & Stratton. F 800 - Billy Goat Force Wheeled Blower, 8hp Briggs & Stratton. F 901 H - Billy Goat Force Wheeled Blower, 9hp Honda.
Getting Parts for Your Blower. Whether you have the latest Force composite blower or one of Billy Goat's older metal impeller models, you can get everything you need to keep it running from www.billygoatparts.com. We're not just a Billy Goat dealer, we're also a certified dealer for Honda, Subaru, and Briggs & Stratton, letting us provide ...
We also have catalogs of commonly-requested parts and accessories, arranged by category. Our company has years of experience with selling, maintaining, and repairing all types of Billy Goat equipment: vacuums, blowers, truck loaders, aerators, overseeders, sod cutters, power rakes, and more. We love the quality and innovation of Billy Goat ...
Billy Goat F601S Parts Diagrams. Parts Lookup - Enter a part number or partial description to search for parts within this model. There are (72) parts used by this model. ELASTIC LOOP BLACK 5.
Billy Goat F1302H Parts Diagrams. SWIPE SWIPE. Full Assembly. JavaScript Disabled - Unable to show Cart. Parts Lookup - Enter a part number or partial description to search for parts within this model. There are (77) parts used by this model. Found on Diagram: Full Assembly.
Billy Goat Wheeled Blower F602X with 208 cc Briggs & Stratton engine is designed for productive debris cleanup for small properties and residential areas. A 16-blade advanced fan technology delivers fantastic performance for a great-looking lawn. The patented Aim N Shoot feature directs the airflow where you need it most with fingertip control and is lockable for single positions.
0 Response to "37 billy goat blower parts diagram"
Post a Comment