39 john deere rx75 belt diagram
John deere 425 transaxle parts diagram. John deere 455 hitch. John deere lawn and garden tractor parts. Order online or call toll free. We decide to explore this john deere 425 parts diagram photo on this page just because based on info coming from google engine it really is one of many best queries key word on the internet. 40 john deere rx75 parts diagram; 40 4 conductor speaker wire diagram; 36 marlin model 80 parts diagram; 37 1998 ford e350 van fuse box diagram; 38 acura integra suspension diagram; 40 2007 prius fuse box diagram; 36 cat 3126 heui pump diagram; 35 2003 dodge caravan wiring diagram; 38 chrysler sebring fuse box diagram; 35 cub cadet 1525 belt ...
John Deere Rx75 Service 1/5 Read Online John Deere Rx75 Service Highway & Heavy Construction- 1978 The Operation, Care, and Repair of Farm Machinery-Deere & Company 1948 Belts and Chains-Deere & Company 1974 European Union Accession- 1999 As the European Union (EU) launches its common currency (the Euro), Central European (CE) nations are ...

John deere rx75 belt diagram
John deere model lt155 lawn tractor parts the serial number is located in front and below the seat as indicated in this photo. John deere lt 155 drive belt i have an operators manual but there is no diagram or info related to the routing of the drive belt.Step 2 raise the truck. John deere z225 belt diagram.Scotts s1642 by john deere drive belt diagram.Move brake assembly (B) away from sheave ... John Deere SX85 Engine. 13HP Briggs & Stratton 465cc 1-cyl gasoline. Fuel tank. 1.24 gal. 4.7 L. Engine details ... John Deere SX85 Transmission. mechanical variable transmission. Transmission details ... I have a john deere lt166 with a 48c deck. McMaster-Carr is the complete source for your plant with over 580,000 products. The transmission drive belt may or may not need an adjustment. Sunbelt XHT Mulching Mower Blade for 48C John Deere Deck - B1JD1043 0 $12.95. This video is a how to on burning a stump with a quick and efficient method.
John deere rx75 belt diagram. Diagram 50 john deere engine diagram plus it is not directly done, you could resign yourself to even more just about this life, going on for the world. ... Deck And Drive Belts On A John Deere RX75 Riding Mower with Taryl Nikki V Twin Carb Reassembled { Briggs and Stratton Intec} How to clean a Briggs \u0026 Stratton Nikki JOHN DEERE RX63 RX73 RX75 SX75 RX95 SX95 RIDING MOWERS fix manual and administration manual is in pdf design so it will work with PCs including WIN, MAC, etc. You can Easily see, Navigate, print, Zoom in/out according to your necessities. John Deere Rx63 Rx73 Rx75 Riding Mowers Manual. Wiring Diagram John Deere Lt155 15 Amp. John Deere, , GS45, & JX75 I converted my LT from a 3amp to a 15amp then later I swapped a 15hp engine from either . I cut the existing wiring harness from the LT & connected the wires to the wiring off of. John Deere Model LT Lawn Tractor Parts - The serial number is located in front and below the seat ... Download Free John Deere Rx75 Owners Manual ... The Decorated Diagram In Losing the News, Pulitzer Prize-winning journalist Alex S. Jones offers a probing look at the epochal changes sweeping the media, changes which are eroding the core news that has been the essential food supply of our democracy. At a time of dazzling technological ...
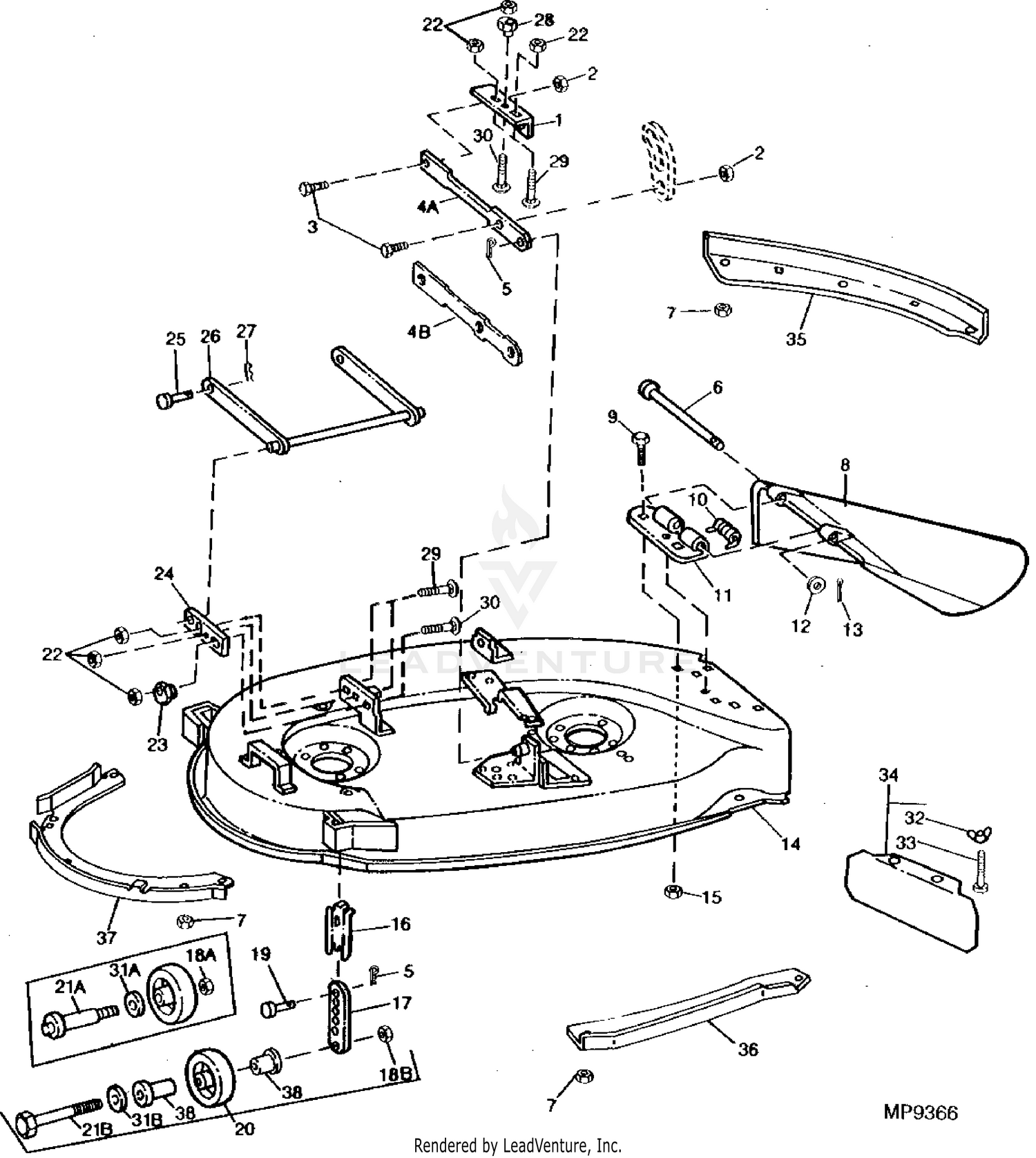
SOURCE: Serpentine belt diagram for a 2001 Pontiac Bonneville SSEI these motors have two carrier pulleys and oone tensioner. lookinjg at the motor from the rightside of car the belt goes as follaws: crank pully to super charger from the left. the right side goes up to the lower carrier which will have the flat of the belt riding on it. from ... From the JD site, you can get the drive and deck belt diagram s here: John deere sx75 belt diagram. But now i also need a diagram or description on how the belt goes on the 30 deck corey ood i need a belt pattern diagram for the rx75 john deere. Diagram John Deere Rx75 Mower Belt Diagram In this video i show how to route the deck belt on a 42" john deere 100 series 42" deck. this video applies to the l 100 and la 100 series and d 100 series 2.Tags: belt, deck, deere, inch, installation, john, la110, routing « genuine john deere mower primary deck drive belt m136298 ltr155 42 deck deck blade spindle belt kit set john deere la145 la165 d140 d150 d160 x140 x165 ». 1 The John ... Asked in john deere diagram for replacing deck belt for a john deere l120. Each sold separately. 1 decade ago. Each sold separately. 1 decade ago. These heavy-duty tractors include models with two-wheel drive (2WD) and four-wheel drive (4WD), two- and four-wheel steering, and even a model with full Brake Lining Kit Shoe B 50 Ab3849r Fits John ...
John Deere Parts Diagram s, John Deere L130 Lawn Tractor Material Collection System -PC9291 . AIR CLEANER: FUEL & AIR. Attachment,Snow Blade,46 inch: Snow Blade,46 Inch. ... Mower Drive Belt,Sheaves,Spindles & Blades SN -A130000,-B020000: MOWER DECK AND LIFT LINKAGE. 2016 JOHN DEERE D130. 22HP BRIGGS AND STRATTON. 42 INCH DECK. 258 HOURS.CALL AG PRO LONDON AND ASK FOR MORE INFO. The following diagram describes the color coding: Generate entity diagram s with the metadata diagram tool. To use the sample code that will programmatically generate Office Visio metadata diagram s, build and execute the using the solutions from SDK sample. I will be showing you how to make entity relationship diagram s using Microsoft Visio 2013. John Deere Service Manual Download How to change the Drive Belt on a John Deere GX75 John Deere RX75 Ignition Bypass How to Start John Deere RX75 riding mower Igniter replacement. Stalling problem. Loss of spark. HOW TO TROUBLESHOOT and DIAGNOSE a JOHN DEERE RIDING LAWNMOWER that WON'T START John Deere RX95 Part 2 A $50.00 John Deere SX75 project. The roosa master stanadyne part number is dbgfc631 40aj. Best ford diesel fuel line fittings. The roosa master injection pump was the first distributor type to provide a simple mechanism for controlling the speed of generator sets thereby reducing its complexity and number of parts.The one in the video is out of a 1979 oldsmobile 57l v 8. This is a partial compilation of three differing styles ...
John Deere lawn mower belt diagram. Better yet, print one out so that the graph can assist you while you're outside, repairing the belt. It's comparatively easier to take the mowing deck off the lawnmower. First up, you must check for a deckle and a sticker on top of the deck.
JOHN DEERE RX63 RX73 RX75 SX75 RX95 SX95 RIDING … JOHN DEERE RX63 RX73 RX75 SX75 RX95 SX95 RIDING . JOHN DEERE RX63 RX73 RX75 SX75 RX95 SX95 RIDING MOWERS repair manual & service manual is in pdf format so it will work with computers including WIN, MAC etc.You can Easily view, Navigate, print, Zoom in/out as per your requirements.
Lawn and Garden Product Information Handbook published in 1997, by John Deere: Lawn and Garden Product Information Handbook published in 1998, by John Deere: Operator's Manual LX172, LX173, LX176, LX178, and LX188 (OMM134134) published in 1997, by John Deere: Lawn & Grounds Care Sales Manual published in 1997, by John Deere
Tim asplin, hi ed i have a lt160, and had the fredom 42 deck, just to tell you if youre belt breaks in that deck it will cost around a $180.00 for a new belt and new blades. If you are searching for a book by john deere manuals john deere lt160 lawn tractor oem parts manual in pdf form, then you've come to faithful website.
I have a john deere lt166 with a 48c deck. McMaster-Carr is the complete source for your plant with over 580,000 products. The transmission drive belt may or may not need an adjustment. Sunbelt XHT Mulching Mower Blade for 48C John Deere Deck - B1JD1043 0 $12.95. This video is a how to on burning a stump with a quick and efficient method.
John Deere SX85 Engine. 13HP Briggs & Stratton 465cc 1-cyl gasoline. Fuel tank. 1.24 gal. 4.7 L. Engine details ... John Deere SX85 Transmission. mechanical variable transmission. Transmission details ...
John deere model lt155 lawn tractor parts the serial number is located in front and below the seat as indicated in this photo. John deere lt 155 drive belt i have an operators manual but there is no diagram or info related to the routing of the drive belt.Step 2 raise the truck. John deere z225 belt diagram.Scotts s1642 by john deere drive belt diagram.Move brake assembly (B) away from sheave ...
0 Response to "39 john deere rx75 belt diagram"
Post a Comment