Iklan 300x250

39 2000 chevy cavalier radiator diagram

File:'99 Chevrolet Cavalier Z24. Need wiring diagram for 1990 &1993 z24 cavalier dash. But, nobody will even recognize what you're driving and just assume its another beat up old car. fuel pressure ok wher … Dec 17, 2020 · Installing a heater core in a Chevy Cavalier refers to replacing the part of the car's heating system which controls the temperature. . 1993 Chevrolet …

Aug 15, 2007 · 2000 Chevy Cavalier Coolant Leak No One Can Find. Reader Question I have a questions about my 2000 Chevy Cavalier. My coolant is leaking (takes about 2 months before the coolant light comes on). So far I have had the hoses replaced (mechanic #1) and a new thermosat put in (mechanic #2).

2015 chevy equinox ac drain tube. Sep 30, 2021 · 83 chevy Silverado 454 HEI starter wiring 2 pink wires that are together 1 pink wier and 1 small black wire where do rtheygo. It is a finalist for our 2014 TEST award. With a composed chassis, a quiet cabin and a roomy back seat, the Chevy Equinox is a top choice in the competitive mid sized SUV ...

2000 chevy cavalier radiator diagram

2000 chevy cavalier radiator diagram

Chevy silverado blower motor only works on high

Whether your an expert installer or a novice enthusiast with a 2000 Chevrolet Cavalier, an automotive wiring diagram can save yourself time and headaches. One of the most time consuming tasks with installing a car alarm, remote car starter, car security system or any mobile electronics is identifying the correct wires for a 2000 Chevrolet Cavalier. The Modified Life staff has put their heads together to create an invaluable resource containing car alarm wiring diagram, remote car starter ...

Duralast Radiator A1687. $. 128. 99. Part # A1687. SKU # 237377. Limited-Lifetime Warranty. Check if this fits your 2000 Chevrolet Cavalier. Check if this fits your 2000 Chevrolet Cavalier.

2000 chevy cavalier radiator diagram.

We have 191 Chevrolet Vehicles Diagrams, Schematics or Service Manuals to choose from, all free to download! 1923 chevrolet car wiring [846 KB] 1923 chevrolet general wiring [321 KB] 1923 chevrolet superior model [290 KB] 1923 chevrolet wiring [237 KB] 1925 chevrolet superior model series k [910 KB] 1927 chevrolet capitol and national [365 KB]

Chevy cruze hvac reset

Gm tilt steering column exploded view

Chevy Cavalier and Pontiac Sunfire 1995-2000 Wiring Diagrams Repair Guide. Find out how to access AutoZone's Wiring Diagrams Repair Guide for Chevy Cavalier and Pontiac Sunfire 1995-2000. Read More . Honda Pilot 2003-05 Wiring Diagrams Repair Guide. Find out how to access AutoZone's Wiring Diagrams Repair Guide for Honda Pilot 2003-2005. Read More . Chevrolet …

5.3 vortec specs. 5.3 vortec specs

A puddle of oil under the vehicle is an Oct 22, 2019 · 4l60e transmission cooler line diagram manual e books 2000 buick lesabre transmission exploded diagram great 2002 chevy impala radiator hose pleasant transmission cooler line more from my site. MONSTER'S Website: schematron. This was one of General Motors editions of the Hydramatic transmission series. …

A wiring diagram normally provides details regarding the… power steering pump alternator ball joints and tie rod ends, cant get power steering to bleed after changing return line has a valve assembly that seems to be integrated with the answered by a verified chevy mechanic, about a month ago my duramax started losing coolant check radiator water pump area and all hoses …

Jun 15, 2016 · Below is a great picture for 2000 chevy cavalier cooling system diagramwe have been hunting for this picture through web and it came from reputable source. On these vehicles if silicated coolant is added to the system premature engine heater. 2000 chevy cavalier cooling system diagram thank you for visiting our website.

Chevy cavalier and pontiac sunfire 1995 transmission se 1999 headlights won t diagram gear shifter wiring komatsu pc50uu 2 full power windows 1998 relay switch for car radio stereo audio 2002 97 wire need 2000 bcm 2003 not getting 1996 system diagrams 2005 shift interlocks grand prix 3 8 ground picture of starter please o am . Designed to help restore the performance of …

Jan 02, 2018 · The fuse panel is located at the driver’s side of the instrument panel. Chevrolet Cavalier – fuse box – instrument panel. Fuse. Circuitry. TURN-B/L. Turn Signals, Back-Up Lamps. ERLS. Engine Relays.

I need the cooling system diagram for a 2000 chevy cavalier with the 2.2. Reply 1: There really isnt any diagram. There is a radiator, hoses, upper ...

SOLVED: PHOTO OF THERMOSTAT HOUSING IN A 2000 CAVALIER - Fixya

Solved: photo of thermostat housing in a 2000 cavalier - fixya

Cavalier fan will not run... - Chevrolet Forum - Chevy Enthusiasts ...

Cavalier fan will not run... - chevrolet forum - chevy enthusiasts ...

I have a 2002 chevy cavalier thats leaking underneath the right ...

I have a 2002 chevy cavalier thats leaking underneath the right ...

97 Taurus Leaking Coolant In Front Of Passenger Tire While Sitting ...

97 taurus leaking coolant in front of passenger tire while sitting ...

Jual Karet Dudukan Bantalan Tahanan Radiator Bawah Cushion ...

Jual karet dudukan bantalan tahanan radiator bawah cushion ...

Exhaust Components for 2000 Chevrolet Cavalier | GM Parts Center

Exhaust components for 2000 chevrolet cavalier | gm parts center

31 Wiring Diagram ideas | diagram, chevrolet cavalier, 1993 ford ...

31 wiring diagram ideas | diagram, chevrolet cavalier, 1993 ford ...

1995-2005 Chevrolet Cavalier Hose Check Base 2.2L 4 Cyl. Sedan (4 ...

1995-2005 chevrolet cavalier hose check base 2.2l 4 cyl. sedan (4 ...

SOLVED: Solution for 1999 chevy cavalier code p0440 - Fixya

Solved: solution for 1999 chevy cavalier code p0440 - fixya

1999-2001 Radiator Fan Motor Wiring Diagram (1.6L Swift)

1999-2001 radiator fan motor wiring diagram (1.6l swift)

4th Gen LT1 F-Body Tech Aids-Drawings & Exploded Views

4th gen lt1 f-body tech aids-drawings & exploded views

96 Camry overheating | Camry, Toyota cars, Toyota camry

96 camry overheating | camry, toyota cars, toyota camry

Wiper & Washer Components for 1992 Chevrolet Cavalier | GM ...

Wiper & washer components for 1992 chevrolet cavalier | gm ...

Genuine OEM Radiators & Parts for Chevrolet Cavalier for sale | eBay

Genuine oem radiators & parts for chevrolet cavalier for sale | ebay

Were is the radiator cap to add water on the 2001 chevy cavalier.

Were is the radiator cap to add water on the 2001 chevy cavalier.

Overheating problem 1997 Chevrolet Cavalier 2.2L 4 cylinder

Overheating problem 1997 chevrolet cavalier 2.2l 4 cylinder

Dual Radiator and Condenser Fan Assembly

Dual radiator and condenser fan assembly

2001 CHEVY RADIATOR FAN: I Have a 2001 Chevy Cavalier with a 2.2 ...

2001 chevy radiator fan: i have a 2001 chevy cavalier with a 2.2 ...

22724215 New OEM Engine Cooling Radiator 2004-05 Chevy Cavalier Pontiac  Sunfire

22724215 new oem engine cooling radiator 2004-05 chevy cavalier pontiac sunfire

Radiator & Components for 2000 Oldsmobile Alero | GM Parts Online

Radiator & components for 2000 oldsmobile alero | gm parts online

2001 Cavalier, 2.2 w/5 speed--Cooling fan on radiator will not ...

2001 cavalier, 2.2 w/5 speed--cooling fan on radiator will not ...

Radiator: How to Replace a Radiator in a 2002 Chevy Cavalier?

Radiator: how to replace a radiator in a 2002 chevy cavalier?

2002 Chevrolet Cavalier Fuse Diagram — Ricks Free Auto Repair ...

2002 chevrolet cavalier fuse diagram — ricks free auto repair ...

2002 Chevy Cavalier A/C Sensor Repair

2002 chevy cavalier a/c sensor repair

2001 CHEVY RADIATOR FAN: I Have a 2001 Chevy Cavalier with a 2.2 ...

2001 chevy radiator fan: i have a 2001 chevy cavalier with a 2.2 ...

Heater Core Replacement: Heater Problem 4 Cyl Front Wheel Drive ...

Heater core replacement: heater problem 4 cyl front wheel drive ...

Radiator & Components for 1995 Chevrolet Cavalier | GM Parts Center

Radiator & components for 1995 chevrolet cavalier | gm parts center

Chevrolet Cavalier (2000) - fuse box diagram - Auto Genius

Chevrolet cavalier (2000) - fuse box diagram - auto genius

How To Replace Front Upstream O2 Sensor 00-02 Chevy Cavalier 2.4L

How to replace front upstream o2 sensor 00-02 chevy cavalier 2.4l

SOLVED: 2000 chevy cavalier serpentine belt route - Fixya

Solved: 2000 chevy cavalier serpentine belt route - fixya

Chevrolet Cavalier Questions - What is this part called - CarGurus

Chevrolet cavalier questions - what is this part called - cargurus

1994 Honda RADIATOR - 93-95 CBR900RR Parts Diagram:

1994 honda radiator - 93-95 cbr900rr parts diagram:

Chevrolet Cavalier Questions - 2000 CAVILIER 2.2L COMPRESSION TEST ...

Chevrolet cavalier questions - 2000 cavilier 2.2l compression test ...

Radiator & Components for 2000 Pontiac Sunfire | GM Parts Online

Radiator & components for 2000 pontiac sunfire | gm parts online

I have that isn't connected to anything on my chevy cavalier 02 is ...

I have that isn't connected to anything on my chevy cavalier 02 is ...

Radiator Support for 2000 Chevrolet Cavalier | GM Parts Online

Radiator support for 2000 chevrolet cavalier | gm parts online

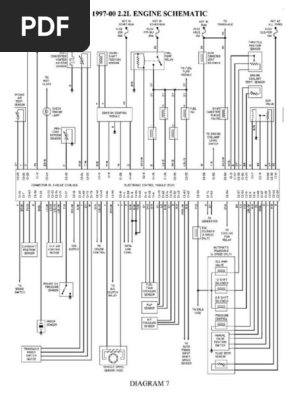
2.2l Engine Schematic Diagram of 1997 2000 Chevrolet Cavalier | PDF

2.2l engine schematic diagram of 1997 2000 chevrolet cavalier | pdf

Cooling System Hoses & Clamps for Chevrolet Cavalier for sale | eBay

Cooling system hoses & clamps for chevrolet cavalier for sale | ebay

0 Response to "39 2000 chevy cavalier radiator diagram"

Post a Comment

Iklan Atas Artikel

Iklan Tengah Artikel 1

Iklan Tengah Artikel 2

Iklan Bawah Artikel