Iklan 300x250

38 scag tiger cub drive belt diagram

Manuals & Parts Lists. Please select Cheetah Cheetah II Classic Cougar Edger Extreme Extreme Pro Freedom Z Giant-Vac Field and Brush Mowers, Mowers Giant-Vac Log Splitters Giant-Vac Miscellaneous Giant-Vac Municipal / Industrial Loaders / Self-Contained Giant-Vac Truck Loaders Giant-Vac Vacuums Giant-Vac Wheeled Blowers Grass Collection Systems ...

Scag tiger cub drive belt diagram Scag tiger cub drive belt diagram (LH) or a right hand (RH) right angle drive. 74. Never had to take off clip in rear. Element Spring 4. 27. Neilsen Gear Hub Pulley Puller Bearing Separator Internal External 2 and 3 Legged 3" 4" 6" 8 Suitable for Remove of Gears, Hubs...

Scag SMWC-61V (S/N D9300001-D9399999) Exploded View parts lookup by model. Complete exploded views of all the major manufacturers. It is EASY and FREE

Scag tiger cub drive belt diagram

Scag tiger cub drive belt diagram

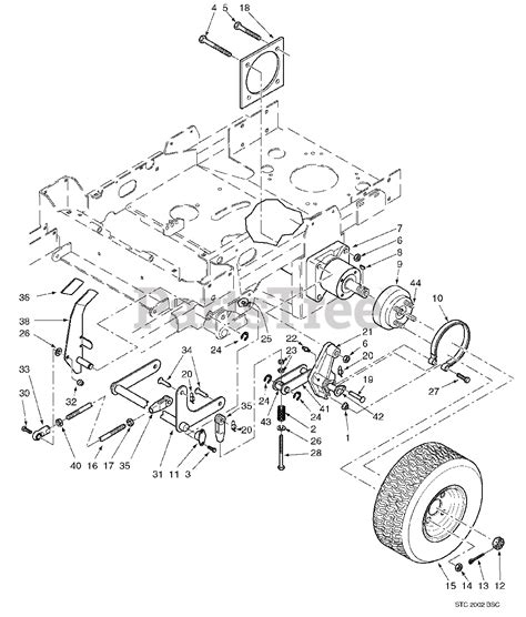
Scag STC48A-19KA Tiger Cub (S/N A4800001-A4899999) Exploded View parts lookup by model. Complete exploded views of all the major manufacturers. It is EASY and FREE

Scag tiger cat 48 belt diagram The mower was known as a Tiger Cub in previous years; While the name changed slightly, the standard of excellence remains the same; Quality and durability are first noticed on the Tiger Cat's frame Oct 28, 2021 · Description: Belt Diagram For Scag Turf Tiger - The Best Belt In The World in Scag Tiger Cub ...

Louisville Tractor has one of the largest inventories of Tiger Cub Parts in the country. You will find blades, pulleys, clutches, tires, spindles, and many more parts to fit your . Need help finding the right parts, try using our free Scag Tiger Cub Part Diagrams. You can count on Louisville Tractor to deliver high quality OEM and replacement ...

Scag tiger cub drive belt diagram.

OEM Scag Hydraulic pump drive belts for Scag Tiger Cub, Wildcat, Turf Tiger, Patriot and Liberty mowers. Scag hydro belts in-stock for less and ship the same day.

This item: Scag Genuine OEM Drive Belt for Turf Tiger 482876. $40.13. Only 1 left in stock - order soon. Ships from and sold by EPR Distribution. SCAG STTII Pump Drive Belt 485909. $73.77. Only 2 left in stock - order soon. Ships from and sold by Parts Ogre.

Cutter Deck diagram and repair parts lookup for Scag STC48A-19KA - Scag Tiger Cub 48" Zero-Turn Mower, 19hp Kawasaki (SN: A4800001 - A4899999)

11.02.2019. 5 Comments. on Belt Diagram For Scag Turf Tiger. schematron.org - Order Genuine Scag Parts for the Scag SMTA - Scag Turf Tiger 61 Cutter Deck (SN: ) Mower deck assemblie. Scag Turf Tiger Parts look up and diagrams, buy Scag Turf Tiger parts Online. Okay, I've seen some references to the Drive Pump Belt replacement being a 5 minute job.

Scag Turf Tiger Zero Turn Mower; Mower Wiring Diagram · Commercial Zero Turn Mo Scag Turf Tiger Deck Belt Diagram. See all. diagramweb.net Scag Turf.scag v-belt; drives the blower assembly for grass collection system. from: $ G-5™ Gator Mulcher Blade Fits Turf Tiger, Tiger Cub, Wildcat, Freedom Z52" Deck,18" Long, 3" Wide, 5/8" Center Hole ...

Accordion Tab Title 1. Lorem ipsum dolor sit amet, consectetur adipisicing elit. Optio, neque qui velit.

The Scag manual provides little information when it comes to belt replacement. I found this response for a question about belt replacement on a Scag Tiger Cub on lawnmowerforum.com: "Look in the parts manual for your deck, you will see a tensioner arm with a pulley mounted on it and the arm has a large spring pulling on it. There is a square ...

Scag Cutter Drive Engine Belt 61 inch 48912. $68.94. Add To Cart. Quick View. Scag Hydro Drive Belt 20 inch SWZU 481864. $38.20. Add To Cart. Quick View. Scag Blade Drive Belt (RH) 52 inch 48285.

Scag Tiger Cat Belt Diagram. Oregon Scag Scag Tiger Cub 48V, 52V Deck Mower Exploded View parts lookup by model. OEM# , DECK DRIVE BELT 48" CUT 5/8" x 1/4". 8. Scag STC61VFX (Tiger Cat) (S/N HH) Drive System Components Exploded View parts lookup by BELT, STC PUMP DRIVE . 9.

Scag Stc61v 730fx Tiger Cat S N H6100001 H6199999 Parts, Drive Belt Falling Off Scag Stc Tiger Cub 48 Lawnsite, Scag Smwc 52v Tiger Cat S N D9200001 D9299999 Parts Diagram, Scag Stcii 52v 22fx Tiger Cat Ii S N L9000001 L9099999, Grafick Scag Tiger Cat Wiring Diagrams Full Version Hd, Scag Smwc 61v Tiger Cat S N D9300001 D9399999 Parts, Scag Sabretooth Turf Tiger 52 61 72 Deck Mower Small, Scag ...

Tiger Cub: B5900001-B5999999: SMTC-48V: Tiger Cub: C7000001-C7099999: SMTC-48V: Tiger Cub: D9100001-D9199999: SMTC-48V: Wildcat: D9100001-D9199999 Rev. 2: SMWC-52V: ... Scag Scag 483172 STC Pump Drive Belt. Rating * Name Email * Review Subject * Comments * 1 Review ...

6. Aug 3, 2016. #1. I have a tiger cub 48" ztr. The drive belt came off once...put it back on was fine. A few mows later it started coming off at start up. Belt looked worn so I replaced it. Still kept popping off at either throttle up or when putting it in "drive." I could put it back on once or twice and it would be good and stay on.

Scag STCII-52V-25CV-EFI - Scag Tiger Cat II 52

Scag stcii-52v-25cv-efi - scag tiger cat ii 52" zero-turn mower ...

deck drive belt, scag tiger cub and wildcat, 61" decks : 5/8" 175-15/16" rot12867 rotary made to oem spec (kevlar corded) $49.09 & only $7.95 flat rate shipping per whole order: ... for scag original equipment parts with parts lookup diagrams, please read below before clicking on the diagram.

Scag Power Equipment STC52V-23KA Tiger Cub (S/N B5200001-B5299999 ...

Scag power equipment stc52v-23ka tiger cub (s/n b5200001-b5299999 ...

Genuine, OEM SCAG Belt. Pump Drive Belt. Used on Scag Tiger Cub. Size: 1/2" x 61-5/8". View Part in a Diagram. $20.12. $22.08 Save $1.96. Buy in monthly payments with Affirm on orders over $50. Learn more.

Scag Tiger Cub 48 Cutter Deck Belt 484618 OEM

Scag tiger cub 48 cutter deck belt 484618 oem

Cutter Decks 48A" diagram and repair parts lookup for Scag SMTC-48A - Scag Tiger Cub 48" Mower Deck (SN: 9320001 - 9329999)

Scag STC48A-19KA - Scag Tiger Cub 48

Scag stc48a-19ka - scag tiger cub 48" zero-turn mower, 19hp ...

14. Aug 8, 2016. #1. 2003 Tiger Cub (48" cutter deck) which still has the long belt unfortunately. Previous owner fitted a genuine Scag belt just before I bought it. That one lasted about 15 hours before snapping. I then fitted a Continental PowerSpan belt (SPB3750) - this one reverted and got caught in the clutch after 10 hours.

SCAG Mower WB Belt Change HYDRO

Scag mower wb belt change hydro

I was just down the street from my. Oregon Scag Scag Tiger Cub 48V, 52V Deck Mower Exploded View parts lookup by model. OEM# , DECK DRIVE BELT 48" CUT 5/8" x 1/4". 8. Scag STC61VFX (Tiger Cat) (S/N HH) Drive System Components Exploded View parts lookup by BELT, STC PUMP DRIVE . 9. Operators manuals and parts lists for Scag Power Equipment products.

Scag Power Equipment STC61V-23FX (Tiger Cat) (S/N J9200001 ...

Scag power equipment stc61v-23fx (tiger cat) (s/n j9200001 ...

Belt Cover w/Decals (Part Has Been Replaced Please Part # S462640) | 61V 491616. $92.63. Seal Kit HG71410. $67.30. Muffler, 29hp Briggs & Stratton 485385. $239.12. Top Sellers. Scag Caster Wheel Spacer 43584. $2.42. Scag Seal 1.125 x 1.785 x .469 482622. $8.23. ... Home; Scag Parts Diagrams; Scag Parts Diagrams Follow Us; Links. Links; Terms ...

Scag Freedom — Z48-52 Deck Mower | Small Engine Equipment Parts

Scag freedom — z48-52 deck mower | small engine equipment parts

Scag tiger cat 48 belt diagram The mower was known as a Tiger Cub in previous years. While the name changed slightly, the standard of excellence remains the same. Quality and durability are first noticed on the Tiger Cat's frame. Made of heavy-duty tubular steel, the frame provides a strong base for the mower ensuring a lifetime of service.

Scag SMTC-52A Tiger Cub (S/N 9330001-9339999) Parts Diagrams

Scag smtc-52a tiger cub (s/n 9330001-9339999) parts diagrams

72 Scag Wiring Issue Lawnsite Is The Largest And Most Active Online Forum Serving Green Industry Professionals. Scag stcii 48v 22fs tiger cat ii s n power equipment stc48v 26bs stt72v 35bvac stc52v 22fx 691fx electrical schematic 26dfi kawasaki turf stt 29dfi ss c8100001 ssz cv22 randomly cub parts issues a zero turn 72 wiring issue lawnsite is stc52a 24hn 9300001 stc61v diagram kohler engine ...

25 Scag Tiger Cat Drive Belt Diagram Motif Baru!

25 scag tiger cat drive belt diagram motif baru!

Scag Tiger Cat-Cub Parts. Select Your Scag Tiger Cat Model Below To View Parts Diagrams. Scag Tiger Cub - Tiger Cat 40 -48 Models. STC40-17KA (S/N 6570000-6579999) STC48A-19KA (S/N 6580000-6589999) STC48A-19KA (S/N 7630001-7639999) STC48A-19KA (S/N 8400000-8409999)

Drive belt falling off - Scag STC tiger cub 48

Drive belt falling off - scag stc tiger cub 48" | lawnsite™ is the ...

Drive Belt For Scag Tiger Cub 48, 483241. If you are looking for the Drive Belt For Scag Tiger Cub 48, Here it is! You're right if you want this drive belt. Keep your mower at its best performance. We offer this OEM part at an excellent price. Order now easy and with fast shipping. The Drive Belt package dimensions are 18 x 8 x 4 inches.

Scag Tiger Cub Parts

Scag tiger cub parts

We offer a full line of Scag mower belts for use with any Scag mower. As a full-line Scag dealer, we carry only Scag OEM mower belts. We carry Scag Cheetah belts, Scag Turf Tiger Belts, and Scag Freedom Z belts. Scagmowerparts.com is your #1 Source for Scag mower belts. We have the right Scag mower belt to fit your mower deck, PTO clutch, and ...

08 Tiger Cub Broke Drive Belt | LawnSite™ is the largest and most ...

08 tiger cub broke drive belt | lawnsite™ is the largest and most ...

Replacing broken belt on Scag clam shell and review

Replacing broken belt on scag clam shell and review

Scag Tiger Cub 48 Cutter Deck Belt 484618 OEM

Scag tiger cub 48 cutter deck belt 484618 oem

Scag Tiger Cub 48 Drive Deck Belt 481881 OEM

Scag tiger cub 48 drive deck belt 481881 oem

Scag SMTC-48A Tiger Cub (S/N A5400001-A5499999) Parts Diagrams

Scag smtc-48a tiger cub (s/n a5400001-a5499999) parts diagrams

Scag Power Equipment STT52V-27CH Turf Tiger (S/N B6200001-B6299999 ...

Scag power equipment stt52v-27ch turf tiger (s/n b6200001-b6299999 ...

Scag Sabretooth Turf Tiger 52

Scag sabretooth turf tiger 52", 61",72" deck mower | small engine ...

Scag Mower Deck Pulley -48'' 52'' 61 - Cheetah, Turf Tiger, Tiger Cub,  Tiger Cat

Scag mower deck pulley -48'' 52'' 61 - cheetah, turf tiger, tiger cub, tiger cat

Scag STCII-48V-22FS (Tiger Cat II) (S/N L8800001-L8899999) Parts ...

Scag stcii-48v-22fs (tiger cat ii) (s/n l8800001-l8899999) parts ...

scag tigercat deck belts

Scag tigercat deck belts

Tiger Cat II® Zero-Turn Riding Lawn Mower | Products | Scag®

Tiger cat ii® zero-turn riding lawn mower | products | scag®

Drive belt keeps coming off tiger cub | Lawn Mower Forum

Drive belt keeps coming off tiger cub | lawn mower forum

Scag Tiger Cub Rear Tires 484105 OEM

Scag tiger cub rear tires 484105 oem

Scag STC48V-19KAI Tiger Cub (S/N C1600001-C1699999) Parts Diagram ...

Scag stc48v-19kai tiger cub (s/n c1600001-c1699999) parts diagram ...

25 Scag Tiger Cat Drive Belt Diagram Motif Baru!

25 scag tiger cat drive belt diagram motif baru!

Scag Zero Turn Mower Deck Drive Pulley - Fits Turf Tiger Models - Diagram  below

Scag zero turn mower deck drive pulley - fits turf tiger models - diagram below

Scag tiger Cub | Page 2 | LawnSite™ is the largest and most active ...

Scag tiger cub | page 2 | lawnsite™ is the largest and most active ...

Self-Adjusting Belt Systems | Product Features | Scag®

Self-adjusting belt systems | product features | scag®

Scag Power Equipment STT52V-27CH Turf Tiger (S/N D7400001-D7499999 ...

Scag power equipment stt52v-27ch turf tiger (s/n d7400001-d7499999 ...

Scag SMTC-48V - Scag Tiger Cub 48

Scag smtc-48v - scag tiger cub 48" mower deck (sn: b5900001 ...

Download 52v~60v型対応テレビ台 images for free

Download 52v~60v型対応テレビ台 images for free

25 Scag Tiger Cat Drive Belt Diagram Motif Baru!

25 scag tiger cat drive belt diagram motif baru!

Scag STC48A-20CV - Scag Tiger Cub 48

Scag stc48a-20cv - scag tiger cub 48" zero-turn mower, 20hp kohler ...

Scag Power Equipment SMTC-48A Tiger Cub (S/N A5400001-A5499999 ...

Scag power equipment smtc-48a tiger cub (s/n a5400001-a5499999 ...

Scag STCII-48V-22FX 48

Scag stcii-48v-22fx 48" velocity plus deck tiger cat ii zero-turn ...

Scag SMTC-48V Tiger Cub (S/N C7000001-C7099999) Parts Diagram for ...

Scag smtc-48v tiger cub (s/n c7000001-c7099999) parts diagram for ...

0 Response to "38 scag tiger cub drive belt diagram"

Post a Comment

Iklan Atas Artikel

Iklan Tengah Artikel 1

Iklan Tengah Artikel 2

Iklan Bawah Artikel