Iklan 300x250

38 poulan fuel line diagram

Oct 5, 2017 - I just installed a new carburetor on a Poulan # 2175 and it will ... Poulan Chainsaw Fuel Line Diagram | ... installed a new carburaetor on a ... The fuel system routing is terrible, but it is all there is. Fuel Routing follows: Tank to carburetor (hose in tank with filter on free end) Carburetor to ...

Apr 03, 2018 · Fuel line diagram poulan p4018wt wild thing 18inch 40cc question. Download manual for model p4018wt poulan chainsawsears partsdirect has parts manuals part diagrams for all types of repair projects. You can also browse the most common parts for p4018wt. And the longest bar i can locate is the 952044418 18 inch bar wja.

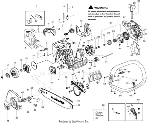
Poulan fuel line diagram

Poulan fuel line diagram

Jimmy there are no Poulan drawings with fuel system detail worth the ink it takes to print them, but that is all there is. Fuel Line Replacement by SmallEng.com Nov 21, 2018 · The small diameter line out of fuel tank (has filter in-tank on end) connects directly to the side of the carburetor that has the fuel schematron.org is the cover without the hole in it. Apr 21, · how to hook up new fuel lines (large and small diameter) on poulan Pro pole tree trimer - need factory diagram showing all connections to primer bulb, fuel filter, gas tank, and carb. Hoping that someone may be able to provide some insight as to why my leaf blower is overheating. I received a non-functional Poulan BVM200VS for free and turned it into a pet-project. It is a Theseus-ship-rebuild, with new carb, new air filter, new fuel lines, and new piston. The original issue appeared to be a combination of these items (piston gasket seized; carb looked to be in rough shape on tear-down despite cleaning; fuel lines were cracked). My issue is that, after a period of time (app...

Poulan fuel line diagram. SOURCE: I Need Diagram of Fuel Line Hookups For a Poulan. The line at the rear of the fuel tank with the fuel filter is the main feed line to the carburetor ... fuel line diagram poulan pro 260 Is there a diagram on where the fuel lines go? - Poulan Pro 42CC 2 Cycle Chainsaw, 18" question. fuel line diagram for a poulan 4218avx I need to know the configuration for the fuel lines - Poulan Pro 42CC 2 Cycle Chainsaw, 18" question. May 11, 2018 · on Poulan Wild Thing Fuel Line Routing. November 1, Fixing things makes sense. This article will help you make sense of replacing the fuel return line on a Poulan chainsaw. replacing the fuel. I can't give you an actual diagram but a I can try to explain how it should go. There is a line with the filter in the tank that goes to the bottom of.

Aug 13, 2021 · Kit fuel line small part 530069247. 580940901 fuel cap. Need a fuel line diagram for poulan the smaller size line comes out of the tank leave enough to install filter on that line in the tank this line goes to the intake sidei think it is the right side of the carb when its mounted in the saw of the carb. diagram for fuel line routing for a poulan 2150 chainsaw? need diagram for fuel line on 2150 poulan chainsaw - Poulan Pro Chain Saw 46cc 20" question.1 answer · 5 votes: The 2150 has a remote primer, so there will be three pipes, the pipe coming from the fuel tank with the fuel filter on the end is the main fuel tube, this ... fuel line diagram 262 poulan hoo k up rotten lines - Poulan Pro 16-Inch 38 cc question. Apr 18, 2019 · The fuel line on a Poulan Pro chainsaw links the gas tank with the carburetor , which feeds the combustion chamber. This flimsy plastic line can break easily. Gas line diagram for poulan 4cebjpg An IPL containing fuel system parts with very little detail can be found here: diagramweb.net This DIY repair guide shows how to replace chainsaw fuel lines in 30 minutes.

Oct 09, 2018 · Poulan Chainsaw Carburetor Fuel Line Diagram. Poulan P 2-Cycle Chainsaw: Replace Primer Bulb, Fuel Lines, and Filters: Poulan P The fuel return line may be still attached to the carburetor. Nov 1, There are multiple fuel lines found on most small engines. At a minimum, there will be a line carrying fuel from the tank to the carburetor, and a. Hoping that someone may be able to provide some insight as to why my leaf blower is overheating. I received a non-functional Poulan BVM200VS for free and turned it into a pet-project. It is a Theseus-ship-rebuild, with new carb, new air filter, new fuel lines, and new piston. The original issue appeared to be a combination of these items (piston gasket seized; carb looked to be in rough shape on tear-down despite cleaning; fuel lines were cracked). My issue is that, after a period of time (app... Nov 21, 2018 · The small diameter line out of fuel tank (has filter in-tank on end) connects directly to the side of the carburetor that has the fuel schematron.org is the cover without the hole in it. Apr 21, · how to hook up new fuel lines (large and small diameter) on poulan Pro pole tree trimer - need factory diagram showing all connections to primer bulb, fuel filter, gas tank, and carb. Jimmy there are no Poulan drawings with fuel system detail worth the ink it takes to print them, but that is all there is. Fuel Line Replacement by SmallEng.com

0 Response to "38 poulan fuel line diagram"

Post a Comment

Iklan Atas Artikel

Iklan Tengah Artikel 1

Iklan Tengah Artikel 2

Iklan Bawah Artikel