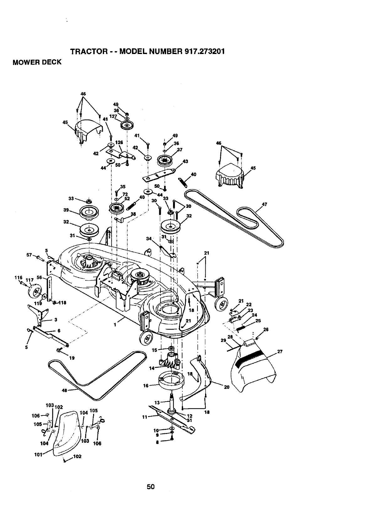
37 craftsman dys 4500 parts diagram
I would like to see a diagram of the pully under the engine. Do you have a parts manual for the Dys 4500? ... craftsman dys 4500 belt diagram Google Search The Institute comprises 33 Full and 14 Associate Members, with 16 Affiliate Members from departments within the University of Cape Town, and 17 Adjunct Members based nationally or internationally.
Nov 15, 2015 · Diagram for drive belt craftsman dys 4500. 9. Description : Want Info About Used Craftsman Gt5000 in Craftsman Gt 5000 Parts Diagram, image size 907 X 680 px, and to view image details please click the image. Craftsman 917. Craftsman 502254280 Front Engine Lawn Tractor Parts Sears. New Deck wheels.

Craftsman dys 4500 parts diagram
Parts lookup for Craftsman power equipment is simpler than ever. Enter your model number in the search box above or just choose from the list below. parts & service for · Order replacement parts · Track parts and repairs · Access an extensive selection of tool schematics and manuals · Locate one of our Factory- ... Works great. Reg price 0, you may find one in the clearance rack for about 200 bones Craftsman dys 4500 deck belt diagram This part replaces obsolete part # 532006554, 532006555, 6554J and 4459J. 5 hp Briggs & Stratton engine, Craftsman Dual Rotating Tines 17" roto tiller. Sears Tiller. Shop by parts or model.
Craftsman dys 4500 parts diagram. Nov 27, 2021 · Craftsman gt 3000 carburetor. It's been running fine for about 3 years and then it started dying a few minutes after starting up. Craftsman 19. A wiring diagram is a simplified conventional pictorial depiction of an electric circuit. 75 Torque 190cc 22" Briggs & Stratton Push Lawn Mower Owner's Manual. 257281 Owner's Manual Owner's manual (52 pages) Ventrac HP720 Owner/operator's Manual ... Results 1 - 16 of 1000+ — Amazon.com: Craftsman Lawn Tractor Parts Model 917. ... Lawnmowers Parts Craftsman 42" Cut Riding Lawn Mower Belts 144959 and fits ... Craftsman 917276906 front-engine lawn tractor parts - manufacturer-approved parts for a proper fit every time! We also have installation guides, diagrams ... Need to fix your 917288260 Tractor? Use our part lists, interactive diagrams, accessories and expert repair advice to make your repairs easy.
Get Parts, Repair Help, Manuals and Care Guides for 917288260 Craftsman Lawn Tractor - Tractor. View parts like Hub Axle Cap and Flange bearing. Shop for Craftsman Lawn Tractor 917288260 repair parts today! Find parts by name, ... Choose a symptom to view a list of parts that fix that symptom. Mar 25, 2018 — PDF Ma nua l Cra fts ma n dys 4500 pa rts ma nua l Craftsman dys 4500 parts manual .. Download: Download: Craftsman dys 4500 parts manual ... Works great. Reg price 0, you may find one in the clearance rack for about 200 bones Craftsman dys 4500 deck belt diagram This part replaces obsolete part # 532006554, 532006555, 6554J and 4459J. 5 hp Briggs & Stratton engine, Craftsman Dual Rotating Tines 17" roto tiller. Sears Tiller. Shop by parts or model.
parts & service for · Order replacement parts · Track parts and repairs · Access an extensive selection of tool schematics and manuals · Locate one of our Factory- ... Parts lookup for Craftsman power equipment is simpler than ever. Enter your model number in the search box above or just choose from the list below.
0 Response to "37 craftsman dys 4500 parts diagram"
Post a Comment