42 homelite 2700 psi pressure washer parts diagram
Need to fix your UT80993A 2700 PSI Gas Pressure Washer? Use our part lists, interactive diagrams, accessories and expert repair advice to make your repairs easy. 877-346-4814 ... Repair Parts Home Lawn Equipment Parts Homelite Parts Homelite Pressure Washer Parts Homelite UT80993A 2700 PSI Gas Pressure Washer Parts. Homelite BM80919B 2700 PSI Pressure Washer Exploded View parts lookup by model. Complete exploded views of all the major manufacturers. It is EASY and FREE.
Popular Homelite Pressure Washer Parts. Pump. Part Number: 309515003. In Stock, 3 available. Genuine OEM replacement part, this item is sold as one unit. The purpose of the 309515003 Pump is to create water pressure to operate the Power Washers shown below. There are are no internal parts available for this pump.

Homelite 2700 psi pressure washer parts diagram
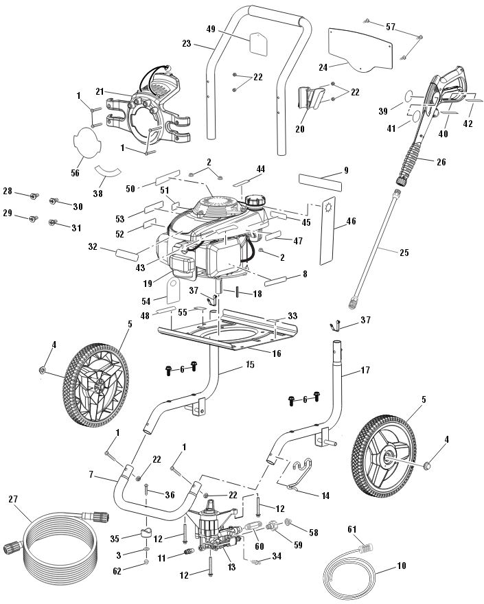
Homelite BM80919B 2700 PSI Pressure Washer Parts Diagrams. Parts Lookup - Enter a part number or partial description to search for parts within this model. There are (66) parts used by this model. Homelite BM80919A 2700 PSI Pressure Washer Exploded View parts lookup by model. Complete exploded views of all the major manufacturers. It is EASY and FREE. Homelite BM80919 2700 PSI Pressure Washer Exploded View parts lookup by model. Complete exploded views of all the major manufacturers. It is EASY and FREE
Homelite 2700 psi pressure washer parts diagram. Homelite BM80919D 2700 PSI Pressure Washer Parts Diagrams ... Parts Lookup - Enter a part number or partial description to search for parts within this model. Homelite UT80522G Pressure Washer Exploded View parts lookup by model. Complete exploded views of all the major manufacturers. It is EASY and FREE. Homelite BM80919B 2700 PSI Pressure Washer Figure A Exploded View parts lookup by model. Complete exploded views of all the major manufacturers. Homelite BM80919 2700 PSI Pressure Washer Exploded View parts lookup by model. Complete exploded views of all the major manufacturers. It is EASY and FREE.
Homelite 2700 psi pressure washer parts diagram Photo: 50statesclassifieds.comWhat a difference the right tool or appliance can make! For instance, we were late arrivals to the pressure-washer party, but now that we have “bellied up to the bar”, we’re having a blast… of water. General Assembly diagram and repair parts lookup for Black Max BM 80919 A - Black Max 2700 PSI Pressure Washer Order Status Customer Support 512-288-4355 My Account Login to your PartsTree.com to view your saved list of equipment. Pressure Washer Water Hose. Fix Number FIX9938500. Manufacturer Part Number 308835006. (25 ft., 3000 psi) This water hose is for pressure washers. Water hose carries water from the pump to the spray wand. Wear work gloves to protect your hands when installing this part. $ 7.30. Homelite Pressure Washers parts with OEM Homelite parts diagrams to find Homelite Pressure Washers repair parts quickly and easily Order Status Customer Support 512-288-4355 My Account Login to your PartsTree.com to view your saved list of equipment.
pumphttps://amzn.to/3bFoBqitodays repair video brought to you by https://superclean.com .if this video helped you donate a buck or two to my GoFundMe account... Homelite BM80919 2700 PSI Pressure Washer General Assembly Exploded View parts lookup by model. Complete exploded views of all the major manufacturers. Honda Car Parts Owner's Manual. Repair Clinic is in your corner when it comes to the support you need to maintain or fix your Homelite pressure washer. Page 1 LAVADORA A PRESIóN DE 2 500 PSI HL252300 Your pressure washer has been engineered and manufactured to our high standard for dependability, ease of operation, and operator safety. Homelite BM80919 2700 PSI Pressure Washer Exploded View parts lookup by model. Complete exploded views of all the major manufacturers. It is EASY and FREE
Homelite BM80919A 2700 PSI Pressure Washer Exploded View parts lookup by model. Complete exploded views of all the major manufacturers. It is EASY and FREE.
Homelite BM80919B 2700 PSI Pressure Washer Parts Diagrams. Parts Lookup - Enter a part number or partial description to search for parts within this model. There are (66) parts used by this model.
Homelite Pressure Washer 2700 Owner S Manual Pressure Washer 2700 Owner S Manual This 2700 Psi Homelite Pressure
Buy Homelite New 2700 Psi Pressure Washer Pump Replaces 308418007 Models Hl252300 Ut80522 Ut80953 Ut80522b Ut80953b Ps80522 Ps80903b Ut80522a Ut80953a Ut80522d Ut80522e Ut80522g Online In Nigeria B07ft4sf88
Amazon Com Himore Universal 2800psi Power Pressure Washer Water Pump 2 3gpm 308653052 Fits Many Models Black Max Pressure Washer Patio Lawn Garden
Buy Pulley 352633 Works With Nordictrack Proform Healthrider Residential Upright Bike Online In Vietnam B07flfb1mx
Other Pressure Washer Parts Accessories Details About Homelite New 2700 Psi Pressure Washer Pump Replaces 308418007 Models Hl252300 Business Industrial
Buy Power Washer Pump Parts 3 4 2800psi Horizontal Pressure Washer Pump Replacement Online In Guatemala B08s3kjxbr
Kudosprs Com 308653009 Homelite 2600 Psi Pressure Washer Pump With A More Durable Brass Head Thermal Release Valve Replaces 308653006 308653025 308653003 Patio Lawn Garden Pumps
New 2700 Psi Pressure Washer Water Pump Homelite Ut80933 Hlca80710 Pressure Washer Parts Accessories Patio Lawn Garden Ghdonat Com
0 Response to "42 homelite 2700 psi pressure washer parts diagram"
Post a Comment