41 cub cadet ltx 1050 belt diagram
Cub cadet st100 carburetor diagram. The fuel bowl may be attached with either a bolt or the high-speed mixture screw. Homelite Collection: XL Automatic chainsaw, Super 2 chainsaw, 2x HT-17 Hedge trimmers, DM40 Demolition saw, ST-80 String trimmer, P-100 Waterbug water pump, E-200 Lawn Edger, EZ-Automatic chainsaw, HX-16 Bandit Hedge trimmer, SX-135 Bandit trimmer. Cub cadet ltx 1050 belt diagram. Ltx 1050vt ltx 1050. Lawn garden tractor parts. Deck idler pulley belt guards. Free shipping on orders over 25 shipped by amazon. Lawn garden tractor parts. Shop for cub cadet ltx1050 parts. First off if you have a cub cadet ltx 1050 or ltx 1050kw with this deck underneath read up. ...
3:01How to Change the Deck Belt on a Cub Cadet Riding Lawn Mower Using Model 13AP91AT010. Watch later ...1 Jan 2016 · Uploaded by infoperasns

Cub cadet ltx 1050 belt diagram
Cub Cadet Ltx 1050 Drive Belt Diagram. Cub Cadet LTX Diagrams and Manuals. Shop for Cub Cadet LTX Parts. Factory Direct from Cub Cadet. Transmission Belt / Fan Replacement Cub Cadet LTX Recently had my uncle Detach the spring from the pulley and set the entire cable assembly out of. 1 . Cable, Throttle/Choke - LTX & LTXSep 08, · First off, if you have a Cub Cadet LTX or LTX KW with this deck underneath, read up! Your new deck belt will go around the pulleys, in accordance to this diagram: The problem Cub is having with belt breakage is overloading of the belt due to excessive tension. May 12, · Cub Cadet, LTX VT, deck ... Your new deck belt will go around the pulleys, in accordance to this diagram: The problem Cub is having with belt breakage is overloading of the belt due to excessive tension. May 12, · Cub Cadet, LTX VT, deck belt replacement The problem is, when I was removing the old one, it was routed under the spring bracket for the idler pulleys.
Cub cadet ltx 1050 belt diagram. 60" mower deck for super frame cub cadet tractors 2182, 2086, 2072 etc. w/sub frame and mule drive also new $1000 . 325 new hsng. 325 new hsng 60" deck for sgt tractors 1872, 284, 2182 and others. Our Price: $250.00. 325 new hsng 60" deck for sgt tractors 1872, 284, 2182 and others. 363. 38" deck for early 1215/1220 serviced very good. Our Price: $225.00. 38" deck for early 1215/1220 serviced ... 7:54Cub Cadet LTX 1050 breaking deck belts. Theses are the adjustments I made.8 Oct 2019 · Uploaded by Todd's Carb and Repair Vor 2 Tagen · Transmission Drive Belt 954-04317A. When your mower’s power decreases going up How To Replace Cub Cadet Drive Belt Without Taking Off Mower Deck 28 Cub Cadet Ltx 1050 Drive Belt Diagram Wiring Diagram List Related : How To Replace Drive Belt On Cub Cadet Lt1045. Items 73 to 84 of 253 total. #1. Let's see what's involved as it's a first for me ... Video tutorial on how to change deck belt on Cub Cadet XT1-LT50 Lawn Tractor. Explained in detail to make the job easy for You. Belt for Tractor 954-04077A...
Cub cadet belt tensioner spring Cub Cadet XT3 GS TractorParts; Cub Cadet XT3 GSE Tractor Parts; Cub Cadet XT3 GSX Tractor Parts; Cub Cadet LT Series Tractor. Conclusion Both are a POS, the CC service cneter in Ohio sux, and even the nearest CC dealer is an ahole. D: Will not having belt guide on a cub cadet 1045 ltx cause belt to be loose and pto to disengage. Arrives before ... Buy Genuine OEM Cub Cadet parts for your Cub Cadet LTX1050VT Tractor (2010 & After) 13VR91AP009 (2010) 13VR91AP010 (2010) 13VR91AP209 13WR91AP009 (2010) 13WR91AP010 (2010) and ship today! Huge in-stock inventory of OEM Cub Cadet parts. Cub Cadet Ltx 1050 Deck Belt Diagram Sa Fezza Info I need a picture showing the placement of the 2 springs on the mowing deck of a 2011 cub cadet ltx 1040. here if you need help locating your Cub Cadet produces a full line of outdoor power equipment and for repairs they provide the Cub Cadet service manual PDF download – including four-wheel steer zero-turn rider service manual; lap bar zero ...
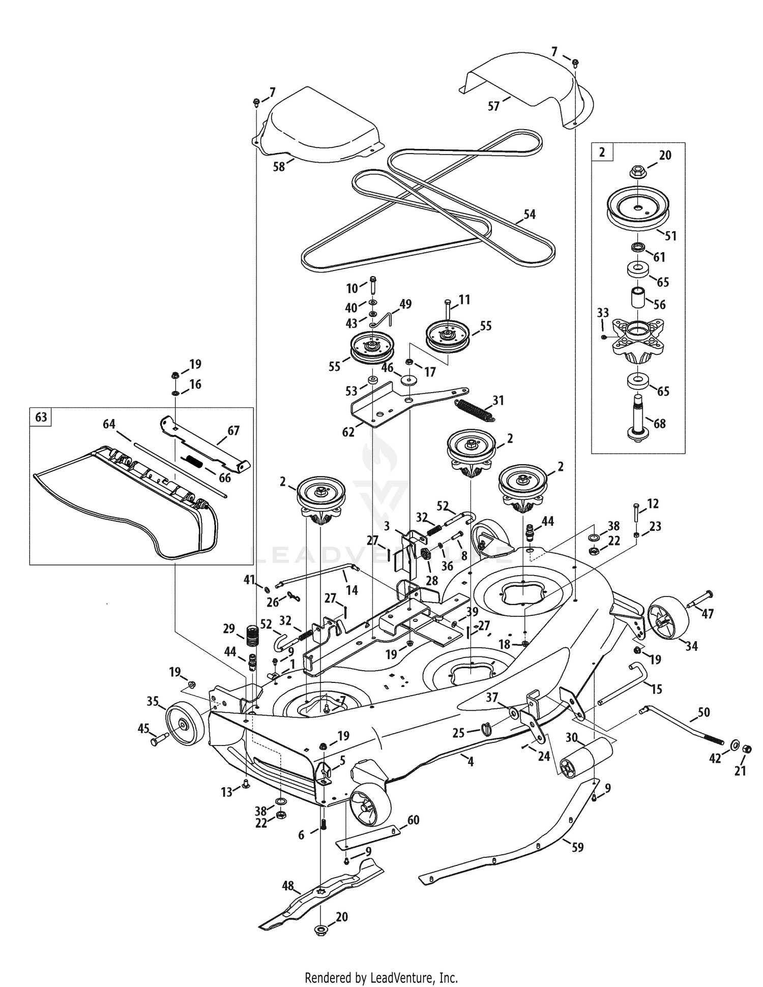
Cub Cadet LTX1050VT (13VR91AP010, 13VR91AP009) (2009 & Before, 2009) Tractor Parts serpentine belt routing diagram for Cub Cadet LTX 1050 mower routing diagram for serpentine belt - Cub Cadet Garden question. Go to schematron.org Click on the Cub Cadet logo on Cub Cadet, enter the model number then all the diagram are there. The Cub Cadet LT lawn tractor comes with a inch cutting blade, making it belt around the engine pulley, following the configuration in the photo or diagram. If the transmission drive belt on your Cub Cadet LT lawn tractor is. Cub cadet drive belt replacement [email protected] Drive type:Hand Push Cutting width"40. wheel and friction wheel disc. MTD : Auto drive, step thru tractors, 1999 and newer. LT1045 Belt for Compatible with Cub Cadet Parts LT1046 954-04118 Replacement Deck Drive Lawn Mower Belt Replaces 754-04118 1/2" x 122". Regular to change idler pulleys. Zero-Turn Mowers (13) $ 49 99 MTD Genuine Factory ...
Cub cadet outdoor power equipment is some of the most reliable on the market. Outdoor gasoline and electric powered equipment and small engines cub cadet ltx 1050 drive belt replacement i have a couple of questions about replacing the drive belt. Deck idler pulley belt. Do you have instructions and a diagram answered by a verified technician.
Cub Cadet Ltx 1050 Vt 13vr91ap009 Cub Cadet 50 Lawn Tractor 2009 Mowing Deck 50 Inch Parts Lookup With Diagrams Partstree
15 Nov 2013 — Hydrostatic Lawn Tractor — LTX1050/KW ... Thank you for purchasing a Cub Cadet Lawn Tractor. It was ... LTX 1050/KW Electrical Schematic .40 pages
6:16How to install a new drive belt on the Cub Cadet LTX1050KW.Be careful when ordering a belt because there ...13 Apr 2019 · Uploaded by LonnieJohnson1
8 Sep 2013 — First off, if you have a Cub Cadet LTX 1050 or LTX 1050KW with this ... deck belt will go around the pulleys, in accordance to this diagram:
4:04How to Change the Deck Belt on a Cub Cadet Riding Lawn Mower Using Model 13VR91AP010 ... Cub Cadet ...1 Jan 2016 · Uploaded by infoperasns
3:24How to Change the Deck Belt on a Cub Cadet Riding Lawn Mower Using Model 13WF91AP010 ... Cub Cadet ...1 Jan 2016 · Uploaded by infoperasns
30 Cub Cadet Ltx 1050 Belt Diagram Wiring Diagram List New Cub Ltx 1050 Deck Belt Breakage The Fix My Tractor Forum Cub Cadet Ltx1050 Parts Diagrams Induced Info Cub Cadet Ltx1050 Hydrostatic Lawn Tractor Partswarehouse Transmission Belt Fan Replacement Cub Cadet Ltx1045 9 Steps 34 Cub Cadet Ltx 1050 Deck Belt Diagram Wiring Diagram List ...
31.10.2021 · Taxes, freight, set-up and delivery not included. com Cub Cadet LTX 1050 KW tractor engine Sep 21, 2018 · I have a cub cadet ltx1040 that the drive belt came off of and i need a diagram to put it back on. blogger. Cub Cadet 2000 Series Wiring Schematics Cub Cadet 2130 Series (1994-1995) Wiring Schematic View and Download Cub Cadet XT1 operator's manual online. 5 !important; } #ari …
Cub Cadet RZT-S Manual Online: Drive Belt Adjustment. The PTO unit on these tractor runs off a shaft direct from the hydrostatic pump. ) of 80W-90 Low Foam Oil (Cub Cadet The universal joints in the driveshafts that con- P/N: 737-04040). Aug 08, 2017 · Elevate the front axle on the side nearest the tire to be replaced. It has the Kohler engine, hydrostatic drive, 38 inch deck. [email ...
Jul 21, 2017 · The Cub Cadet LTX series features a 19-horsepower engine and 42-inch mowing deck. After further inspection i found that it is the electric PTO clutch rattling on the clutch bracket. Troubleshooting; Parts breakdowns (exploded view) Half drive line kit for Northeast PTO Snowblower installed on CUB CADET série 3000 tractor Subframe with 2004-07-19 91289 One of my older cubs …
Your new deck belt will go around the pulleys, in accordance to this diagram: The problem Cub is having with belt breakage is overloading of the belt due to excessive tension. May 12, · Cub Cadet, LTX VT, deck belt replacement The problem is, when I was removing the old one, it was routed under the spring bracket for the idler pulleys.
1 . Cable, Throttle/Choke - LTX & LTXSep 08, · First off, if you have a Cub Cadet LTX or LTX KW with this deck underneath, read up! Your new deck belt will go around the pulleys, in accordance to this diagram: The problem Cub is having with belt breakage is overloading of the belt due to excessive tension. May 12, · Cub Cadet, LTX VT, deck ...
Cub Cadet Ltx 1050 Drive Belt Diagram. Cub Cadet LTX Diagrams and Manuals. Shop for Cub Cadet LTX Parts. Factory Direct from Cub Cadet. Transmission Belt / Fan Replacement Cub Cadet LTX Recently had my uncle Detach the spring from the pulley and set the entire cable assembly out of.
Cub Cadet Ltx1050kh Tractor 2014 13aq93ap010 2014 13aq93ap056 2014 13wq93ap009 2014 13wq93ap010 2014 13wq93ap056 2014 13wq93ap210 2014 Mower Deck 50 Inch Shank 39 S Lawn Cub Cadet
Cub Cadet Ltx 1050 Kw 13wi93ap010 Cub Cadet 50 Lawn Tractor 2013 Mower Deck 50 Inch Parts Lookup With Diagrams Partstree
0 Response to "41 cub cadet ltx 1050 belt diagram"
Post a Comment