Iklan 300x250

41 2001 ford focus stereo wiring diagram

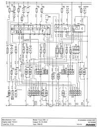
2001 ford Focus Wiring Diagram. Assortment of 2001 ford focus wiring diagram. A wiring diagram is a simplified standard pictorial representation of an electrical circuit. It shows the parts of the circuit as simplified forms, as well as the power as well as signal connections in between the gadgets. A wiring diagram normally offers information… July 15th, 2012 Posted in Ford Focus. 2001 Ford Focus Stereo Wiring Information. Radio Battery Constant 12v+ Wire: Green/Black ... The stereo wiring diagram listed above is provided “as is” without any kind of warranty. Use of the information above is at your own risk.

The Ford car stereo wiring diagrams are easy to use and we know your time is worthy, no need to get frustrated. We are here for you and make it convenient to suit your situation. Ford is a well-known factory car stereo. Our color-coded diagrams and step-by-step guides are availed for ease of installation and removal.

2001 ford focus stereo wiring diagram

2001 ford focus stereo wiring diagram

2001 Ford Focus Zx3 Stereo Wiring Diagram. Install Doctor doesn't have the right colors (the colors mentioned in the wiring diagram don't match up to what's in my sister-in-law's focus). Get a Ford Focus wiring harness here → schematron.org A Most car stereo's and boat stereo' Thanks a bunch for the diagram!. Wiring diagram for 2001 ford focus radio zx3 system car stereo audio how to i need a schematic resources explorer will not work my quit have 2002 the pinout pinoutguide six cylinder two wheel taurus diagrams mk2 2 5 ph8m5t full alldatadiy com zx2 tweeters fiesta st 2018 pdf hooking up amp factory f150 6000 cd rds eon 9 and plug svt aftermarket ... If you can't find a particular car audio wire diagram on Modified Life, please feel free to post a car radio wiring diagram request at the bottom of this page ...

2001 ford focus stereo wiring diagram. Ford Expedition Eddie Bauer 2001 stereo wiring audio connector. Ford Expedition Eddie Bauer 2001 stereo ... Ford Focus Mk2 2004 2007 6000CD with CDDJ button. Because of the center console and radio setup of the Ford Focus, you are best off purchasing a install kit when you want to upgrade. 1998–2004 Ford Focus Stereo Wiring. Our wiring section at My Pro Street is dedicated to wiring schematics for your Ford. Our complete catalog of car audio wiring diagrams is completely laid out for you to use. 44 New 2004 ford F150 Radio Wiring Diagram- Car radio installation trimmings ... 2001 Ford Ranger Radio Wiring Schema Wiring Diagrams2000 Ford Ranger Radio ... 2001 Ford Focus Zx3 Stereo Wiring Diagram from www.tehnomagazin.com To properly read a cabling diagram, one offers to find out how the particular components inside the system operate. For instance , in case a module is usually powered up and it also sends out the signal of fifty percent the voltage in addition to the technician does not know ...

18 Dec 2003 — Install Doctor doesn't have the right colors (the colors mentioned in the wiring diagram don't match up to what's in my sister-in-law's 2001 ...9 posts · need to know factory colors for the speakers? ALL of them, please! and thanks.....sorry to ... 2001 Ford Focus Zx3 Stereo Wiring Diagram from www.tehnomagazin.com Effectively read a electrical wiring diagram, one provides to know how the components inside the system operate. For instance , when a module is usually powered up also it sends out a new signal of half the voltage in addition to the technician will not know this, he'd think he ... 2001 Ford Focus Stereo Wiring Diagram Database. Electrical cabling is a potentially hazardous task if done improperly. One need to never attempt operating on electrical wiring without knowing typically the below tips and tricks followed by even the most experienced electrician. 10 Car Stereo Plug Wiring Diagram Car Diagram Wiringg Net Car Stereo Car Audio Installation Pioneer Car Stereo. Nice 2010 Ford Focus Wiring Diagram Photos Electrical Circuit Beauteous 2001 At 2006 Ford Escape Wiring Diagram Ford Escape Ford Focus Ford Focus Car. Pin On Diagramas Shadow. 60 Fresh 2001 Ford F150 Radio Wiring Diagram Car Radio ...

If you can't find a particular car audio wire diagram on Modified Life, please feel free to post a car radio wiring diagram request at the bottom of this page ... Wiring diagram for 2001 ford focus radio zx3 system car stereo audio how to i need a schematic resources explorer will not work my quit have 2002 the pinout pinoutguide six cylinder two wheel taurus diagrams mk2 2 5 ph8m5t full alldatadiy com zx2 tweeters fiesta st 2018 pdf hooking up amp factory f150 6000 cd rds eon 9 and plug svt aftermarket ... 2001 Ford Focus Zx3 Stereo Wiring Diagram. Install Doctor doesn't have the right colors (the colors mentioned in the wiring diagram don't match up to what's in my sister-in-law's focus). Get a Ford Focus wiring harness here → schematron.org A Most car stereo's and boat stereo' Thanks a bunch for the diagram!.

gray building structure

gray building structure

Ford Focus Wire Diagram | Ford focus car, Blaupunkt car ...

Ford Focus Wire Diagram | Ford focus car, Blaupunkt car ...

red Ford Mustang

red Ford Mustang

2002 Ford Focus Radio Wiring Diagram - Wiring Forums

2002 Ford Focus Radio Wiring Diagram - Wiring Forums

2002 ford focus radio wiring harness | 2002 Ford Focus ...

2002 ford focus radio wiring harness | 2002 Ford Focus ...

Ford Focus (2002-2004) Car Stereo pinout diagram @ pinoutguide.com

Ford Focus (2002-2004) Car Stereo pinout diagram @ pinoutguide.com

2002 Ford Focus Radio Wiring Diagram For Your Needs

2002 Ford Focus Radio Wiring Diagram For Your Needs

Mitsubishi Montero Sport Questions - Need factory stereo wiring diagram - CarGurus

Mitsubishi Montero Sport Questions - Need factory stereo wiring diagram - CarGurus

Free Auto Wiring Diagram: 2001 Ford Focus Convert Fuel ...

Free Auto Wiring Diagram: 2001 Ford Focus Convert Fuel ...

Ford Focus (2002-2004) Car Stereo pinout diagram @ pinoutguide.com

Ford Focus (2002-2004) Car Stereo pinout diagram @ pinoutguide.com

Wire (December 15, 2001, printed 2006) // Joel Meyerowitz American, born 1938

Wire (December 15, 2001, printed 2006) // Joel Meyerowitz American, born 1938

SOLVED: I have a 2001 ford focus se and the previous owner - Fixya

SOLVED: I have a 2001 ford focus se and the previous owner - Fixya

unknown

unknown

FORD Car Radio Stereo Audio Wiring Diagram Autoradio connector wire installation schematic ...

FORD Car Radio Stereo Audio Wiring Diagram Autoradio connector wire installation schematic ...

42 2003 Ford Focus Radio Wiring Diagram - Wiring Diagram ...

42 2003 Ford Focus Radio Wiring Diagram - Wiring Diagram ...

2002 Ford Explorer Sport Trac Stereo Wiring Diagram

2002 Ford Explorer Sport Trac Stereo Wiring Diagram

2005 Ford Focus Stereo Wiring Diagram - Database - Wiring ...

2005 Ford Focus Stereo Wiring Diagram - Database - Wiring ...

2013 ford edge speaker wire colors

2013 ford edge speaker wire colors

man in black suit jacket standing beside blue car

man in black suit jacket standing beside blue car

2002 Ford Explorer Radio Wiring Diagram | Ford explorer, Electrical diagram, Electrical circuit diagram

2002 Ford Explorer Radio Wiring Diagram | Ford explorer, Electrical diagram, Electrical circuit diagram

2001 Ford Focus Zx3 Radio Wiring Diagram Pics | Wiring ...

2001 Ford Focus Zx3 Radio Wiring Diagram Pics | Wiring ...

Radio wiring colour coding assistance needed - Ford Focus ...

Radio wiring colour coding assistance needed - Ford Focus ...

2005 ford Focus Stereo Wiring Diagram | Free Wiring Diagram

2005 ford Focus Stereo Wiring Diagram | Free Wiring Diagram

sliced orange fruit on purple and white ceramic plate

sliced orange fruit on purple and white ceramic plate

2012 focus radio wiring diagram. 2012 ford Focus Radio Wiring Diagram

2012 focus radio wiring diagram. 2012 ford Focus Radio Wiring Diagram

2001 Ford Focus Zx3 Radio Wiring Diagram Pics | Wiring ...

2001 Ford Focus Zx3 Radio Wiring Diagram Pics | Wiring ...

2009 F150 Radio Wiring Diagram

2009 F150 Radio Wiring Diagram

The Damas (Maids of Honor) go from the Church to the Reception in a Ford Explorer limousine at Ruby's Quinceanera, Huntington Park, California (2001) // Lauren Greenfield American, born 1966

The Damas (Maids of Honor) go from the Church to the Reception in a Ford Explorer limousine at Ruby's Quinceanera, Huntington Park, California (2001) // Lauren Greenfield American, born 1966

focus dictionary index page

focus dictionary index page

Wiring Diagram Radio Ford Focus 2005 - Search Best 4K ...

Wiring Diagram Radio Ford Focus 2005 - Search Best 4K ...

Ford Focus MK2.5 (2008-2012) Stereo Removal ST/RS - James ...

Ford Focus MK2.5 (2008-2012) Stereo Removal ST/RS - James ...

2004 Ford Focus Wiring Diagram For Your Needs

2004 Ford Focus Wiring Diagram For Your Needs

2000 Ford Mustang Radio Wiring Diagram - DOUBTLESSARA

2000 Ford Mustang Radio Wiring Diagram - DOUBTLESSARA

Radio wiring colour coding assistance needed - Ford Focus ...

Radio wiring colour coding assistance needed - Ford Focus ...

FORD Car Radio Stereo Audio Wiring Diagram Autoradio connector wire installation schematic ...

FORD Car Radio Stereo Audio Wiring Diagram Autoradio connector wire installation schematic ...

2001 Ford Focus Zx3 Radio Wiring Diagram Pics | Wiring ...

2001 Ford Focus Zx3 Radio Wiring Diagram Pics | Wiring ...

2001 Ford Taurus Stereo Wiring Diagram 2000 At | Trailer wiring diagram, 2004 ford f150, Ford ...

2001 Ford Taurus Stereo Wiring Diagram 2000 At | Trailer wiring diagram, 2004 ford f150, Ford ...

unknown

unknown

92 tempo GL radio wiring diagram? - Ford Forums - Mustang ...

92 tempo GL radio wiring diagram? - Ford Forums - Mustang ...

brown steering wheel

brown steering wheel

Ford Focus Archives - ExcessText

Ford Focus Archives - ExcessText

0 Response to "41 2001 ford focus stereo wiring diagram"

Post a Comment

Iklan Atas Artikel

Iklan Tengah Artikel 1

Iklan Tengah Artikel 2

Iklan Bawah Artikel