Iklan 300x250

40 mig welder parts diagram

Murray 42515x92a lawn tractor 2000 parts diagram for electrical system 46576x92b 1999 solved mower will not start riding ifixit 405000x8c 2004 387002x92a diagrams briggs amp stratton yard power formerly del 26072018021742 7800409 elt125380 12 5hp 38 gear drive 2009 main harness 250x113ma 7501359 7800309 clt185420 18 42 manual pto 2008 wiring schematic hydro rewire of rider doityourself com ... Polishing, finishing, and/or grinding stainless steel components (sheet) to required levels in a fast-paced and efficient manner. Use of various power tools and hand tools to polish, clean, and grind welds. Create a show quality finish on stainless steel. Repair scratches, dings, and dents on stainless steel. Visually inspects parts for issues ...

Jun/13 - weg supplies variable frequency drives package to a modern science centre (ncpts) in lithuania. Ranger® engine driven welders from lincoln electric provide stick and wire welding with high capacity of ac generator power and are available with gas, diesel, or lpg engines.

Mig welder parts diagram

Mig welder parts diagram

26.11.2021. No Comments 26.11.2021 26.11.2021 vibi Leave a Comment on Two Names The Ideological Construction of Multiculturalism and its. Language, Power and the Social Construction of Animals Classics Monthly - read now online on YUMPU News › Magazine flat rate Subscription Read digitally YUMPU News digital subscription - 30 days free trial!

Mig welder parts diagram. The art of finger dexterity Read online AWS Certified Advanced Networking - Specialty Exam Guide Build your knowledge and technical expertise as an AWS-certified networking specialist free book Download Marine Policy An Introduction to Governance and International Law of the Oceans ebook djvu for pc Directory of Manufacturers of and Dealers in Engineers and Contractors Machinery and Supplies A Classified List of Machinery and Supplies Manufactured or Sold by ...

Handbook of Learning from Multiple Representations and Perspectives Posted by gata on 26.11.2021. 3; Handbook of Learning from Multiple Representations and Search for: Educating Biotechnicians for Future Industry Needs. Posted on 26.11.2021 in 285 by fija with No comment Teaching College The Ultimate Guide to Lecturing, Presenting, and Engaging Students This is a reimaged printing of a: Homelite Generator (Models: 128A10-1, 129A15-1, 130A22-1, 131A30-1) Owner Operator's Manual and Parts Catalog, List & Exploded View Diagrams, covering: Safety, Preparing the Unit, Homelite 60 Cycle Alternators, Load Application, Wattage Drain for Typical Equipment Chart, Watts Required to Start Motor Chart, Cable Selector Chart, Maintenance, Adjustment, Engine ...

Nathaniel Personalized Name Notebook/Journal Gift For Women, Men Boys & Girls 100 Pages Scrabble Gift for School, Writing Poetry, Diary to Write in, Gratitude Writing, Daily Journal or a Dream Journal. In a small job shop, welders often are required to pick up a drawing and do the whole job unassisted and without a written welding procedure. Underlying metallurgical principles of ferrous metallurgy including strength, toughness, use of phase diagram, cooling curves and jominy hardness test. Level 3 Certificates for the Code of Practice for In - City & Guilds Read online Marbles in Your Pipe A Definitive Guide to Sales and Marketing in the Information Technology Industry free ebook djvu for mobile

Lincoln Electric Pro Mig 180 Manuals Manualslib

Lincoln Electric Pro Mig 180 Manuals Manualslib

The cover letter examples listed below highlight the skills employers are looking for from a welder. Provide examples of your accomplishments and use numbers to back them up. 'welder with 9+ years of experience in my field. Cosby, i write in response to your ad seeking an experienced welder at cosby welding.

Codinter Com

Codinter Com

Classics Monthly - read now online on YUMPU News › Magazine flat rate Subscription Read digitally YUMPU News digital subscription - 30 days free trial!

Bw 5 Co2 Mig Welding Torch Parts Compatible For Tweco American Type Buy Co2 Mig Welding Torch Tweco 5 Co2 Mig Welding Torch 5 Co2 Mig Welding Torch Parts Compatible For Tweco American

Bw 5 Co2 Mig Welding Torch Parts Compatible For Tweco American Type Buy Co2 Mig Welding Torch Tweco 5 Co2 Mig Welding Torch 5 Co2 Mig Welding Torch Parts Compatible For Tweco American

26.11.2021 26.11.2021 vibi Leave a Comment on Two Names The Ideological Construction of Multiculturalism and its. Language, Power and the Social Construction of Animals

Lincoln Electric Incoming Outgoing Wire Guide Kit Kp2530 1

Lincoln Electric Incoming Outgoing Wire Guide Kit Kp2530 1

26.11.2021. No Comments

A Schematic Diagram Of Mig Welding Setup Download Scientific Diagram

A Schematic Diagram Of Mig Welding Setup Download Scientific Diagram

Parts Main Exploded Diagram Lincoln Electric Weld Pack 100 Plus Im546 User Manual Page 49 60

Parts Main Exploded Diagram Lincoln Electric Weld Pack 100 Plus Im546 User Manual Page 49 60

Anyone Got Mig Pcb Schematics Mig Welding Forum

Anyone Got Mig Pcb Schematics Mig Welding Forum

117 059 Ya219c Snap On 140 Amp Mig Welder Phase Control

117 059 Ya219c Snap On 140 Amp Mig Welder Phase Control

Campbell Hausfeld Wire Feed Arc Welder Wg2020 Ereplacementparts Com

Campbell Hausfeld Wire Feed Arc Welder Wg2020 Ereplacementparts Com

Supermig150pl Manualzz

Supermig150pl Manualzz

Campbell Hausfeld Welder Wg3090 User Guide Manualsonline Com

Campbell Hausfeld Welder Wg3090 User Guide Manualsonline Com

20519 Rp Esab Pdf Catalogs Technical Documentation Brochure

20519 Rp Esab Pdf Catalogs Technical Documentation Brochure

Campbell Hausfeld Wg2160 Parts Diagram For Arc Welder Parts

Campbell Hausfeld Wg2160 Parts Diagram For Arc Welder Parts

Weldingcity 25 Pcs Heavy Duty Contact Tips 11h 30 0 030 For Mig Welding Gun Lincoln Magnum Tweco Mini 1 Amazon Com

Weldingcity 25 Pcs Heavy Duty Contact Tips 11h 30 0 030 For Mig Welding Gun Lincoln Magnum Tweco Mini 1 Amazon Com

Suneducationgroup Com Business Office Industrial Equipment Manuals Books Set Oxford Allen Scythe Model Ts Instruction Spare Parts List Villiers 25

Suneducationgroup Com Business Office Industrial Equipment Manuals Books Set Oxford Allen Scythe Model Ts Instruction Spare Parts List Villiers 25

Codinter Com

Codinter Com

Parts Of The Mig Welder Mig Welding For Dummies

Parts Of The Mig Welder Mig Welding For Dummies

Craftsman Mig Welder 196205680 Ereplacementparts Com

Craftsman Mig Welder 196205680 Ereplacementparts Com

117 052 83105 Century 105 Amp Mig Welder Phase Control

117 052 83105 Century 105 Amp Mig Welder Phase Control

Drive Motor On Mastercraft Mig Welder Stopped Working For A Bodies Only Mopar Forum

Drive Motor On Mastercraft Mig Welder Stopped Working For A Bodies Only Mopar Forum

Chicago Electric Mig 100 Welder 54878 User Manual Page 11 14

Chicago Electric Mig 100 Welder 54878 User Manual Page 11 14

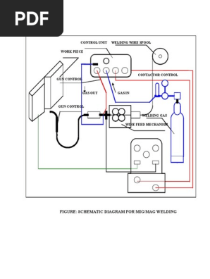
Mig Welding Schematic Pdf

Mig Welding Schematic Pdf

Mig Weld How To Weld For Beginner Mig Weld How To Mig Welding Principles

Mig Weld How To Weld For Beginner Mig Weld How To Mig Welding Principles

Clarke Mig 160t Te Tm 165te Tem Welding Torch Parts Weldequip

Clarke Mig 160t Te Tm 165te Tem Welding Torch Parts Weldequip

Supermig140 Parts For Model Mig Welder 140amp 230v Manualzz

Supermig140 Parts For Model Mig Welder 140amp 230v Manualzz

Weldability Sif Com

Weldability Sif Com

Spot Welder Buscar Con Google Diagram Welders Arc Welders

Spot Welder Buscar Con Google Diagram Welders Arc Welders

A Schematic Diagram Of Mig Welding Setup Download Scientific Diagram

A Schematic Diagram Of Mig Welding Setup Download Scientific Diagram

Mig Welder Repair How To Youtube

Mig Welder Repair How To Youtube

1

1

Accessories Archives Laman 3 Dari 6 Multipro

Accessories Archives Laman 3 Dari 6 Multipro

Gmaw Mig Welding Process Techniques Tips Weld Guru

Gmaw Mig Welding Process Techniques Tips Weld Guru

Hobart Welder Parts For Sale Only 2 Left At 60

Hobart Welder Parts For Sale Only 2 Left At 60

Metal Inert Gas Welding Welding Consultants For Welding Inverters Metal Inert Gas Welding Welding Machines And Other Weliding Cutting Systems

Metal Inert Gas Welding Welding Consultants For Welding Inverters Metal Inert Gas Welding Welding Machines And Other Weliding Cutting Systems

Lincoln 140 Mig Welder Reviews The Models Explained Welditu

Lincoln 140 Mig Welder Reviews The Models Explained Welditu

117 011 2175 Solar 130 Amp Mig Welder

117 011 2175 Solar 130 Amp Mig Welder

Craftsman 934 205111 Operator S Manual Pdf Download Manualslib

Craftsman 934 205111 Operator S Manual Pdf Download Manualslib

1

1

Bw Q400 Suku Cadang Obor Las Mig Cocok Untuk Bernard Tipe Amerika Buy Mig Welding Torch Suku Cadang Bw Q400 Mig Welding Torch Suku Cadang Mig Welding Torch Suku Cadang Kompatibel Untuk Jenis Bernard

Bw Q400 Suku Cadang Obor Las Mig Cocok Untuk Bernard Tipe Amerika Buy Mig Welding Torch Suku Cadang Bw Q400 Mig Welding Torch Suku Cadang Mig Welding Torch Suku Cadang Kompatibel Untuk Jenis Bernard

117 050 6z935b Dayton 85 Amp Welder Csa

117 050 6z935b Dayton 85 Amp Welder Csa

0 Response to "40 mig welder parts diagram"

Post a Comment

Iklan Atas Artikel

Iklan Tengah Artikel 1

Iklan Tengah Artikel 2

Iklan Bawah Artikel