40 craftsman mini tiller fuel line diagram
Yeah, reviewing a book craftsman 32cc mini tiller manual file type could build up your near contacts listings. We also have installation guides, diagrams and manuals to help you along the way! Goldenmotor Carburetor Fuel Line Kit For Craftsman 4 Cycle Mini Tiller 316.292711 Fuel Line. I need a fuel line diagram for all lines. Lots of people attempting to find information about craftsman mini tiller fuel.
I ordered new lines and primer but when i replaced them some if the old lines broke and fell out. Get shopping advice from experts friends...

Craftsman mini tiller fuel line diagram
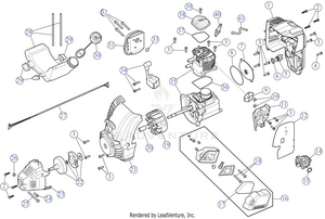
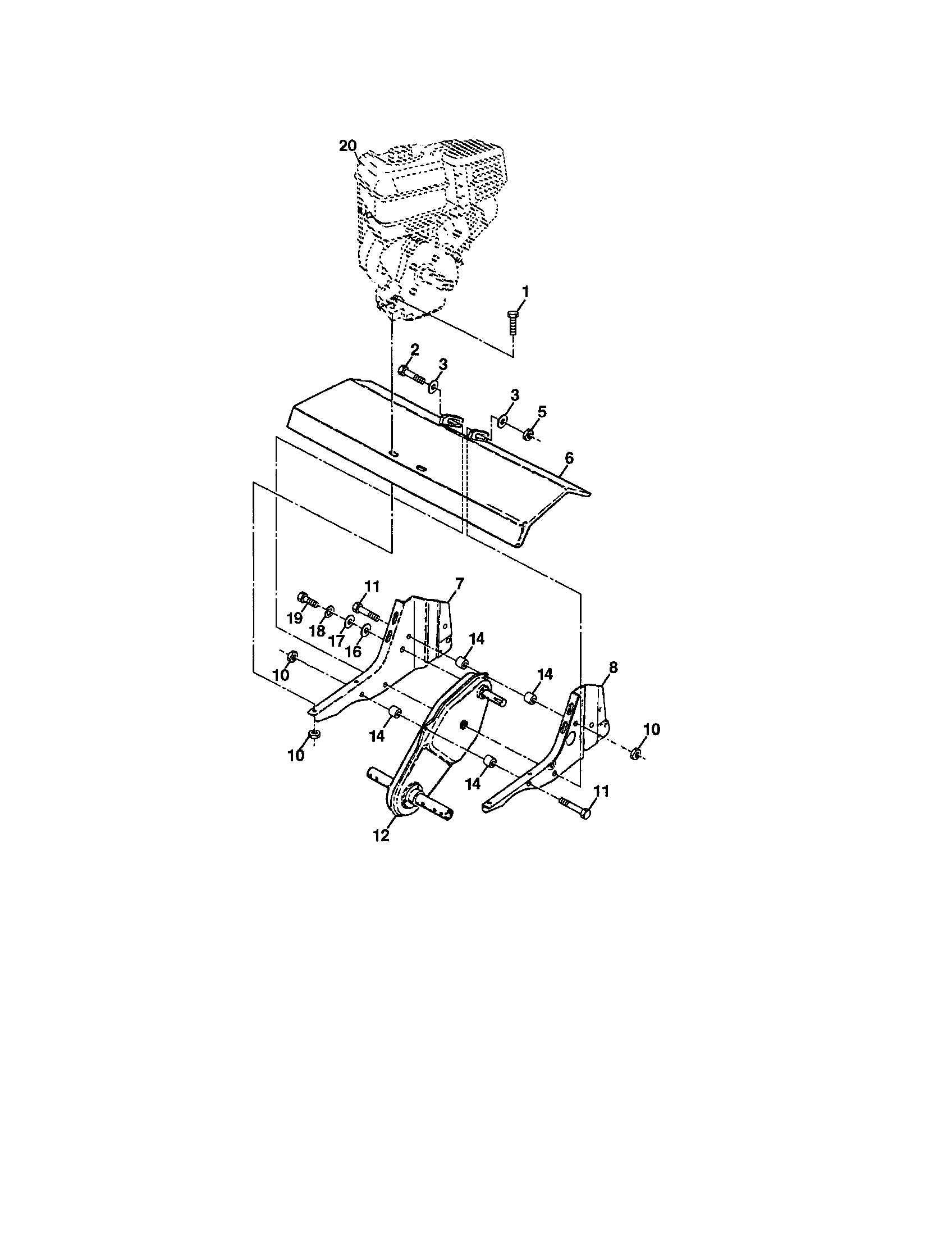
Craftsman weedwacker fuel line diagram 25cc periodic diagrams ryobi fuel line diagram questions answers with pictures fixya routing fuel line homelite st155 fixya Craftsman mini tiller fuel line diagram. Here are the repair parts and diagrams for your craftsman 316292621 mini tillercultivator. User Manual: Craftsman 316292621 316292621 CRAFTSMAN MINI TILLER/CULTIVATOR - Manuals and Guides View the owners manual for your CRAFTSMAN MINI • The following components are included in the emission related warranty: engine, air filter, carburetor, primer, fuel lines Carburetor Fuel line Kit Mantis Tiller . fuel tank faces operator. this is the rear of the tiller, refer to assembly instruction on page 7. cutting hazard; keep feet and hands away from rotating tines. wear ear and eye protection. read owner's manual before using tiller, or performing any repair or maintenance.
Craftsman mini tiller fuel line diagram. Fuel line diagram i need to know how to hook up fuel lines to fuel pump on a 1988toyota pickup try an autozone or a dealership they can print out the diagrams. Details: Craftsman mini tiller fuel line diagram. Here are the repair parts and diagrams for your craftsman 316292621 mini tillercultivator. Craftsman mini tiller cultivator parts electric troubleshooting 32cc. craftsman mini tiller cultivator manual gearbox parts sears,craftsman incredi pull mini Connecting fuel line to carbutor 316292621 craftsman mini tiller replacement parts for a craftsman tiller model refrigerator manual and. 20.05.2020craftsman mini tiller fuel line replacementComments: The diagram s below can help you find the right part. On this page, you can also find any Rear tine tiller or front tine tiller, what to know to help in choosing the correct one for your needs. These frequently asked questions might help you... This video will help you troubleshoot your fuel line replacement repairs. I have a craftsman. Craftsman P2 Mini T...
Limited one year warranty on craftsman mini tillercultivator. Browse categories answer questions. Craftsman Chainsaw Fuel L... Craftsman Mini Tiller Fuel Line Diagram - Free Wiring Diagram. Craftsman Tillers parts with OEM Craftsman parts diagrams to find Craftsman Tillers repair parts quickly and easily. If the engine stops insert a small phillips or flat blade screwdriver into the hole. 35 Craftsman Mini Tiller Fuel Line Diagram - Wiring Diagram Database Craftsman 4 Cycle Mini Roto Tiller with Edger Kit - $75 (Hudson) Nice mini tiller, starts and runs great, approx. AISEN Carburetor for Craftsman 4 Cycle Mini Tiller 316.292711 Fuel Line Filter Primer Bulb Carb ... If youd like help we invite you to call our customer service number at the top of the page or click chat. Lots of people attempting...
...fuel line including primer bulb on a craftsman mini tiller/cultivator. is there a drawing - Craftsman on a craftsman mini tiller/cultivator. is there a drawing or diagram to show which line goes where? If you pulled the fuel lines off for some reason then switch their positions and see if that makes a... Craftsman 2-Cycle Mini Tiller And Cultivator Operator's Manual. Craftsman 316.29262 Tiller pdf manual download. Dispose of the old fuel/oil mix I need a fuel line diagram for all … Get shopping advice from experts, friends and the community! i have a new( i only used it for 5 minutes to check it... Craftsman Mini Tiller Fuel Line Diagram - Drivenheisenberg. For two (2) years from date of purchase, when this Craftsman Tiller is maintained, lubricated, and tuned up according to the operating and maintenance instructions in the owner s manual, Sears will repair free of charge any defect in material... Craftsman_Mini_Tiller - Read online for free. Description: Craftsman Mini Tiller Owners Manual. Copyright: © All Rights Reserved. 9). Some amount of fuel should Primer Bulb 5. As cultivating action begins, pull be visiblein the primer bulb back on the cultivator so that the .,. and fuel lines(Fig.
Craftsman Tillers parts with OEM Craftsman parts diagrams to find Craftsman Tillers repair parts quickly and easily. Craftsman Tillers Parts with Diagrams - PartsTree Whether you are looking for a tiller, a cultivator, or an augur -we've got you covered.
Craftsman Mini Tiller Repair Manual Shop for Craftsman Tiller parts today, from 102134X to 9180R! Find genuine replacement parts along with great repair advice and same-day shipping. Craftsman Mini Tiller Fuel Line Diagram - Drivenheisenberg.
Parts List Engine Parts Model Mini Tiller Edger 2 Cycle Gas Craftsman 316 29256 User Manual Page 35 40
Mini Tillers Cultivators Craftsman 32Cc Mini Tiller Parts Craftsman Electric Mini Tiller Craftsman 32Cc Gas Weed Eater Craftsman Mini Tiller Parts Diagram Craftsman...
Craftsman Chainsaw Fuel Line Size Diagram Carburetor Craftsman Chainsaw Repair Parts 16 Chain 71 3629 Craftsman 42 Cc 18 Inch Chainsaw Fuel Line Repair In Under. How do i replace fuel lines on craftsman 2 cycle mini tiller model 316 29256. I am sorry you are having a problem with the tiller.
1 Set Of Carburetor Air Filter Fuel Filter For Craftsman 316 292620 2 Cycle Mini Tiller Cultivator Part Tools Tool Parts Aliexpress
Craftsman 18 42cc Chainsaw Fuel Line Diagram U2014 Untpikapps. 1957 Chevrolet Chevy V8 Corvette Electrical Wiring Diagram. Frigidaire Cfef358eb2 Electric Range Timer. Maytag Mdg8400aww Dryer Parts. Frigidaire Frs26zshb2 Side. 34 Craftsman Leaf Blower Fuel Line Diagram.
Craftsman 2-Cycle Mini Tiller And Cultivator Operator's Manual. Craftsman 316.29262 tiller pdf manual download. Starting/Stopping Instructions ....10 Full Two-Year Warranty on Craftsman Mini-Tiller and Cultivator For two (2) years from the date of purchase, if this Craftsman Equipment is...
Amazon Com Huri Carburetor With Fuel Line Gasket For Craftsman 4 Cycle Mini Tiller 316 292711 Patio Lawn Garden
Craftsman 316.292620 2-Cycle Mini-Tiller And Cultivator Parts. Search within model. This video will help you troubleshoot your fuel-line replacement repairs. I have a craftsman 32cc 9 inch mini tiller. I have sheared the key on the flywheel. I am wanting to know what size the key is, or if you guys sell...
Outdoor Power Equipment Tillers Yard Garden Outdoor Living Shield From Craftsman Mini Tiller Model 316 240320
A never store fuel or mini tillercultivator 2. If the fuel line is leaking replace it. Mantis Tiller Parts Diagram Mantis E...
Craftsman Mini Tiller Fuel Line Diagram Drivenheisenberg. Craftsman mini tiller model 316 292621 fuel hose diagram craftsman 4 cycle mini tiller question. Get shopping advice from experts friends and the community.
What Is The Fuel Line Routing On The Craftsman 29270 Cultivator Edger Shop Your Way Online Shopping Earn Points On Tools Appliances Electronics More
Craftsman 18 42cc Chainsaw Fuel Line Diagram U2014 Untpikapps. 1957 Chevrolet Chevy V8 Corvette Electrical Wiring Diagram. Frigidaire Cfef358eb2 Electric Range Timer. Maytag Mdg8400aww Dryer Parts. Frigidaire Frs26zshb2 Side. 34 Craftsman Leaf Blower Fuel Line Diagram.
Package include: 1 carburetor +1 fuel line kit + gasket + 2 primer bulb + 2 fuel line .Actual kit you will get is pictured. Consider this Amazon's Choice product that delivers quickly. Shnile Carburetor Compatible with Craftsman 4 Cycle Mini Tiller 316.292711 Fuel Line Filter Primer Bulb Carb Gasket.
Carburetor Fuel line Kit Mantis Tiller . fuel tank faces operator. this is the rear of the tiller, refer to assembly instruction on page 7. cutting hazard; keep feet and hands away from rotating tines. wear ear and eye protection. read owner's manual before using tiller, or performing any repair or maintenance.
User Manual: Craftsman 316292621 316292621 CRAFTSMAN MINI TILLER/CULTIVATOR - Manuals and Guides View the owners manual for your CRAFTSMAN MINI • The following components are included in the emission related warranty: engine, air filter, carburetor, primer, fuel lines
Craftsman weedwacker fuel line diagram 25cc periodic diagrams ryobi fuel line diagram questions answers with pictures fixya routing fuel line homelite st155 fixya Craftsman mini tiller fuel line diagram. Here are the repair parts and diagrams for your craftsman 316292621 mini tillercultivator.
What Is The Fuel Pipe Routing For A 21a 120r000 Yard Machine Cultivator I Am Replacing The Priming Bulb And The Lines
0 Response to "40 craftsman mini tiller fuel line diagram"
Post a Comment